GM Service Manual Online
For 1990-2009 cars only
Figure 1:

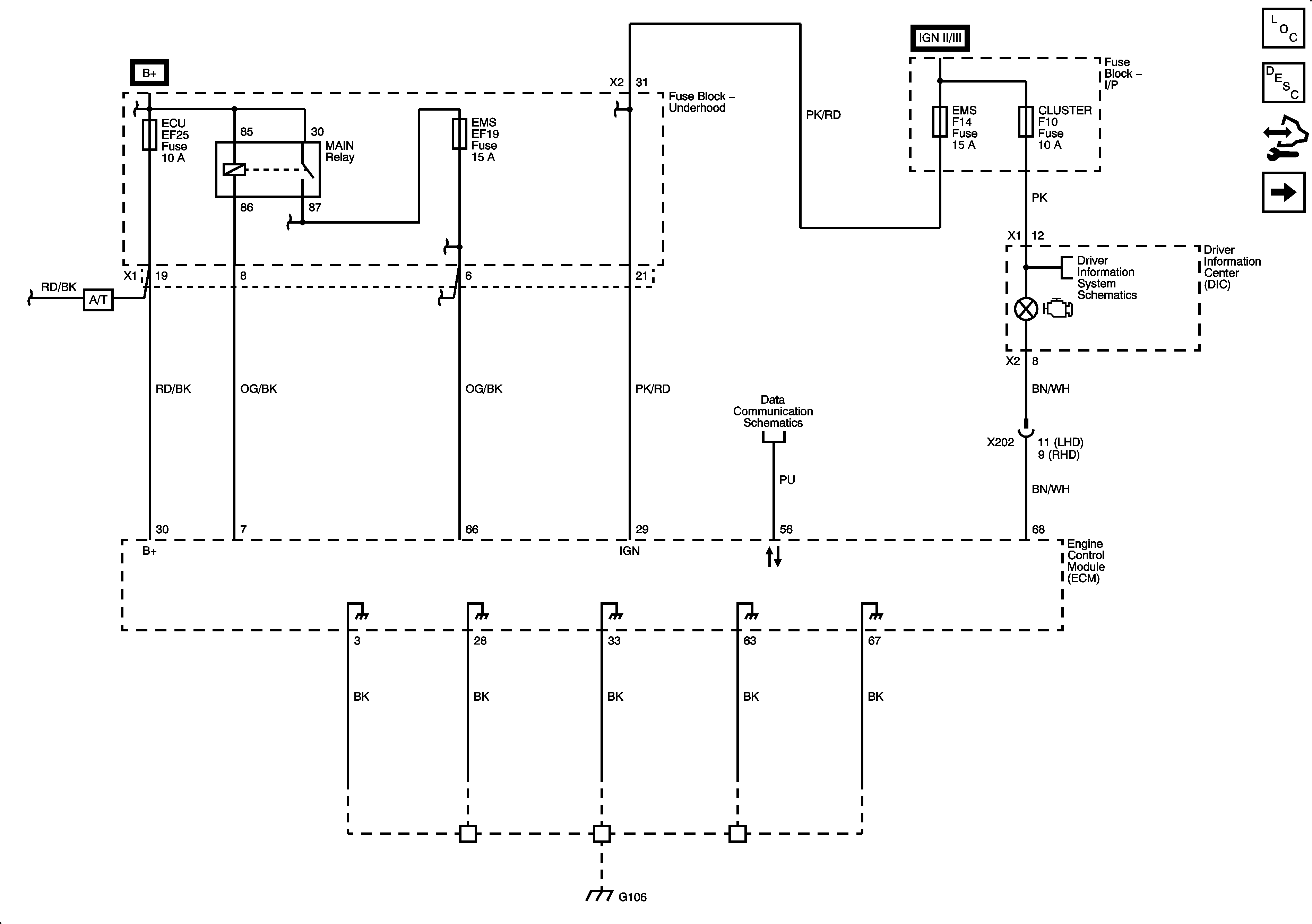
Power, Ground, DLC and MIL


Object Number: 2108818  Size: FS
Figure 2:

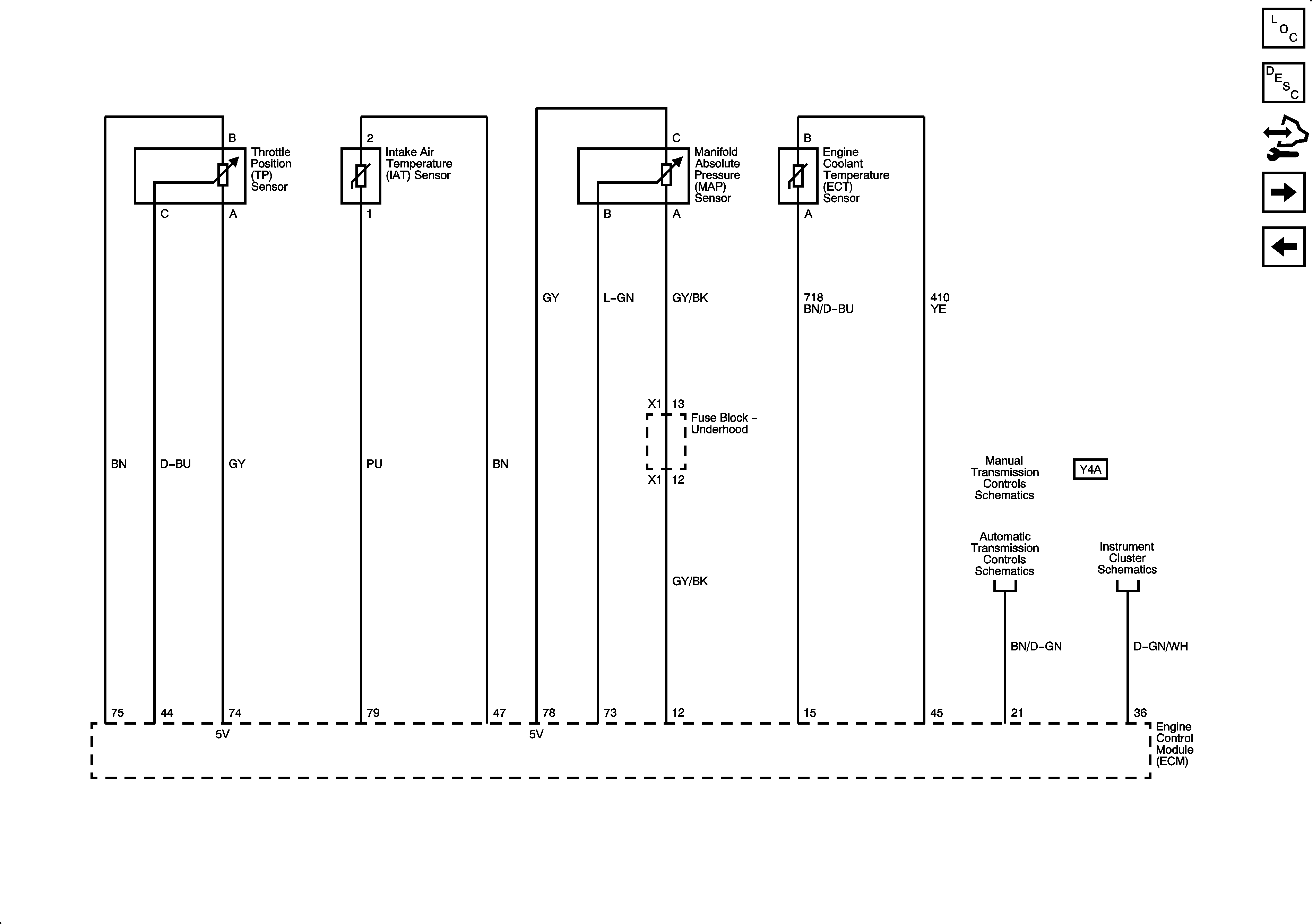
Pressure, Temperature and VSS


Object Number: 2108819  Size: FS
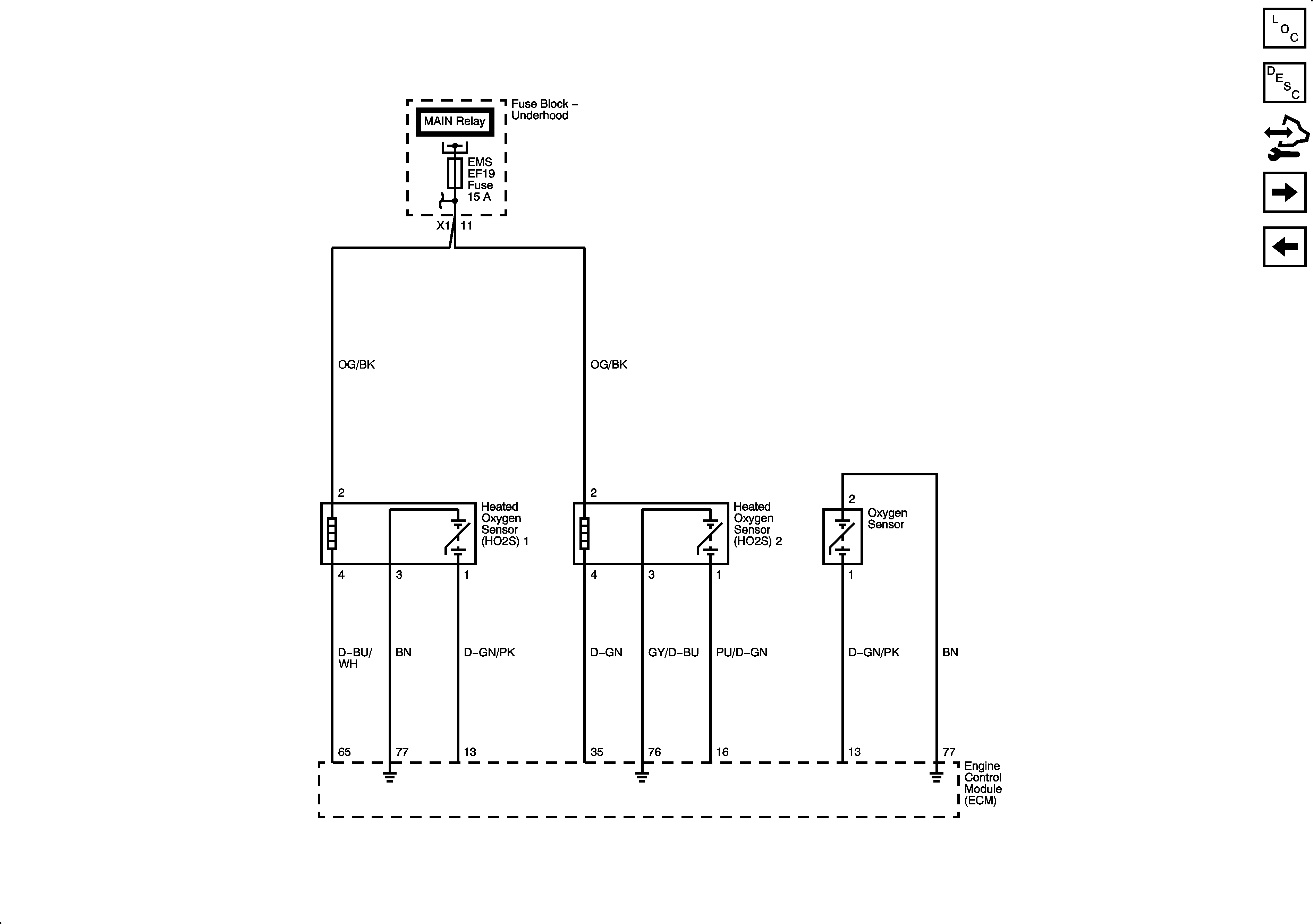
Figure 3:

Oxygen Sensors


Object Number: 2108820  Size: FS
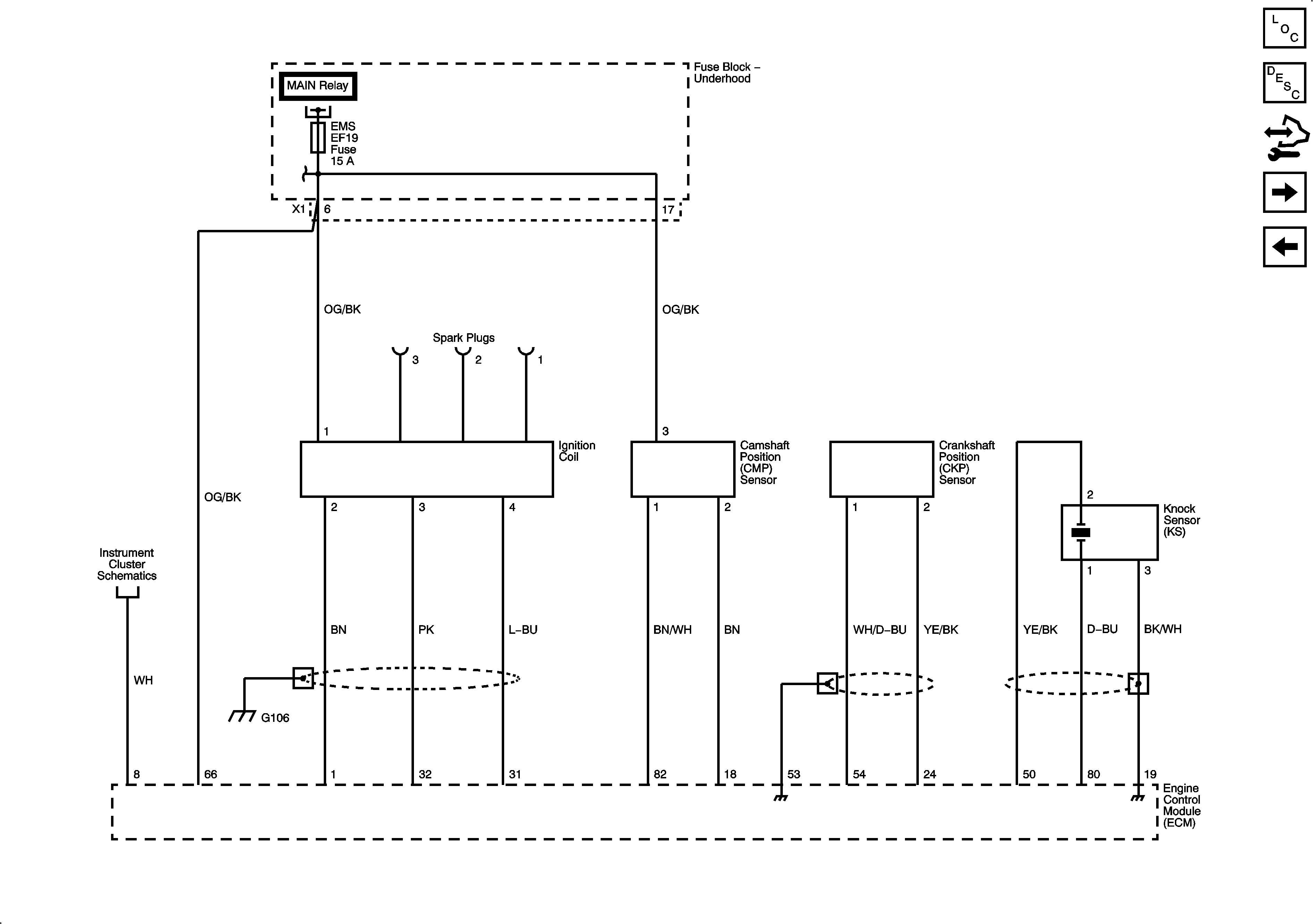
Figure 4:

Ignition Controls


Object Number: 2108822  Size: FS
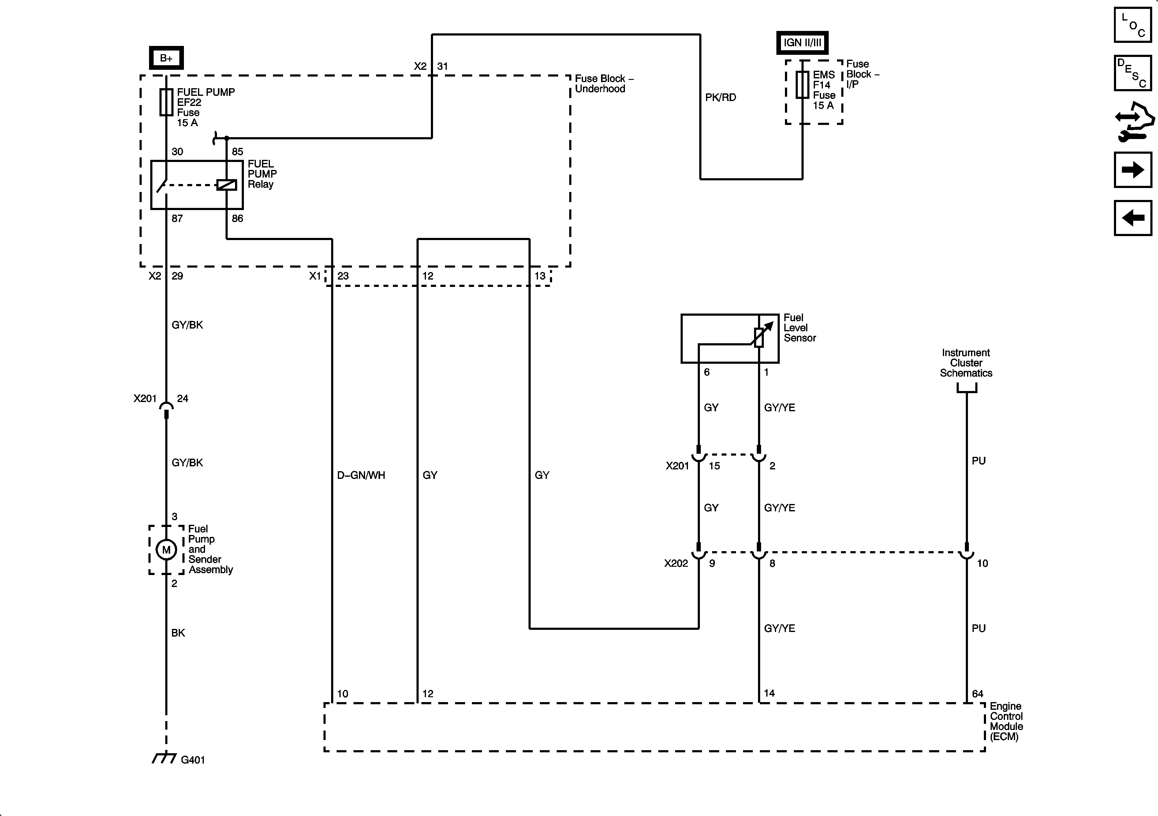
Figure 5:

Fuel Pump Controls


Object Number: 2108823  Size: FS
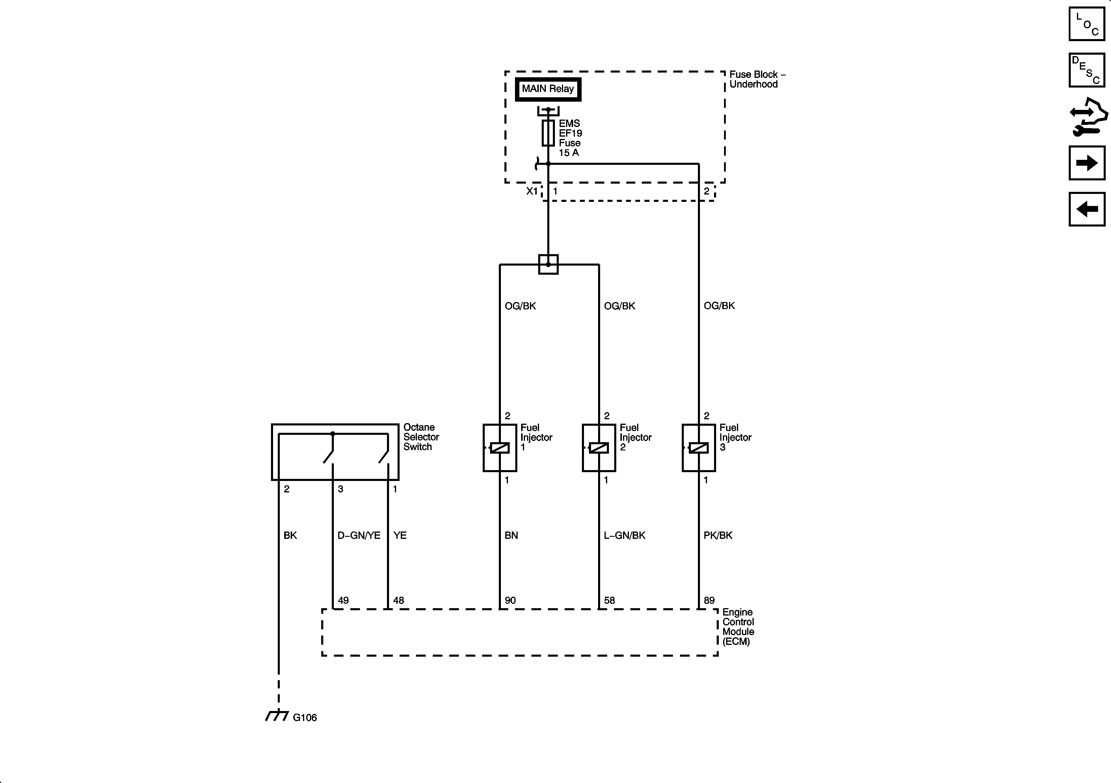
Figure 6:

Fuel Injectors and Octane Selector


Object Number: 2108825  Size: FS
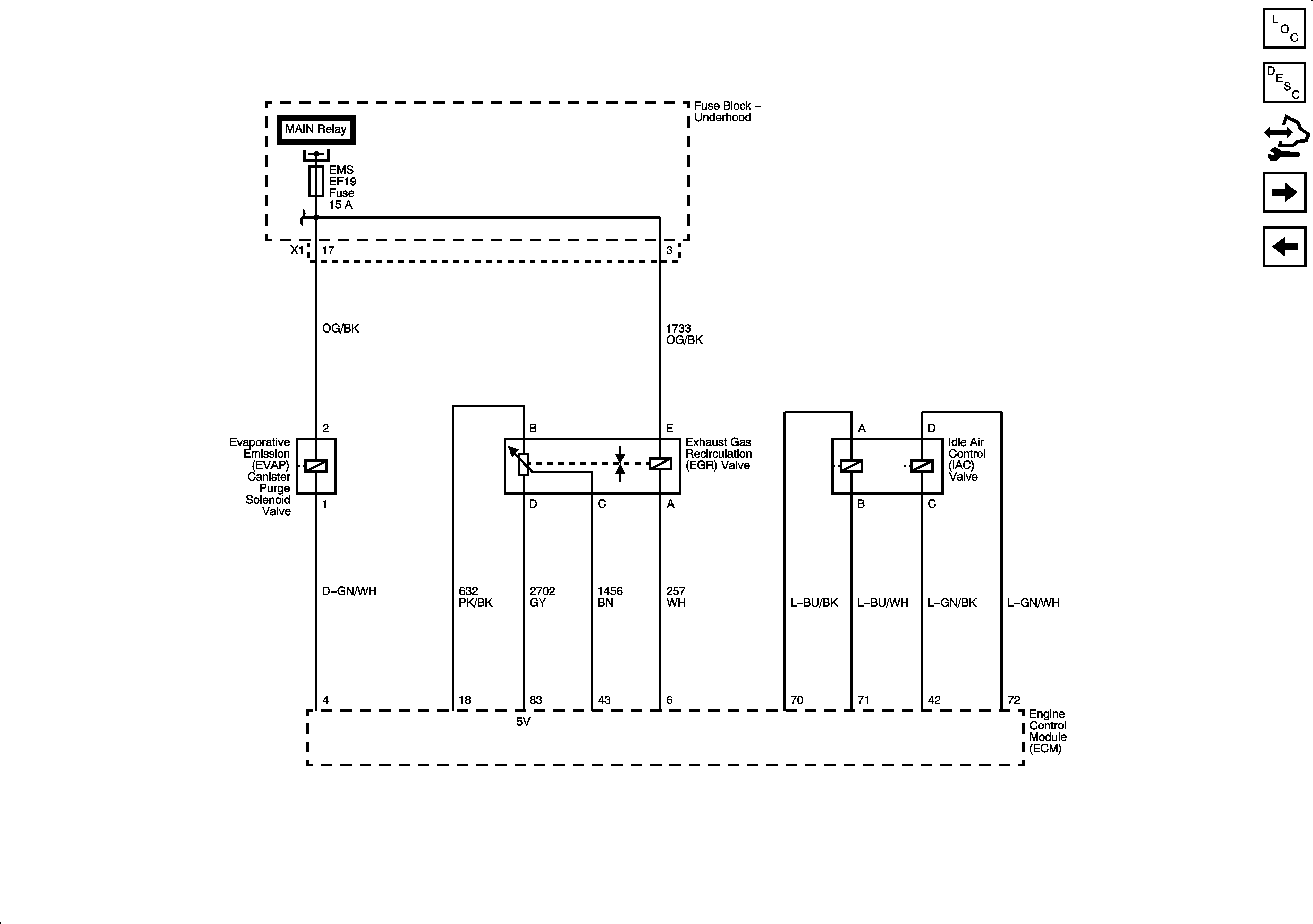
Figure 7:

EVAP and Device Controls


Object Number: 2108826  Size: FS
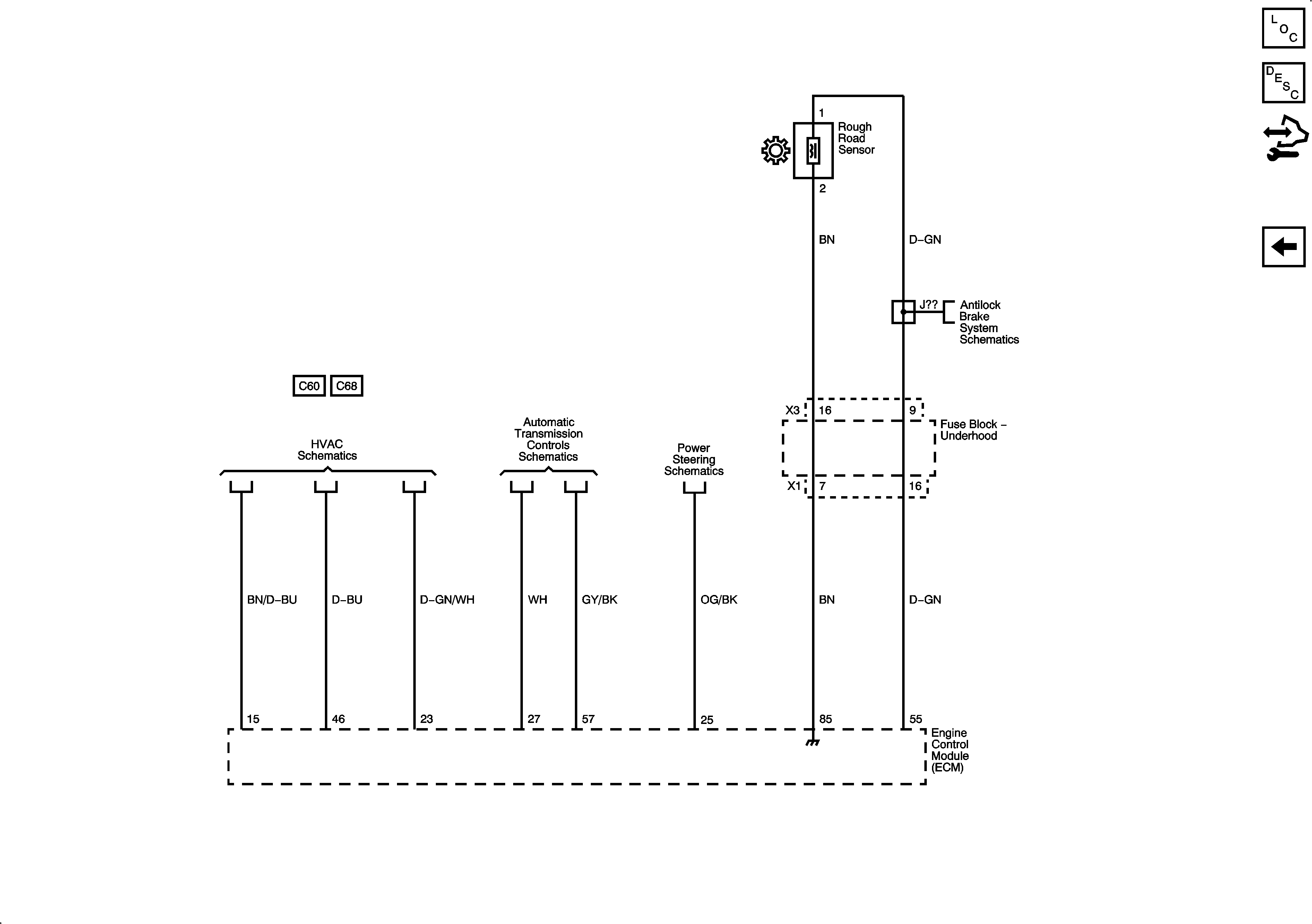
Figure 8:

Rough Road WSS and Subsystem References


Object Number: 2108827  Size: FS