GM Service Manual Online
For 1990-2009 cars only

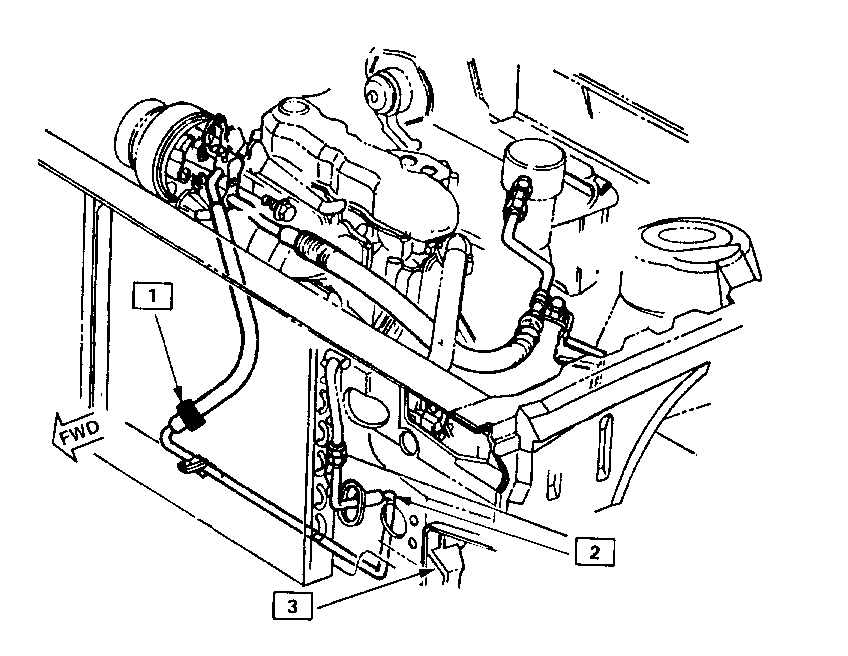
A/C COMPRESSOR DISCHARGE PIPE TO RADIATOR CLEARANCE

Some vehicles may have the A/C compressor discharge pipe bent rearward at the left side of the radiator. If this bending is great enough, the coupling of the hose to the pipe on the right side of the radiator can come in contact with the rear face of the radiator. This contact may cause radiator damage.

If contact is observed, pipe should be carefully bent to provide 10mm (13/32") clearance between coupling and radiator.


Object Number: 88926  Size: MF

General Motors bulletins are intended for use by professional technicians, not a "do-it-yourselfer". They are written to inform those technicians of conditions that may occur on some vehicles, or to provide information that could assist in the proper service of a vehicle. Properly trained technicians have the equipment, tools, safety instructions and know-how to do a job properly and safely. If a condition is described, do not assume that the bulletin applies to your vehicle, or that your vehicle will have that condition. See a General Motors dealer servicing your brand of General Motors vehicle for information on whether your vehicle may benefit from the information.