GM Service Manual Online
For 1990-2009 cars only
Makes
🢒
Pontiac
🢒
2005
🢒
Pursuit
🢒
Transmission/Transaxle
🢒
Automatic Transaxle - 4T40-E/4T45-E
🢒 Cooling System Component Views
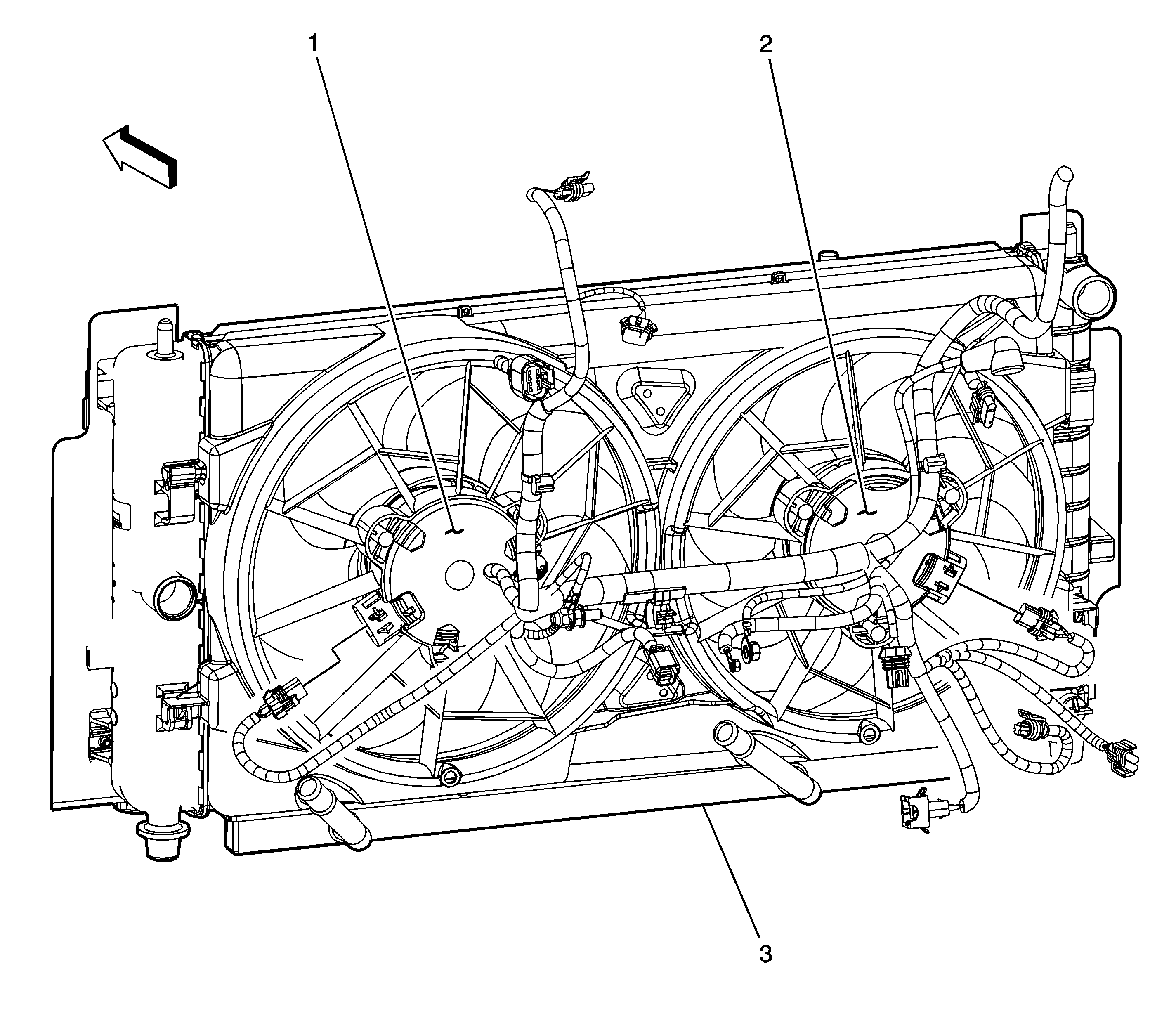
Figure
1:
Cooling Fan Motors (LSJ)
(1)
Cooling Fan 1
(2)
Cooling Fan 2
(3)
Radiator
Figure
2:
Cooling Fan Motor (L61/LE5)
(1)
Cooling Fan Motor
(2)
Fan Shroud
(3)
G111 On Engine (LE5)