GM Service Manual Online
For 1990-2009 cars only
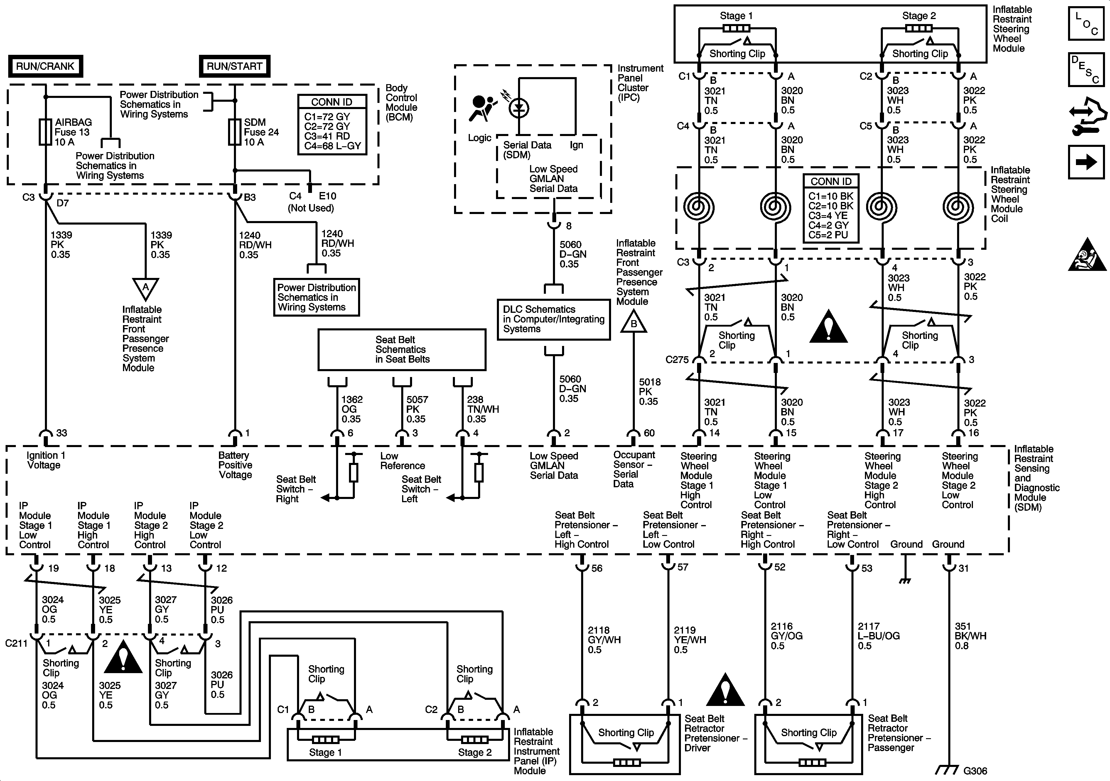
Figure 1:

Indicators, Power, Ground, Pretensioners, and Front Air Bag Modules


Object Number: 1575934  Size: FS
Master Electrical Component List
SIR System Description and Operation
Control Module References
Side Impact (ASF), Roof Rail Module, and Front End Sensor
SIR Schematic Icons
Passenger Presence System
RAP, DOOR LOCK, DOOR UNLOCK, INTERIOR LAMPS Relays, DOOR LOCK RADIO, PWR WINDOW, SUNROOF, INT LPS, ECM/TCM, SDM, CURRENT SENSOR Fuses
Seat Belt Schematics
DLC Power, Ground, and Low Speed GMLAN
Passenger Presence System
SIR Schematic Icons
SIR Schematic Icons
SIR Schematic Icons
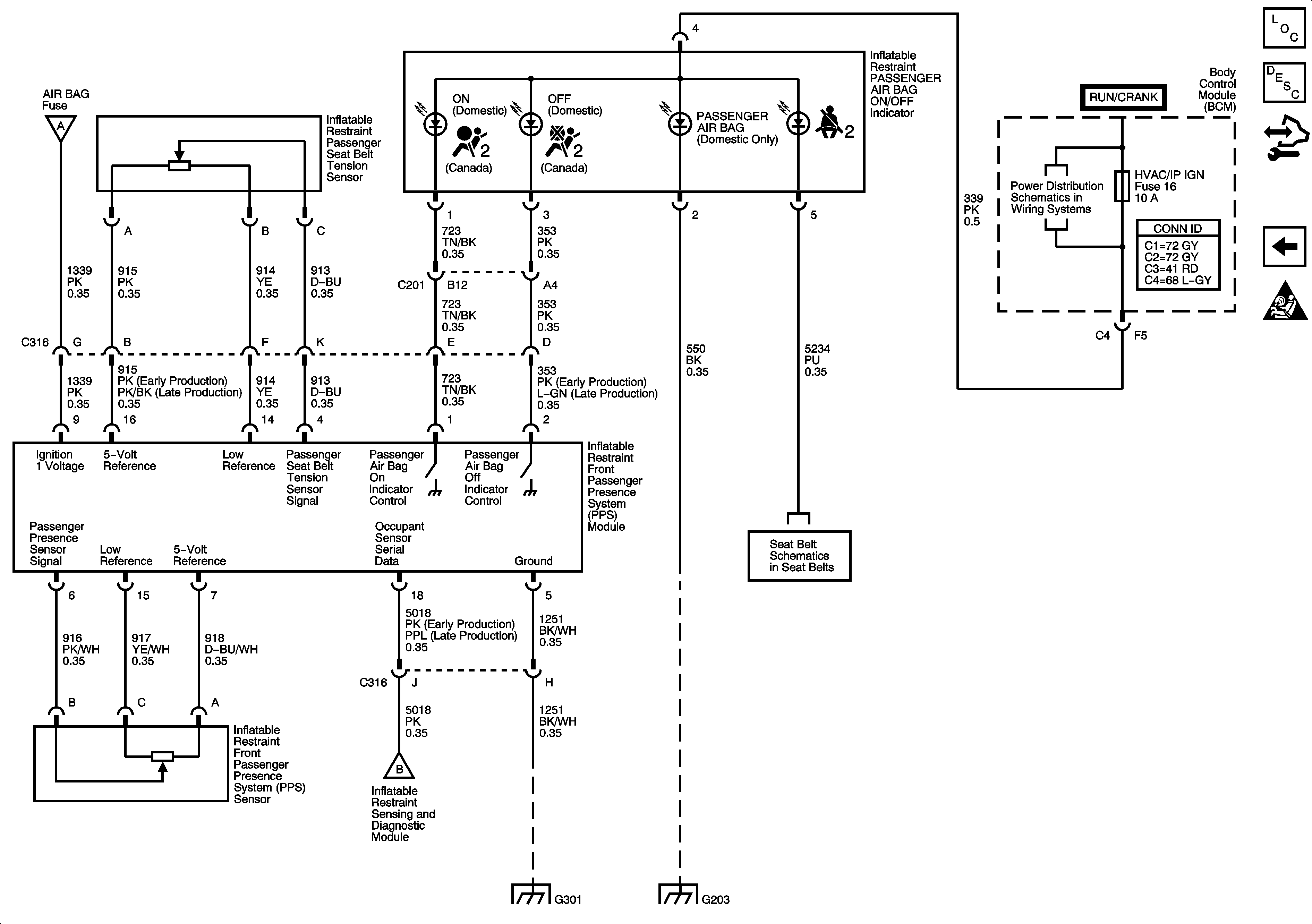
Figure 2:

Side Impact (ASF), Roof Rail Module, and Front End Sensor


Object Number: 1575937  Size: FS
Master Electrical Component List
SIR System Description and Operation
Control Module References
Passenger Presence System
Indicators, Power, Ground, Pretensioners, and Front Air Bag Modules
SIR Schematic Icons
SIR Schematic Icons
SIR Schematic Icons
SIR Schematic Icons
SIR Schematic Icons
SIR Schematic Icons
Figure 3:

Passenger Presence System


Object Number: 1575940  Size: FS
Master Electrical Component List
SIR System Description and Operation
Control Module References
Side Impact (ASF), Roof Rail Module, and Front End Sensor
SIR Schematic Icons
Indicators, Power, Ground, Pretensioners, and Front Air Bag Modules
Indicators, Power, Ground, Pretensioners, and Front Air Bag Modules
G301 (1 of 2)
G109, G203, G306