GM Service Manual Online
For 1990-2009 cars only
Makes
🢒
Pontiac
🢒
2006
🢒
Pursuit
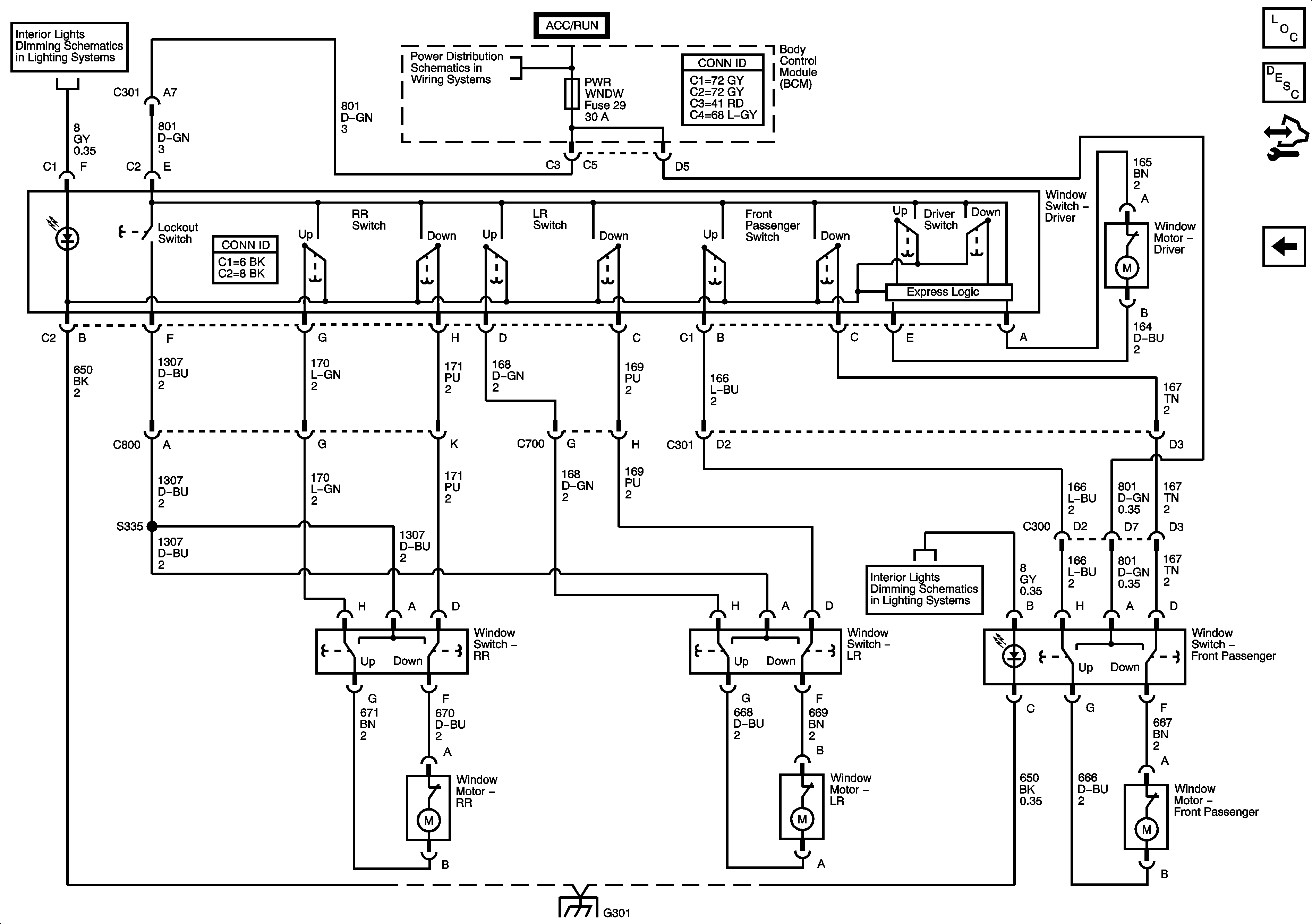
🢒 Power Window - Sedan
Power Window - Sedan
Power Window - Sedan
Master Electrical Component List
Power Windows Description and Operation
Control Module References
Power Window - Coupe
A/T Shift Lock Control Assembly Mirror and Doors
Power Window - Coupe
Power Window - Coupe
G301 (2 of 2)