GM Service Manual Online
For 1990-2009 cars only
Figure 1:

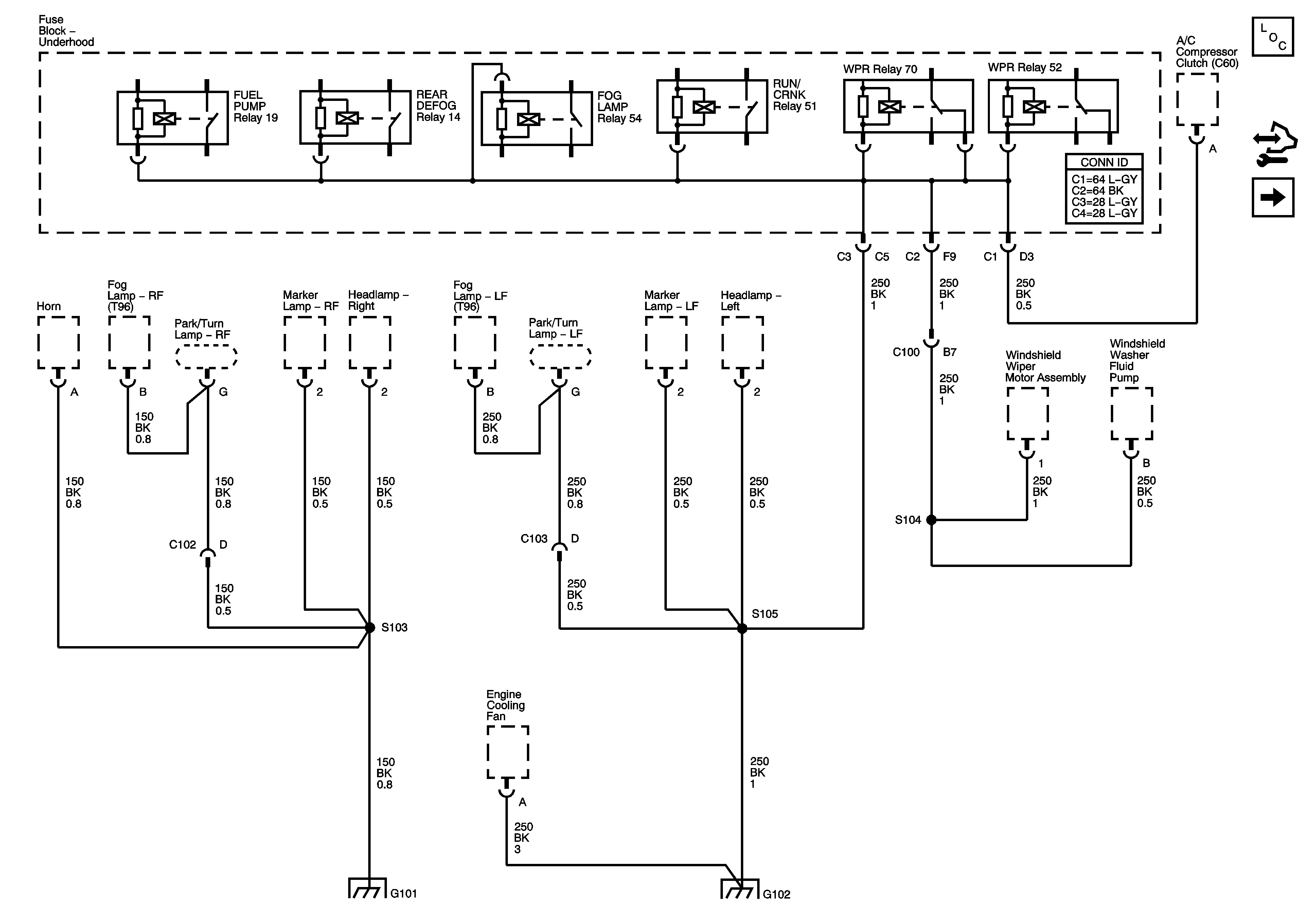
G101 and G102


Object Number: 1560128  Size: FS
Master Electrical Component List
Control Module References
G103, G204, G105, G104, and G106
Figure 2:

G103, G204, G105, G104, and G106


Object Number: 1560132  Size: FS
Master Electrical Component List
Control Module References
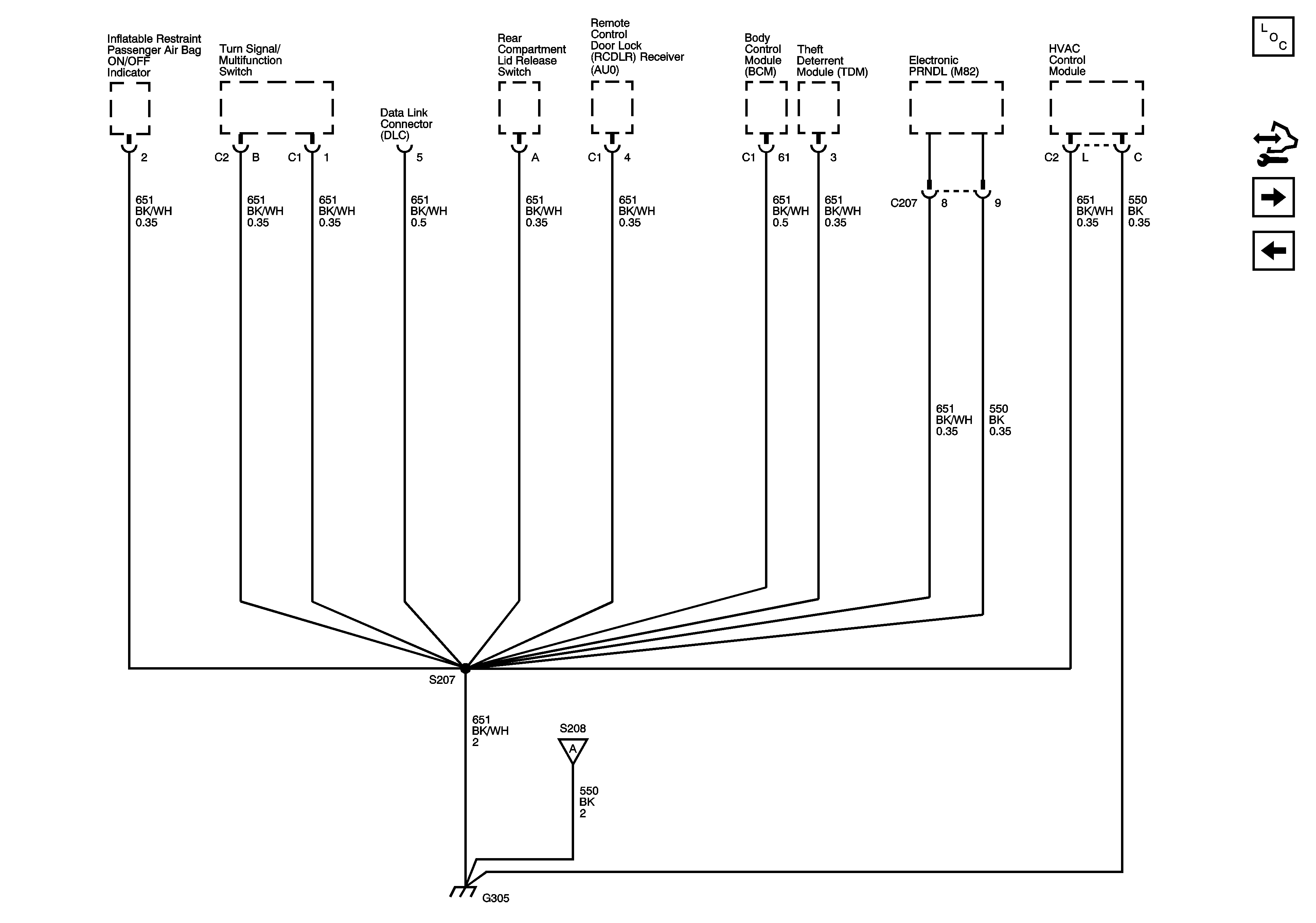
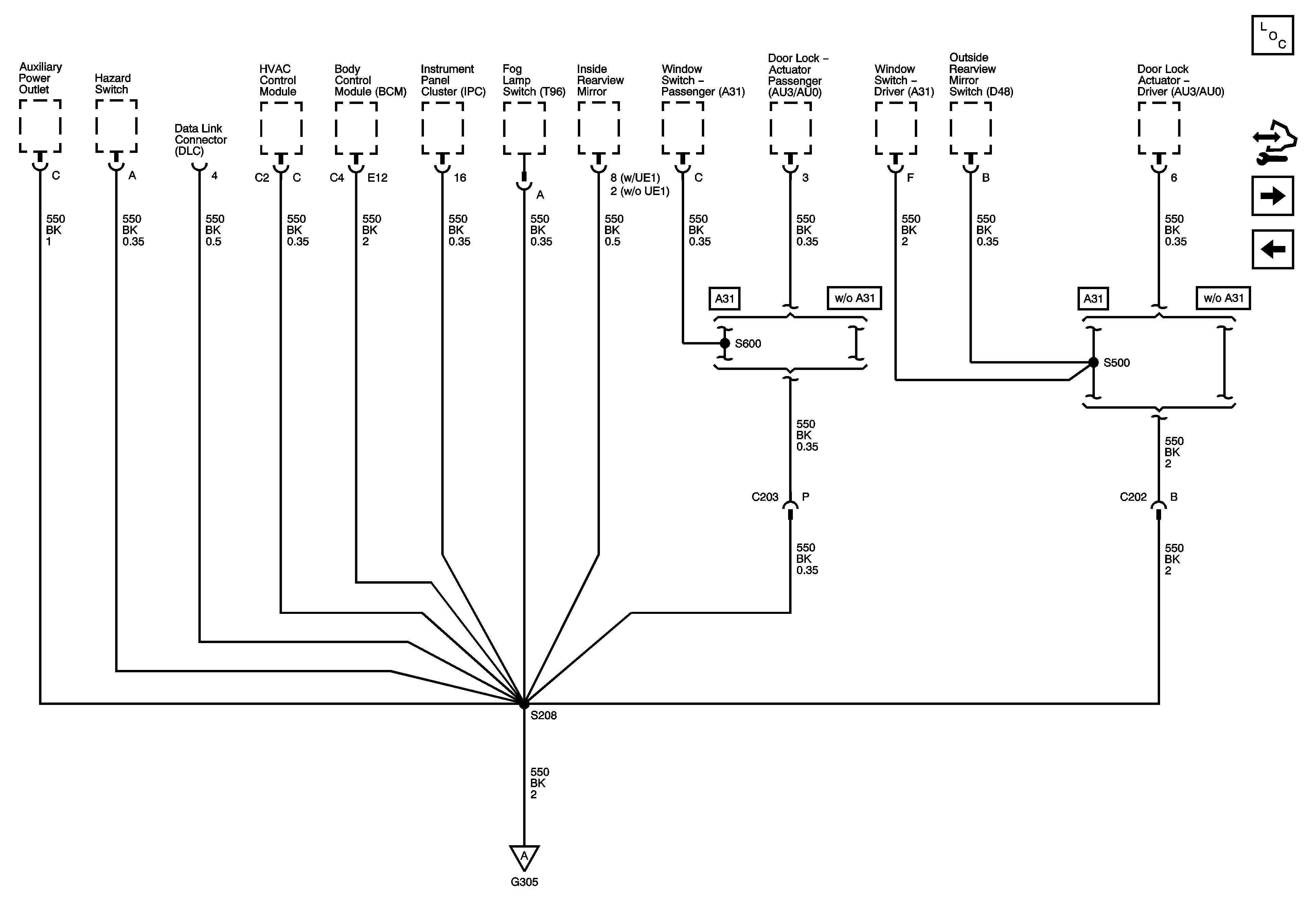
G305 (1 of 2)
G101 and G102
Figure 3:

G201 - 1 of 2


Object Number: 1560134  Size: FS
Master Electrical Component List
Control Module References
G305 (2 of 2)
G103, G204, G105, G104, and G106
Figure 4:

G201 - 2 of 2


Object Number: 1560137  Size: FS
Master Electrical Component List
Control Module References
G301, G102, G303, and G402
G305 (1 of 2)
Figure 5:

G301, G102, G303, and G402


Object Number: 1560139  Size: FS
Master Electrical Component List
Control Module References
G305 (2 of 2)