GM Service Manual Online
For 1990-2009 cars only

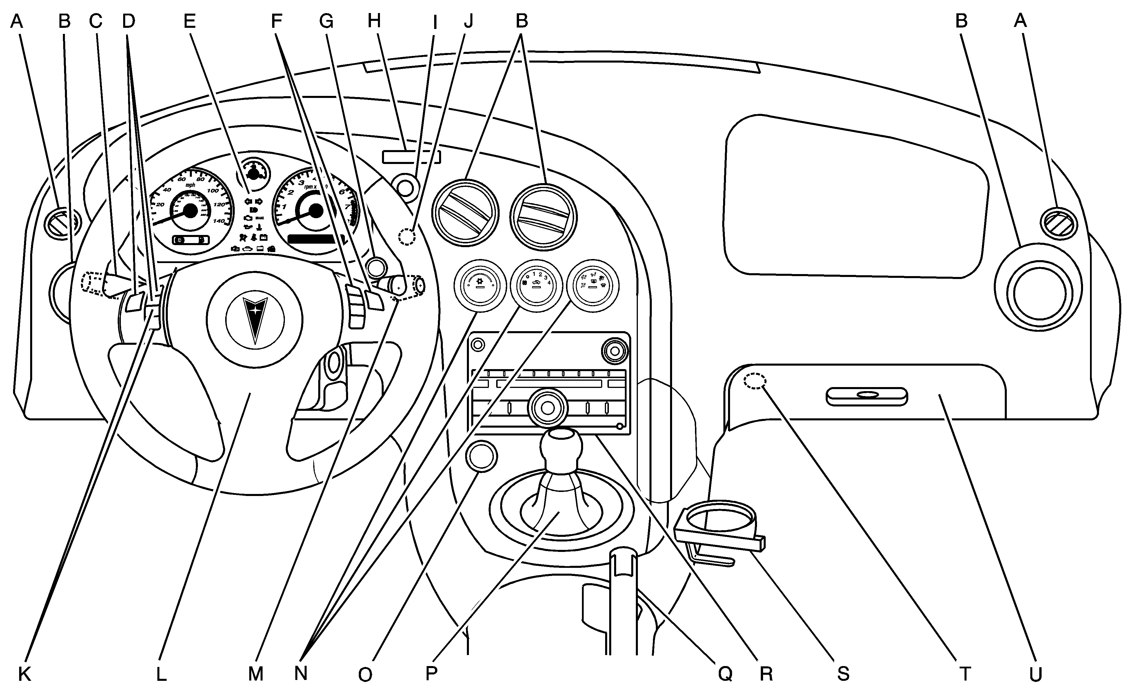
Object Number: 1547538  Size: C2

The main components of your instrument panel are the following:

  1. Side Window Outlets. See Climate Control System .

  2. Air Outlets. See Outlet Adjustment .

  3. Turn Signal/Multifunction Lever. See Turn Signal/Multifunction Lever .

  4. Cruise Control Buttons (If Equipped). See Cruise Control .

  5. Instrument Panel Cluster. See Instrument Panel Cluster .

  6. Audio Steering Wheel Controls (If Equipped). See Audio Steering Wheel Controls .

  7. Instrument Panel Brightness Control. See Instrument Panel Brightness .

  8. Passenger Air Bag Status Indicator. See Passenger Airbag Status Indicator .

  9. Hazard Warning Flashers Button. See Hazard Warning Flashers .

  10. Fog Lamp Button (If Equipped). See Fog Lamps .

  11. Driver Information Center (DIC) Controls (If Equipped). See Driver Information Center (DIC) .

  12. Horn. See Horn .

  13. Windshield Wiper/Washer Controls. See Windshield Wipers and Windshield Washer .

  14. Climate Controls. See Climate Control System .

  15. Cigarette Lighter (If Equipped). Accessory Power Outlet (If Equipped). See Ashtray(s) and Cigarette Lighter and Accessory Power Outlet(s) .

  16. Shift Lever. See Manual Transmission Operation . See Automatic Transmission Operation (if equipped with automatic transmission).

  17. Parking Brake Lever. See Parking Brake .

  18. Audio System. See Audio System(s) .

  19. Cupholder. See Cupholders .

  20. Trunk Release. See Trunk .

  21. Glove Box. See Glove Box .