GM Service Manual Online
For 1990-2009 cars only
Makes
🢒
Pontiac
🢒
2006
🢒
Solstice
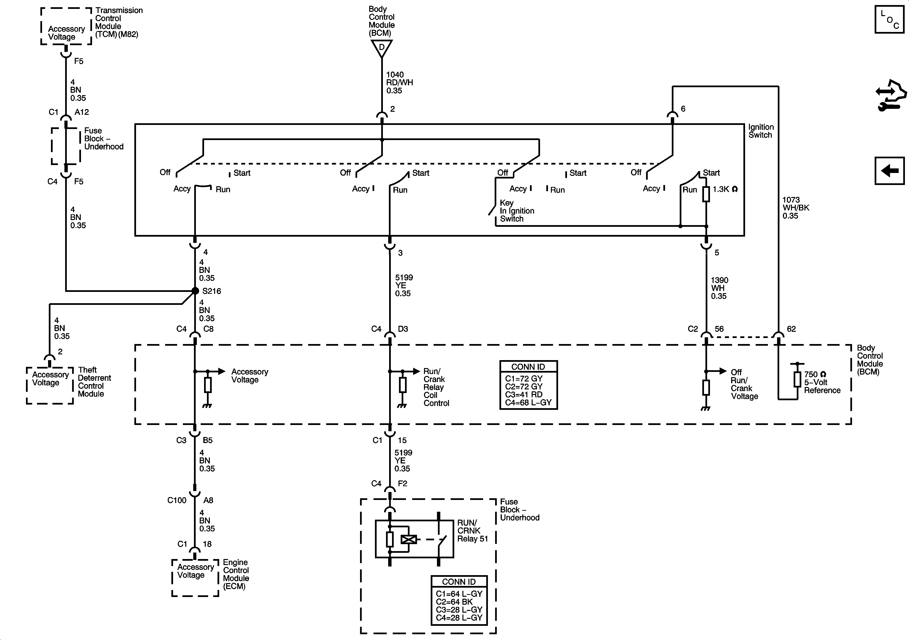
🢒 Ignition Switch Modes
Ignition Switch Modes
Ignition Switch Modes
Master Electrical Component List
Control Module References
AIR BAG, AMP, BCM 2, BCM 3, CLSTR, EPS/STR WHL CNTRL, HVAC/IP IGN, HVAC/PK3+, and WPR Fuses