GM Service Manual Online
For 1990-2009 cars only
Makes
🢒
Pontiac
🢒
2006
🢒
Solstice
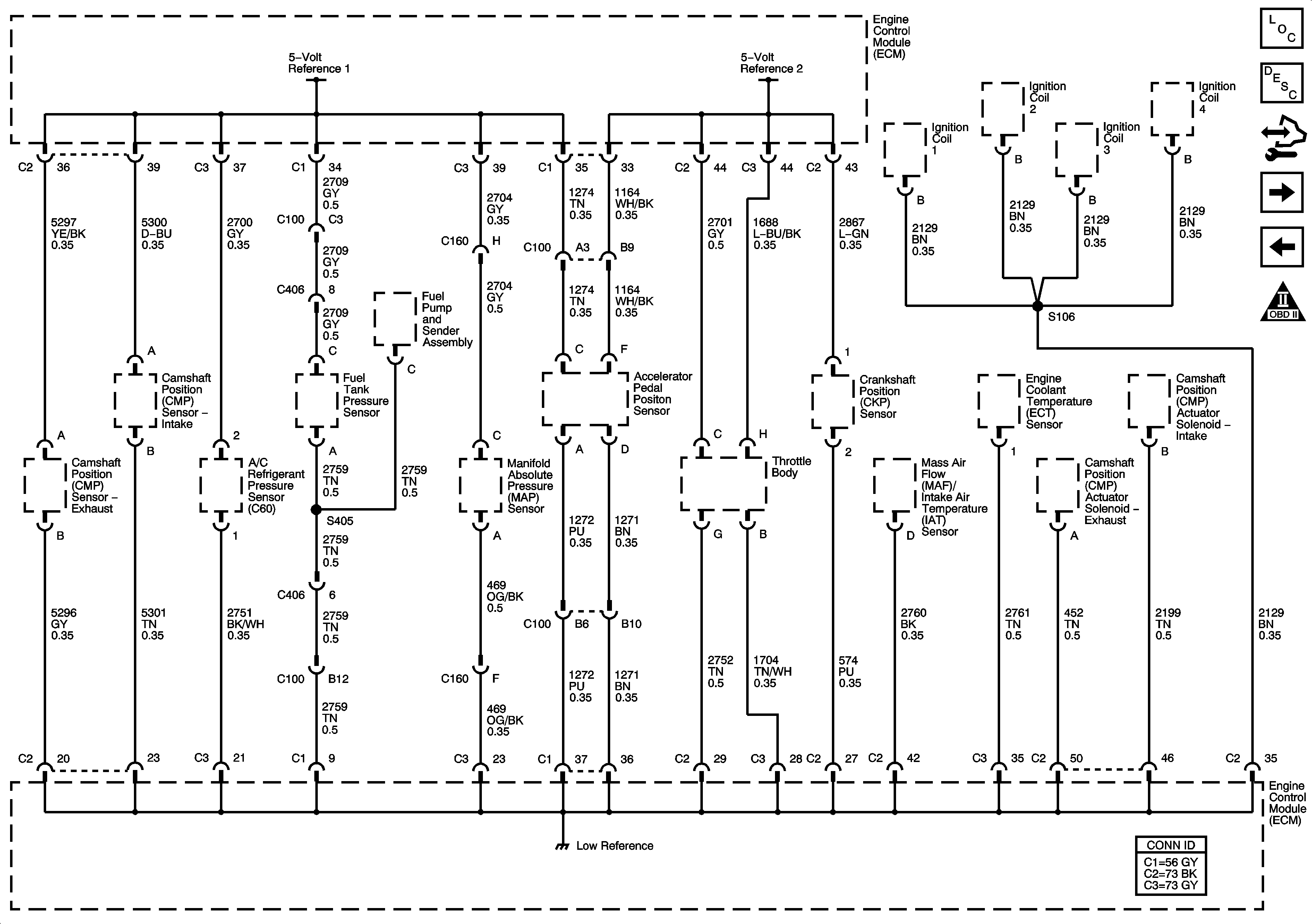
🢒 Engine Data Sensors - 5-Volt and Low Reference
Engine Data Sensors - 5-Volt and Low Reference
Engine Data Sensors - 5-Volt and Low Reference
Master Electrical Component List
Engine Control Module Description
Control Module References
Engine Data Sensors - Pressure and Temperature
Module Power, Ground, Serial Data, and MIL
Engine Controls Schematic Icons