GM Service Manual Online
For 1990-2009 cars only
Makes
🢒
Pontiac
🢒
2006
🢒
Solstice
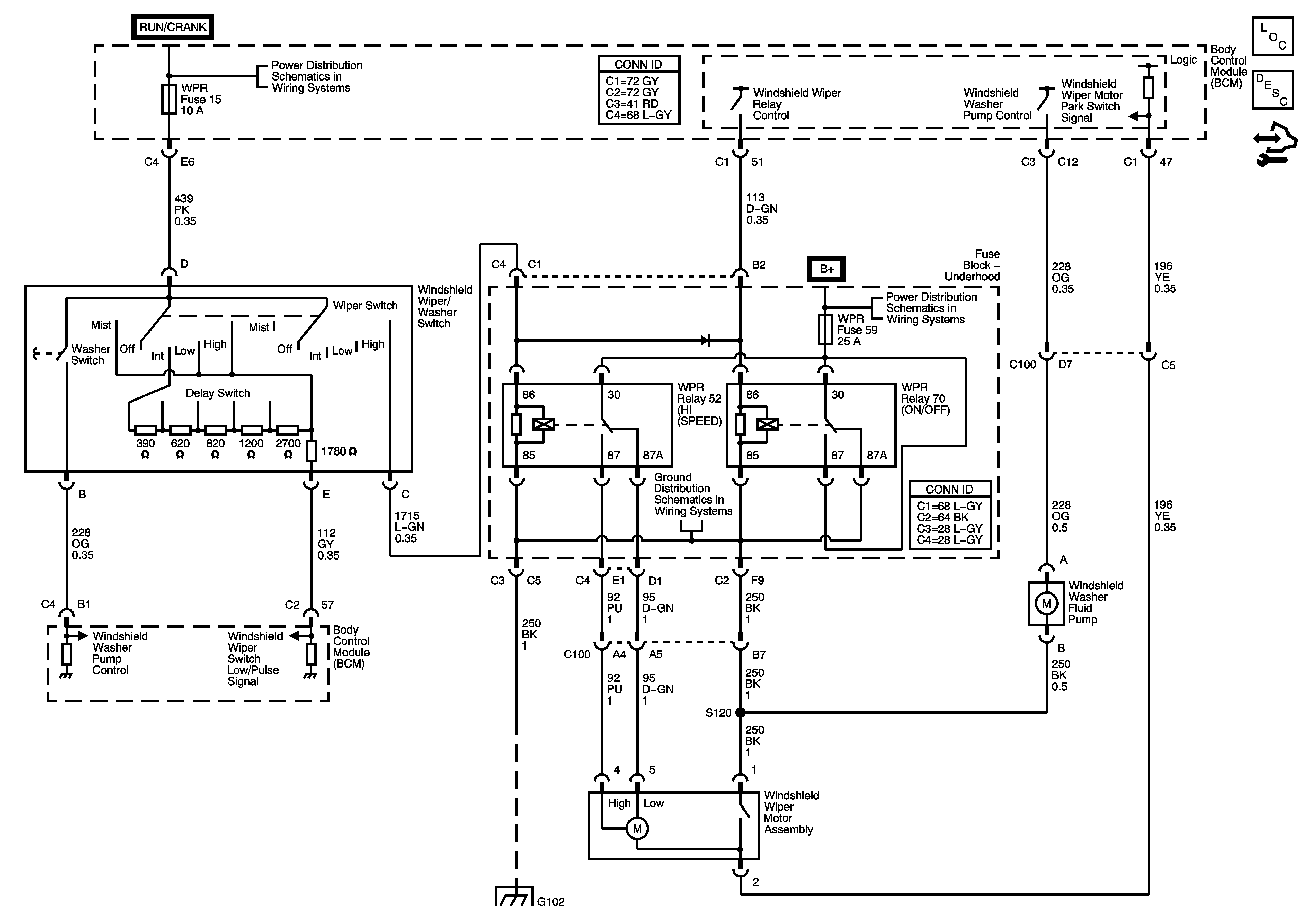
🢒 Wipers/Washer System Schematics
Wipers/Washer System Schematics
Master Electrical Component List
Wiper/Washer System Description and Operation
Control Module References
AIR BAG, AMP, BCM 2, BCM 3, CLSTR, EPS/STR WHL CNTRL, HVAC/IP IGN, HVAC/PK3+, and WPR Fuses
G101 and G102