GM Service Manual Online
For 1990-2009 cars only
Makes
🢒
Pontiac
🢒
2006
🢒
Solstice
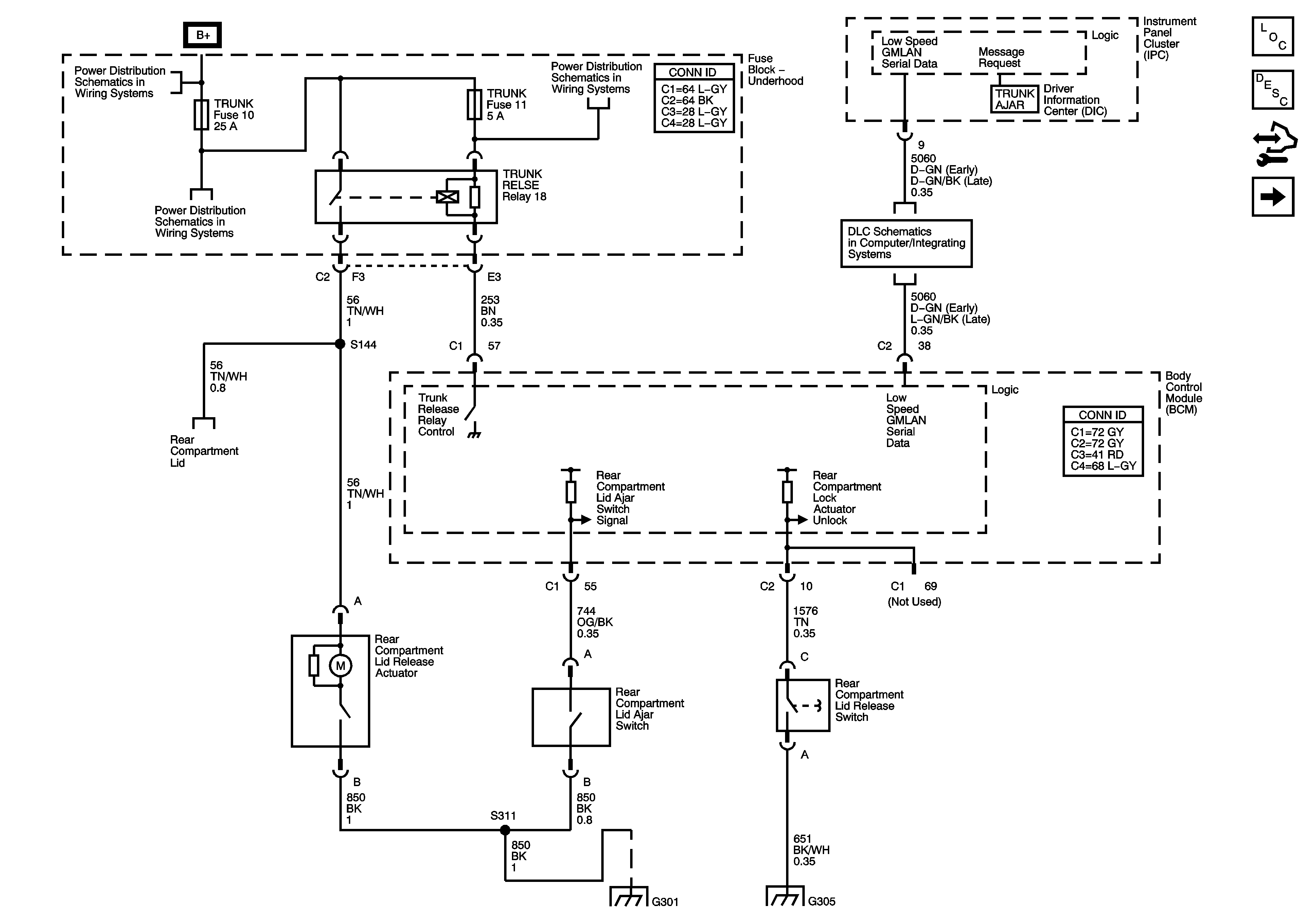
🢒 Body Rear End Schematics
Body Rear End Schematics
Rear Compartment Lid Release
Master Electrical Component List
Luggage Compartment Description and Operation
Control Module References
Folding Top
B+ Bus Bar - 1 of 2
B+ Bus Bar - 1 of 2
G301, G102, G303, and G402
G305 (1 of 2)