GM Service Manual Online
For 1990-2009 cars only
Makes
🢒
Pontiac
🢒
2006
🢒
Solstice
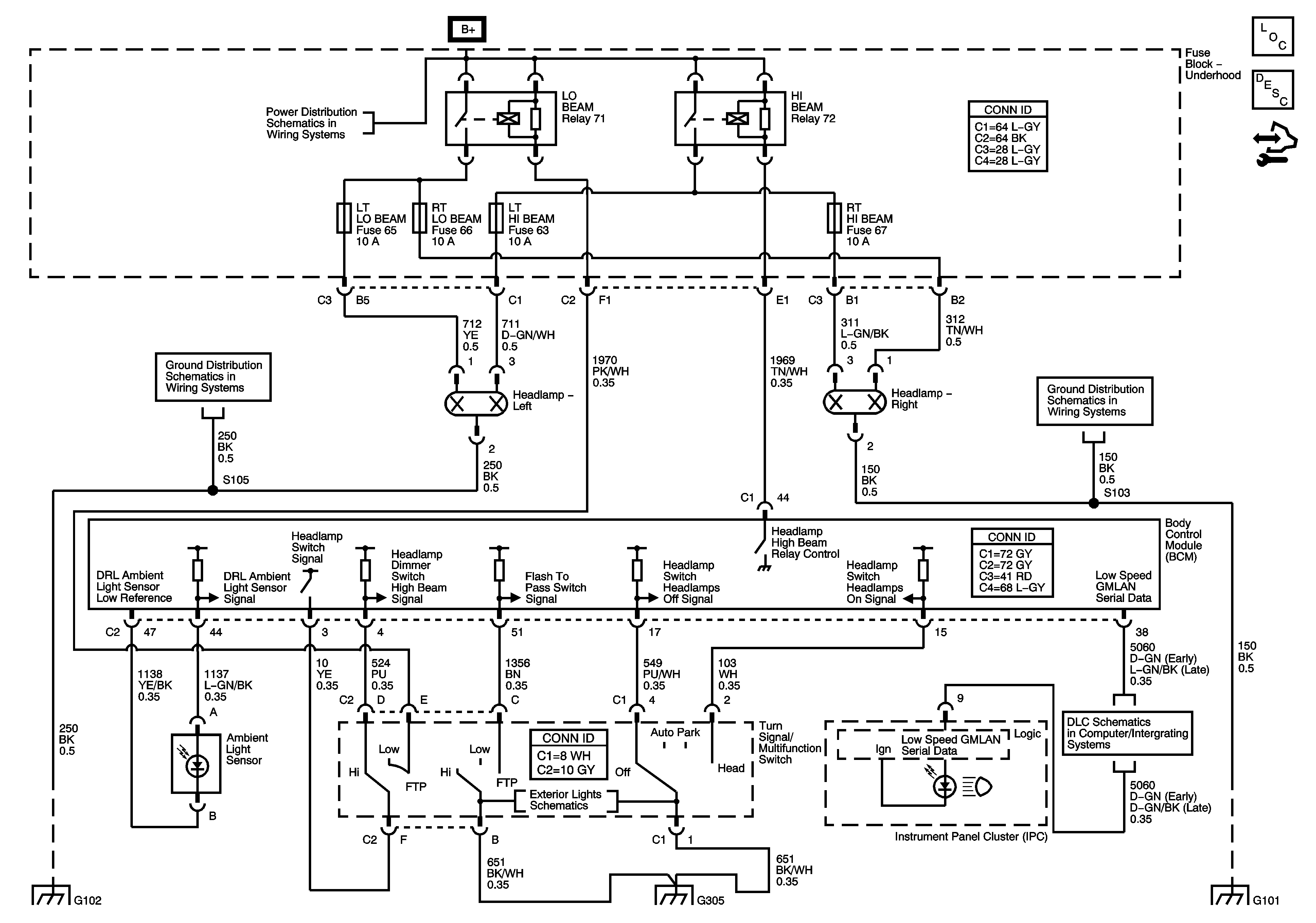
🢒 Headlamp/DRL Schematics
Headlamp/DRL Schematics
Master Electrical Component List
Exterior Lighting Systems Description and Operation
Control Module References
B+ Bus Bar - 1 of 2
G101 and G102
G101 and G102
G101 and G102
Hazards and Park Lamps
G305 (1 of 2)
G101 and G102