GM Service Manual Online
For 1990-2009 cars only

Object Number: 1466329  Size: LF
OBD II Symbol Description Notice

Circuit Description

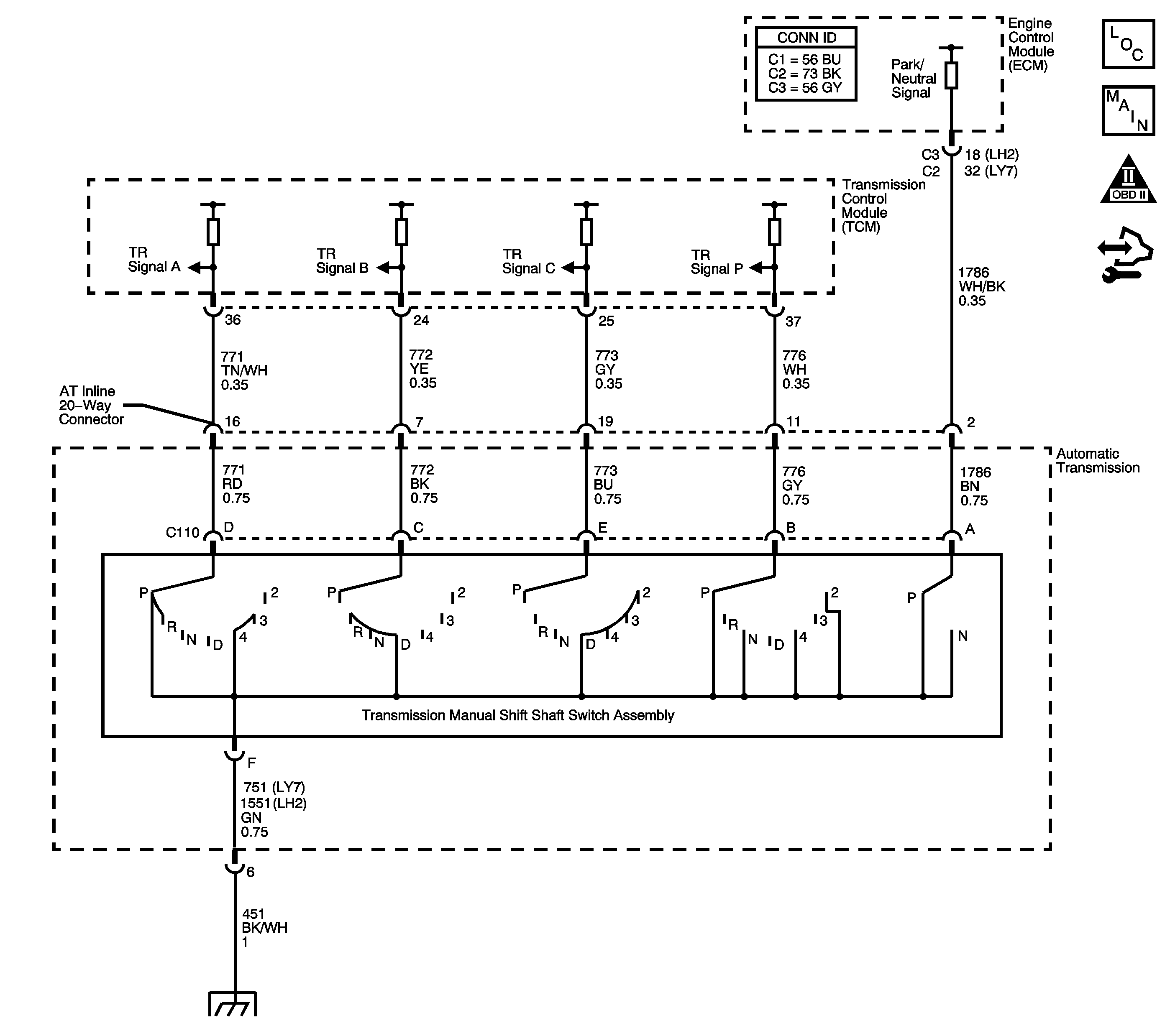
The transmission manual shift shaft switch assembly is a sliding contact switch attached to the control valve body within the transmission. The four inputs to the transmission control module (TCM) from the switch indicate which position is selected by the transmission selector lever. This information is used for engine controls as well as determining the transmission shift patterns. The input voltage at the TCM is high when the switch is open and low when the switch is closed to ground. The state of each input is displayed on the scan tool as IMS. The IMS input parameters represented are transmission range Signal A , Signal B, Signal C and Signal P.

If the TCM detects an invalid switch state while the engine is being started, then DTC P1915 sets. DTC P1915 is a type B DTC.

DTC Descriptor

This diagnostic procedure supports the following DTC:

DTC P1915 Internal Mode Switch Does Not Indicate Park/Neutral (P/N) During Start

Conditions for Running the DTC

    • No OSS DTC P0722 or P0723.
    • The transmission output shaft speed is less than 100 RPM.

Conditions for Setting the DTC

The manual shift shaft switch assembly indicates a transitional state during the following sequence:

    • The engine speed is 60 RPM or less for 0.25 second or greater.
    • The engine speed is 81-625 RPM for 0.15 second or greater.
    • The engine speed is 651 RPM or greater for 1.5 seconds or greater.
    • The transmission input shaft speed is 200 RPM or greater for 1.5 seconds or greater.

Action Taken When the DTC Sets

    • The TCM requests the ECM to illuminate the malfunction indicator lamp (MIL) during the second consecutive trip in which the Conditions for Setting the DTC are met.
    • The TCM commands maximum line pressure.
    • The TCM freezes transmission adaptive functions.
    • The TCM assumes a D shift pattern.
    • The ECM records the operating conditions when the Conditions for Setting the DTC are met. The ECM stores this information as Freeze Frame and Failure Records.
    • The TCM records the operating conditions when the Conditions for Setting the DTC are met. The TCM stores this information as Failure Records.
    • The TCM stores DTC P1915 in TCM history.

Conditions for Clearing the DTC

    • The ECM turns OFF the MIL after the third consecutive drive trip in which the TCM does not send a MIL illumination request.
    • A scan tool can clear the DTC.
    • The TCM clears the DTC from TCM history if the vehicle completes 40 warm-up cycles without a non emission related diagnostic fault occurring.
    • The TCM cancels the DTC default actions when the ignition is OFF long enough in order to power down the TCM.

Test Description

The numbers below refer to the step numbers on the diagnostic table.

  1. All HI values, in both PARK and DRIVE, indicate the ground circuit is OPEN.

  2. With the transmission 20-way connector disconnected, all IMS values should indicate HI.

  3. If one circuit affects the other, this indicates a short between the two circuits.

  4. This step tests the internal transmission harness. If no fault is found in the harness, the fault will be in the switch.

Step

Action

Value(s)

Yes

No

1

Did you perform the Diagnostic System Check - Vehicle?

--

Go to Step 2

Go to Diagnostic System Check - Vehicle

2

  1. Install a scan tool.
  2. Turn ON the ignition, with the engine OFF.
  3. Important: 

       • Before clearing the DTC, use the scan tool in order to record the ECM Freeze Frame and the TCM Failure Records. Using the Clear Info function erases the Freeze Frame and Failure Records from the ECM and the TCM.
       • Using the Clear Info function erases stored DTCs in both the ECM and TCM.

  4. Record the DTC Freeze Frame and Failure Records.
  5. Clear the DTC.
  6. Select Transmission Data on the scan tool.
  7. Select IMS range on the scan tool.
  8. Place the gear select lever in PARK, then move to NEUTRAL.

Does each range selected match the scan tool IMS range display?

--

Go to Testing for Intermittent Conditions and Poor Connections

Go to Step 3

3

  1. Select IMS A/B/C/P on the scan tool.
  2. Place the gear select lever in PARK, then move to D5.

Does the scan tool IMS A/B/C/P display indicate the specified value for each range?

HI/HI/HI/HI

Go to Step 14

Go to Step 4

4

  1. Inspect the transmission linkage from the range selector to the manual shift shaft for proper adjustment.
  2. Adjust the linkage as necessary.
  3. Refer to Manual Shift Shaft Position Switch Replacement .

Did the linkage require adjustment?

--

Go to Step 19

Go to Step 5

5

  1. Turn OFF the ignition.
  2. Disconnect the AT inline 20-way connector. Additional DTCs may set.
  3. Turn ON the ignition, with the engine OFF.
  4. Select IMS A/B/C/P on the scan tool.

Does the scan tool IMS A/B/C/P display all HI?

--

Go to Step 6

Go to Step 10

6

  1. Turn OFF the ignition.
  2. Install the J 45681 jumper harness on the TCM side of the AT inline 20-way connector.
  3. Turn ON the ignition, with the engine OFF.
  4. Using the DMM and the J 35616 GM terminal test kit, measure the voltage at the Transmission Range (TR) signal A circuit of the J 45681 .
  5. Refer to Automatic Transmission Inline 20-Way Connector End View .

  6. Measure the voltage at the TR signal B circuit of the J 45681 .
  7. Measure the voltage at the TR signal C circuit of the J 45681 .
  8. Measure the voltage at the TR signal P circuit of the J 45681 .

Did you measure ignition voltage at all four terminals?

--

Go to Step 7

Go to Step 11

7

Install a fused jumper wire from the TR signal A circuit of the J 45681 to ground while monitoring the scan tool IMS A/B/C/P display.

Refer to Automatic Transmission Inline 20-Way Connector End View .

When the TR signal A circuit is grounded, do any other circuits indicate LOW?

--

Go to Step 12

Go to Step 8

8

Install a fused jumper wire from the TR signal B circuit of the J 45681 to ground while monitoring the scan tool IMS A/B/C/P display.

Refer to Automatic Transmission Inline 20-Way Connector End View .

When the TR signal B circuit is grounded, do any other circuits indicate LOW?

--

Go to Step 12

Go to Step 9

9

Install a fused jumper wire from the TR signal C circuit of the J 45681 to ground while monitoring the scan tool IMS A/B/C/P display.

Refer to Automatic Transmission Inline 20-Way Connector End View .

When the TR signal C circuit is grounded, do any other circuits indicate LOW?

--

Go to Step 12

Go to Step 13

10

Test the TR signal circuits of the transmission manual shift shaft switch assembly that did not indicate HI for a short to ground between the TCM connector and the AT inline 20-way connector.

Refer to Testing for Short to Ground and Wiring Repairs .

Did you find and correct the condition?

--

Go to Step 19

Go to Step 18

11

Test the TR signal circuits of the transmission manual shift shaft switch assembly that did not indicate ignition voltage for an open between the TCM and the AT inline 20-way connector.

Refer to Testing for Continuity and Wiring Repairs .

Did you find and correct the condition?

--

Go to Step 19

Go to Step 18

12

Test the affected signal circuits of the transmission manual shift shaft switch assembly for a shorted together condition between the TCM connector and the AT inline 20-way connector.

Refer to Circuit Testing and Wiring Repairs .

Did you find and correct the condition?

--

Go to Step 19

Go to Step 18

13

Test the TR signal circuits of the transmission manual shift shaft switch assembly for an open or shorted condition between the AT inline 20-way connector and the switch.

Refer to Testing for Continuity .

Did you find the condition?

--

Go to Step 16

Go to Step 17

14

Test the ground circuit of the transmission manual shift shaft switch assembly for an open between the AT inline 20-way connector and the chassis.

Refer to Testing for Continuity and Wiring Repairs .

Did you find and correct the condition?

--

Go to Step 19

Go to Step 15

15

Test the ground circuit of the transmission manual shift shaft switch assembly for an open between the AT inline 20-way connector and the switch.

Refer to Testing for Continuity .

Did you find the condition?

--

Go to Step 16

Go to Step 17

16

Replace the automatic transmission wiring harness assembly. Refer to Transmission Internal Electrical Harness Replacement .

Did you complete the replacement?

--

Go to Step 19

--

17

Replace the transmission manual shift shaft switch assembly. Refer to Manual Shift Shaft Position Switch Replacement .

Is the action complete?

--

Go to Step 19

--

18

Replace the TCM. Refer to Control Module References for replacement, setup, and programming.

Is the action complete?

--

Go to Step 19

--

19

Perform the following procedure in order to verify the repair:

  1. Select DTC.
  2. Select Clear Info.
  3. Start the engine in PARK.
  4. Turn OFF the ignition.
  5. Start the engine in NEUTRAL.
  6. Select Specific DTC.
  7. Enter DTC P1915.

Has the test run and passed?

--

Go to Step 20

Go to Step 2

20

With the scan tool, observe the stored information, capture info and DTC info.

Does the scan tool display any DTCs that you have not diagnosed?

--

Go to Diagnostic Trouble Code (DTC) List - Vehicle

System OK