GM Service Manual Online
For 1990-2009 cars only

Notice: 

   • Turn the ignition OFF when installing or removing the control module connectors and disconnecting or reconnecting the power to the control module (battery cable, powertrain control module (PCM)/engine control module (ECM)/transaxle control module (TCM) pigtail, control module fuse, jumper cables, etc.) in order to prevent internal control module damage.
   • Control module damage may result when the metal case contacts battery voltage. DO NOT contact the control module metal case with battery voltage when servicing a control module, using battery booster cables, or when charging the vehicle battery.
   • In order to prevent any possible electrostatic discharge damage to the control module, do no touch the connector pins or the soldered components on the circuit board.
   • Remove any debris from around the control module connector surfaces before servicing the control module. Inspect the control module connector gaskets when diagnosing or replacing the control module. Ensure that the gaskets are installed correctly. The gaskets prevent contaminant intrusion into the control module.
   • The replacement control module must be programmed.

Important: It is necessary to record the remaining engine oil life. If the replacement module is not programed with the remaining engine oil life, the engine oil life will default to 100 percent. If the replacement module is not programmed with the remaining engine oil life, the engine oil will need to be changed at 5 000 km (3,000 mi) from the last engine oil change.

Removal Procedure


    Object Number: 1828318  Size: SH
  1. Using a scan tool, retrieve the percentage of remaining engine oil. Record the remaining engine oil life.
  2. Record the preset radio stations.
  3. Turn the ignition OFF.
  4. Disconnect the negative battery cable. Refer to Battery Negative Cable Disconnection and Connection .
  5. Remove the left front fender. Refer to Front Fender Replacement .
  6. Remove the windshield washer solvent container. Refer to Windshield Washer Solvent Container Replacement .
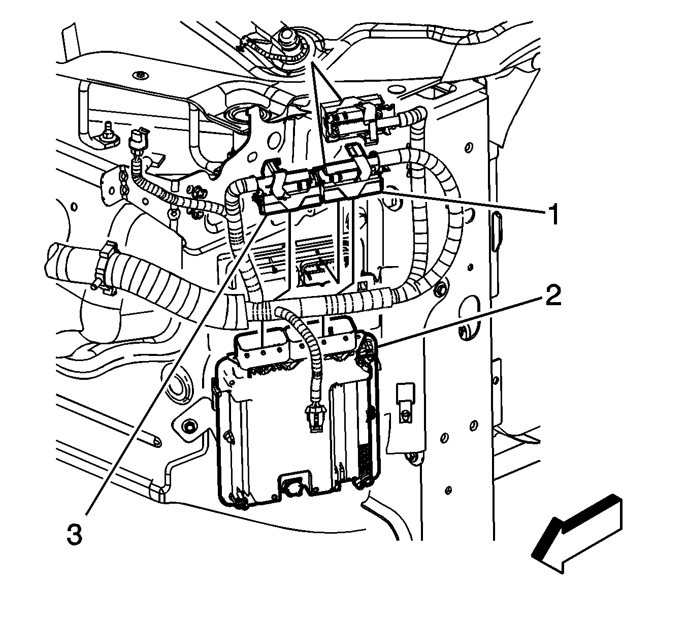
  7. Release the engine control module (ECM) bracket upper and lower retaining tabs (1, 2) using a small screwdriver or other suitable tool.
  8. Remove the ECM from the bracket by lifting upward after releasing the tabs.

  9. Object Number: 1828317  Size: SH
  10. Disconnect the engine wiring harness electrical connectors (1, 3) from the ECM (2).

Installation Procedure


    Object Number: 1828317  Size: SH
  1. Connect the engine wiring harness electrical connectors (1, 3) to the ECM (2).

  2. Object Number: 1828318  Size: SH
  3. Slide the ECM into the bracket.
  4. Push down on the ECM until the upper and lower retaining tabs (1, 2) snaps into place.
  5. Connect the negative battery cable. Refer to Battery Negative Cable Disconnection and Connection .
  6. Install the windshield washer solvent container. Refer to Windshield Washer Solvent Container Replacement .
  7. Install the left front fender. Refer to Front Fender Replacement .
  8. Reset the clock and preset radio stations.
  9. If a NEW ECM was installed, the ECM must be programmed. Refer to Control Module References .