GM Service Manual Online
For 1990-2009 cars only
Makes
🢒
Pontiac
🢒
2007
🢒
Solstice
🢒
Engine
🢒
Engine Controls and Fuel - 2.0L
🢒 Evaporative Emission Hoses/Pipes Replacement - Chassis/Canister
Removal Procedure
Remove the fuel tank. Refer to
Fuel Tank Replacement
.
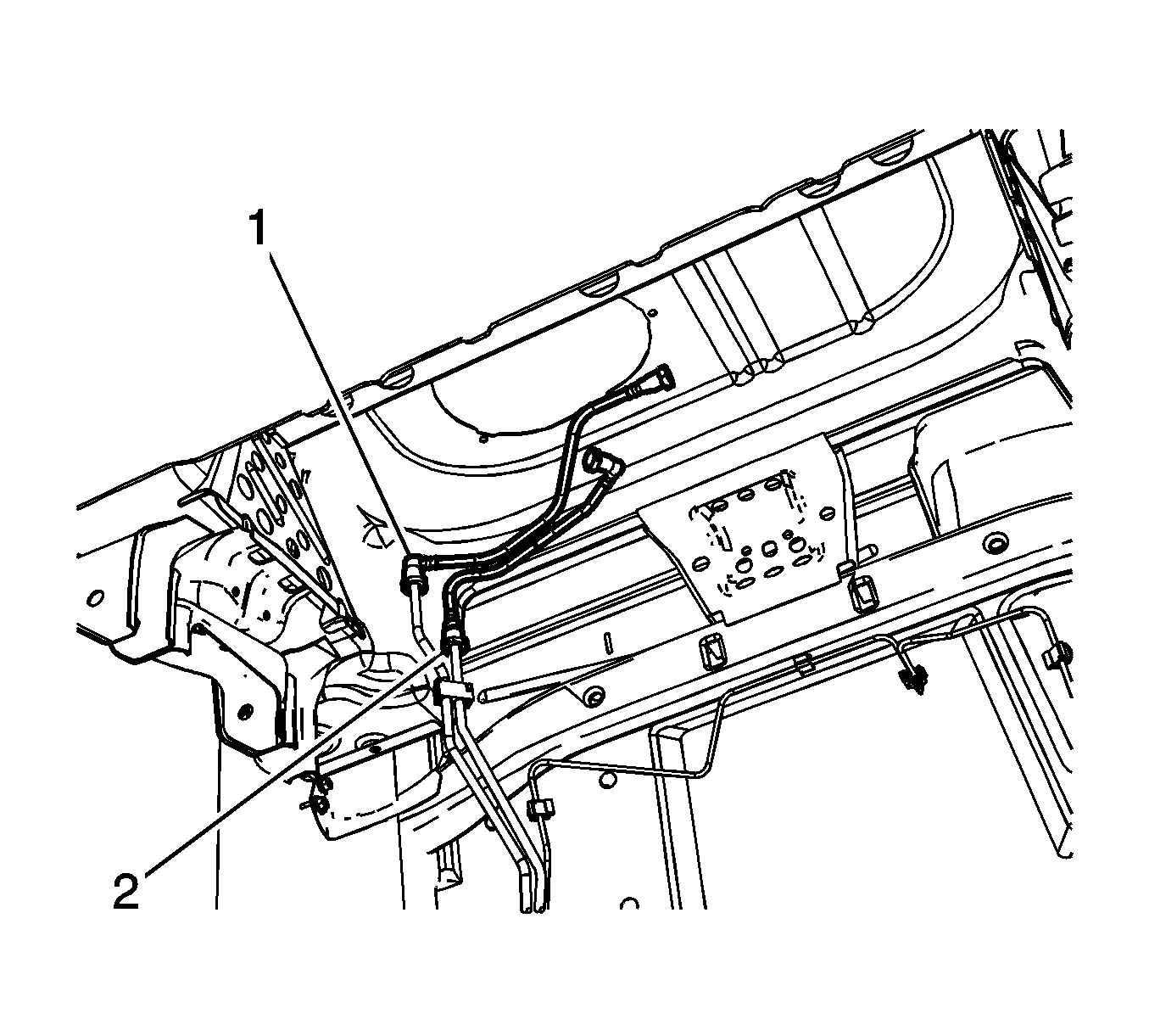
Disconnect the evaporative emission (EVAP) canister purge line quick connect fitting (1) at the chassis line. Refer to
Plastic Collar Quick Connect Fitting Service
.
Remove the EVAP canister purge line.
Installation Procedure
Install the EVAP canister purge line.
Connect the EVAP canister purge line quick connect fitting (1) to the chassis. Refer to
Plastic Collar Quick Connect Fitting Service
.
Install the fuel tank. Refer to
Fuel Tank Replacement
.