GM Service Manual Online
For 1990-2009 cars only

Removal Procedure


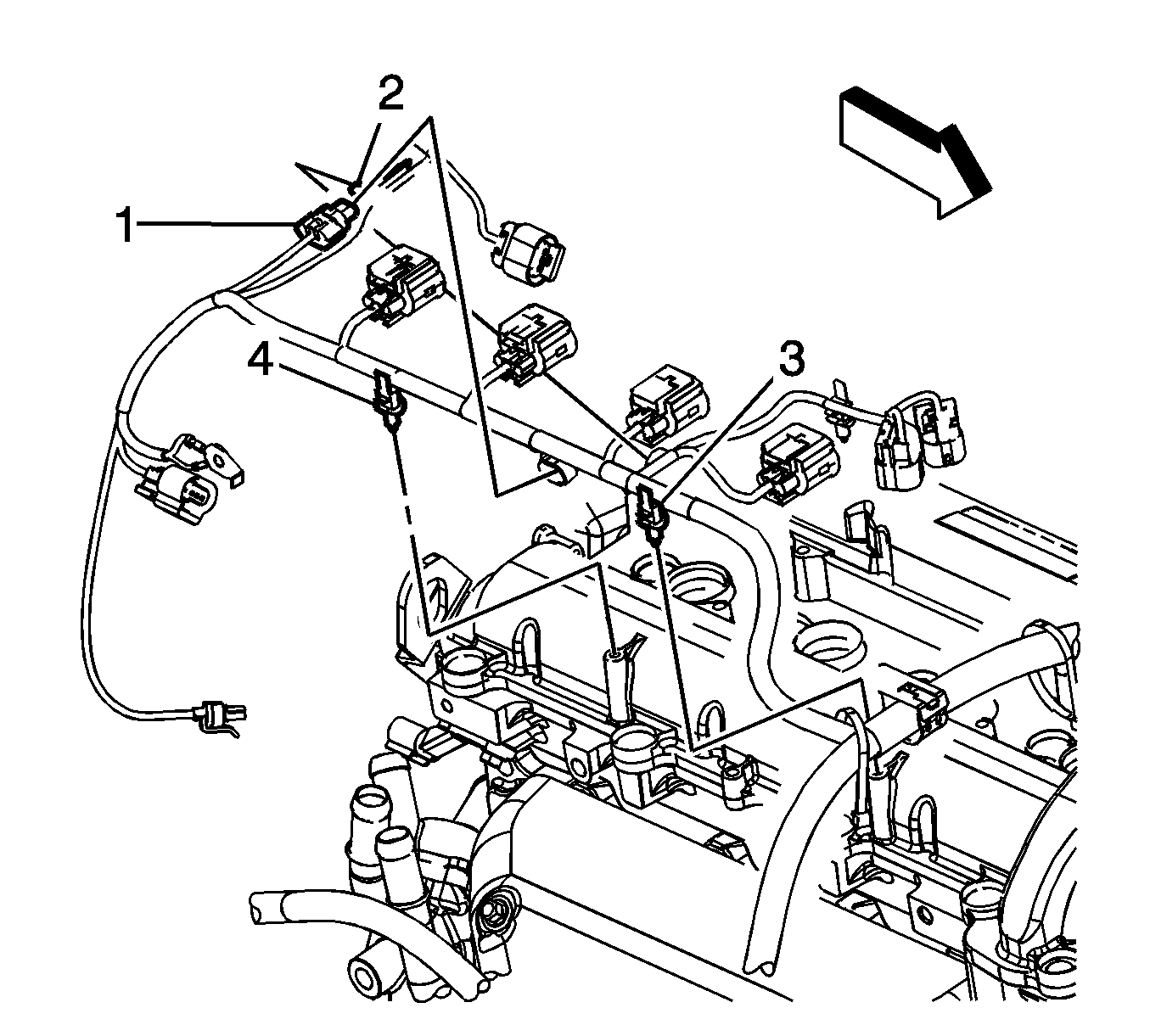
    Object Number: 1591661  Size: SH
  1. Remove the air inlet grille panel. Refer to Air Inlet Grille Panel Replacement .
  2. Disconnect the evaporative emission (EVAP) canister purge valve electrical connector (1).

  3. Object Number: 1571757  Size: SH
  4. Disconnect the EVAP canister purge valve tube. Refer to Plastic Collar Quick Connect Fitting Service .
  5. Disconnect the chassis EVAP vapor line from the EVAP canister purge valve. Refer to Plastic Collar Quick Connect Fitting Service .

  6. Object Number: 1578478  Size: SH
  7. Remove the EVAP canister purge valve bracket bolt.
  8. Remove the EVAP canister purge valve with bracket.
  9. Remove the EVAP canister purge valve from the bracket.
  10. Inspect for carbon release in the EVAP canister purge valve ports. If there is any loose carbon, replace the EVAP canister and any components necessary to remove the carbon particles.

Installation Procedure


    Object Number: 1578478  Size: SH
  1. Install the EVAP canister purge valve to the bracket.
  2. Notice: Refer to Fastener Notice in the Preface section.

  3. Position the EVAP canister purge valve with bracket to the cylinder head.
  4. Install the EVAP canister purge valve bracket bolt.
  5. Tighten
    Tighten the bolt to 25 N·m (18 lb ft).


    Object Number: 1571757  Size: SH
  6. Connect the EVAP canister purge valve tube. Refer to Plastic Collar Quick Connect Fitting Service .
  7. Connect the chassis EVAP vapor line to the EVAP canister purge valve. Refer to Plastic Collar Quick Connect Fitting Service .

  8. Object Number: 1591661  Size: SH
  9. Connect the EVAP canister purge valve electrical connector (1).
  10. Install the air inlet grille panel. Refer to Air Inlet Grille Panel Replacement .