GM Service Manual Online
For 1990-2009 cars only

Removal Procedure

Notice: Cap the fittings and plug the holes when servicing the fuel system in order to prevent dirt and other contaminants from entering the open pipes and passages.


    Object Number: 1594369  Size: SH
  1. Remove the rear compartment trim panel. Refer to Rear Compartment Trim Panel Replacement .
  2. Remove the fuel pump module access cover bolts.
  3. Remove the fuel pump module access cover.

  4. Object Number: 1594362  Size: SH
  5. Remove the fuel fill pipe housing bolts.
  6. Remove the fuel fill pipe housing.
  7. Remove the rear wheelhouse liner. Refer to Rear Wheelhouse Panel Liner Replacement .

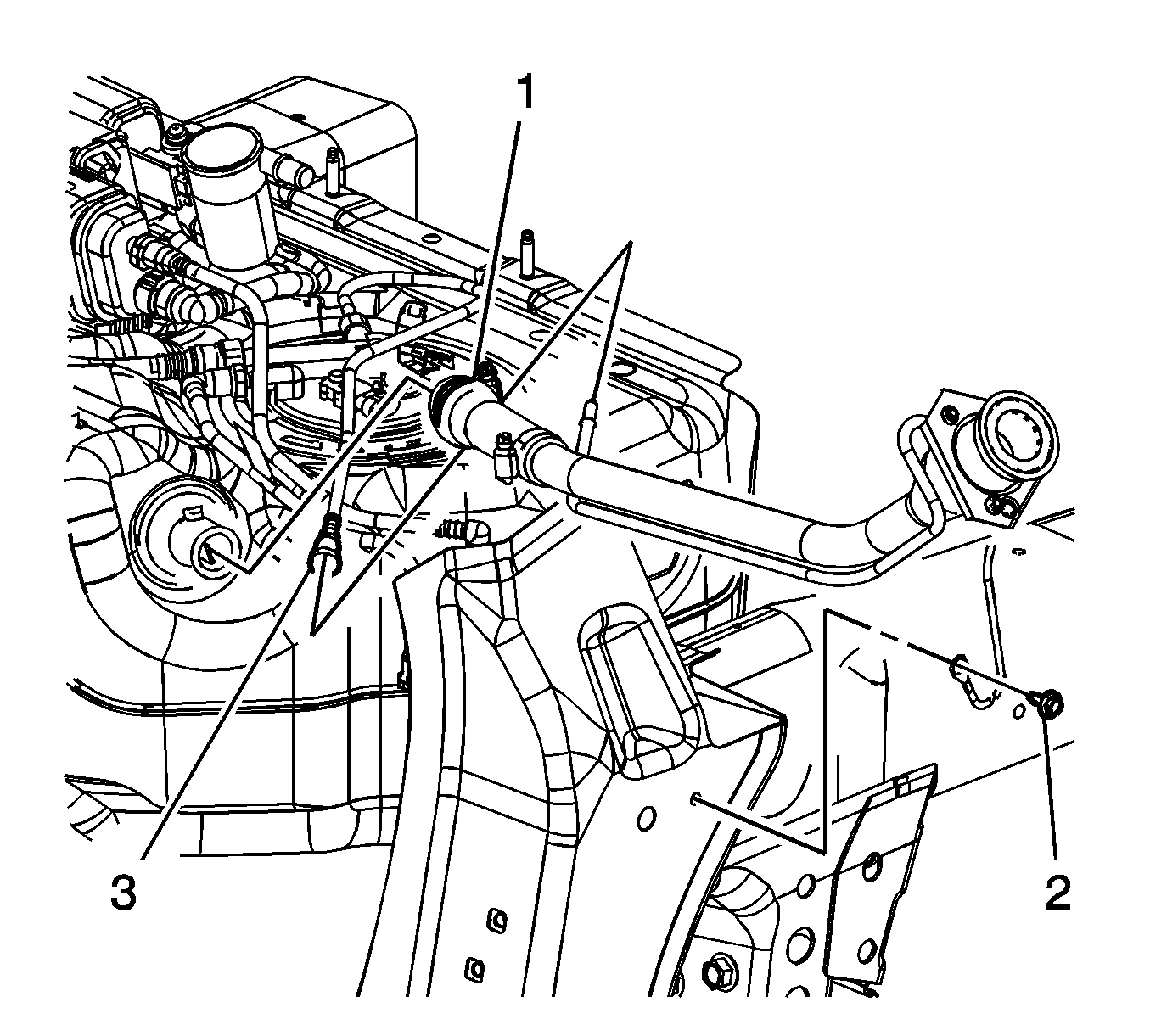
  8. Object Number: 1594365  Size: SH
  9. Remove the fill pipe ground strap bolt (2).
  10. Disconnect the fuel tank fill evaporative emission (EVAP) line quick connect fitting (3). Refer to Plastic Collar Quick Connect Fitting Service .
  11. Loosen the fuel fill pipe hose clamp (1) at the fuel tank.
  12. Separate and remove the fuel fill pipe hose assembly.
  13. Cover or plug the fuel tank opening and the EVAP line in order to prevent fuel loss and/or system contamination.

Installation Procedure


    Object Number: 1594365  Size: SH
  1. Remove the cover and/or plug from the fuel tank opening and the EVAP line.
  2. Install the fuel fill pipe hose assembly.
  3. Notice: Refer to Fastener Notice in the Preface section.

  4. Tighten the fuel fill pipe hose clamp (1) at the fuel tank.
  5. Tighten
    Tighten the clamp to 2.5 N·m (22 lb in).

  6. Connect the fuel tank fill EVAP line quick connect fitting (3). Refer to Plastic Collar Quick Connect Fitting Service .
  7. Install the fill pipe ground strap bolt (2).
  8. Tighten
    Tighten the bolt to 9 N·m (80 lb in).


    Object Number: 1594362  Size: SH
  9. Install the rear wheelhouse liner. Refer to Rear Wheelhouse Panel Liner Replacement .
  10. Install the fuel fill pipe housing.
  11. Install the fuel fill pipe housing bolts.
  12. Tighten
    Tighten the bolts to 1.5 N·m (13 lb in).


    Object Number: 1594369  Size: SH
  13. Install the pump module access cover.
  14. Install the fuel pump module access cover bolts.
  15. Tighten
    Tighten the bolts to 10 N·m (89 lb in).

  16. Install the rear compartment trim panel. Refer to Rear Compartment Trim Panel Replacement .