GM Service Manual Online
For 1990-2009 cars only

Removal Procedure


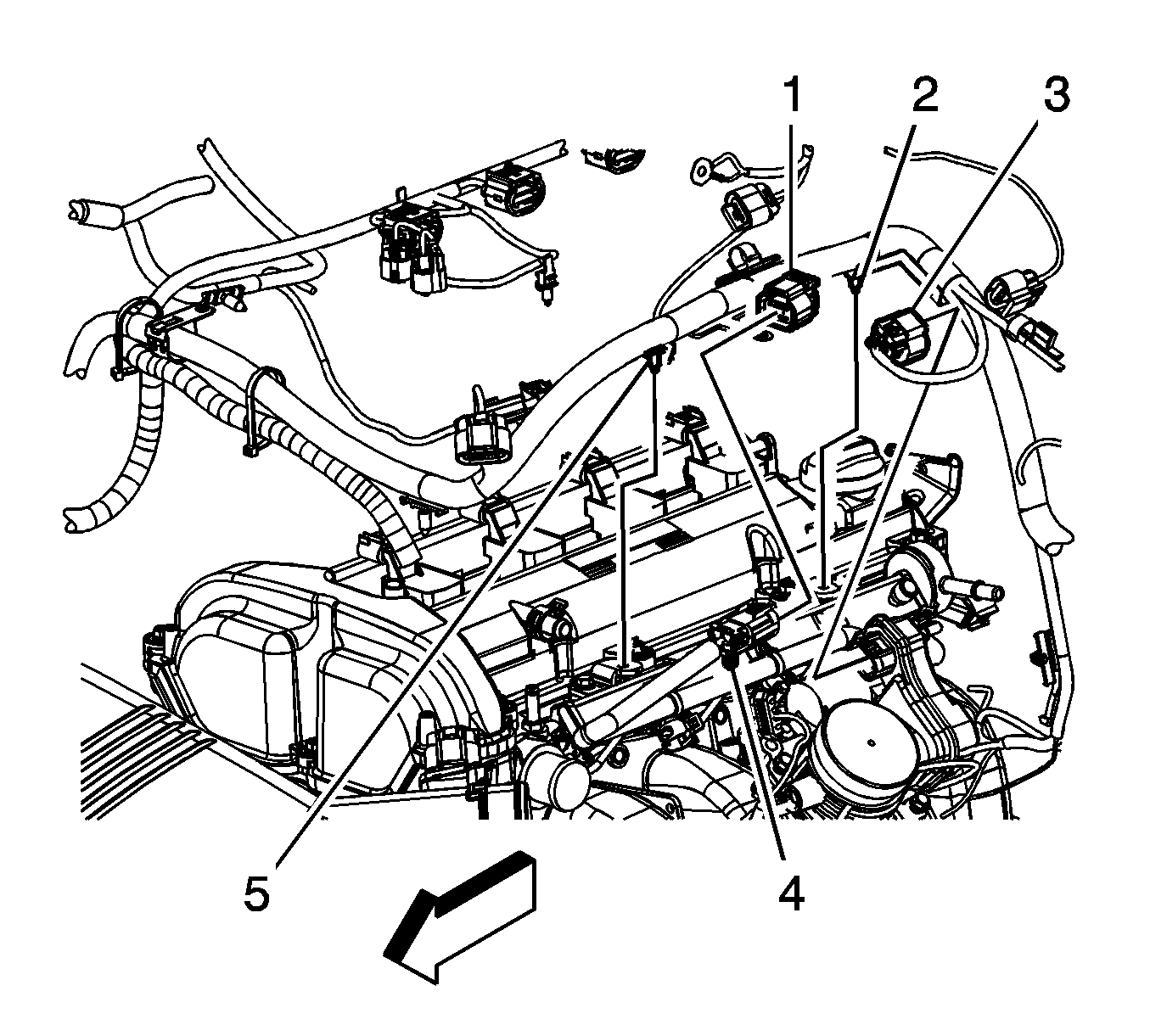
    Object Number: 1590626  Size: SH
  1. Relieve the fuel system pressure. Refer to Fuel Pressure Relief .
  2. Disconnect the fuel feed line quick connect fitting from the fuel rail. Refer to Metal Collar Quick Connect Fitting Service .
  3. Remove the air cleaner outlet duct. Refer to Air Cleaner Outlet Resonator Replacement .
  4. Disconnect the fuel injector inline electrical connector (1).
  5. Disconnect the electronic throttle control (ETC) electrical connector (3).
  6. Remove the 2 engine harness clips (2, 5) from the fuel rail tabs.

  7. Object Number: 1714998  Size: SH
  8. Remove the fuel rail bolts (1).
  9. Important: Use care when removing the fuel rail assembly in order to prevent damage to the fuel injectors electrical connector terminals and spray tips.

  10. Pull the fuel rail back and upward in order to release the fuel injectors from the cylinder head ports.
  11. Remove the fuel rail.
  12. Remove the fuel injectors, if necessary. Refer to Fuel Injector Replacement .
  13. If the fuel injectors are also being replaced, remove the fuel injector insulators (2).

Installation Procedure


    Object Number: 1714998  Size: SH

    Important: Install NEW lower O-rings when reusing fuel injectors. Lubricate the lower O-rings prior to installing the injectors into the intake manifold.

  1. Install the fuel injectors, if necessary. Refer to Fuel Injector Replacement .
  2. If new fuel injectors are being used, lubricate the NEW fuel injector insulators (2) with clean engine oil and install them to the cylinder head.
  3. With the fuel injectors positioned downward, lower the fuel injectors into the cylinder head ports.
  4. Notice: Refer to Fastener Notice in the Preface section.

  5. Carefully push the fuel injectors into the cylinder head ports.
  6. Install the fuel rail bolts (1).
  7. Tighten
    Tighten the bolts to 10 N·m (89 lb in).


    Object Number: 1590626  Size: SH
  8. Install the 2 engine harness clips (2, 5) to the fuel rail tabs.
  9. Connect the ETC electrical connector (3).
  10. Connect the fuel injector inline electrical connector (1).
  11. Install the air cleaner outlet duct. Refer to Air Cleaner Outlet Resonator Replacement .
  12. Connect the fuel feed line quick connect fitting to the fuel rail. Refer to Metal Collar Quick Connect Fitting Service .
  13. Connect the negative battery cable. Refer to Battery Negative Cable Disconnection and Connection .
  14. Inspect for fuel leaks using the following procedure:
  15. 12.1. Turn ON the ignition, with the engine OFF for 2 seconds.
    12.2. Turn OFF the ignition for 10 seconds.
    12.3. Turn ON the ignition.
    12.4. Inspect for fuel leaks.