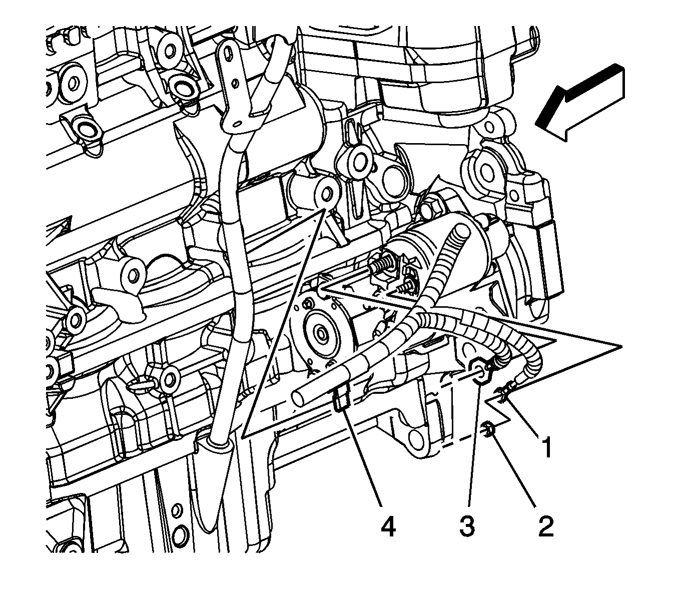
Notice: Refer to Fastener Notice in the Preface section.
Tighten Tighten the bolt to 10 N·m (89 lb in).
Tighten Tighten the clamps to 5 N·m (44 lb in).