GM Service Manual Online
For 1990-2009 cars only

Removal Procedure


    Object Number: 1826449  Size: SH
  1. Drain the cooling system. Refer to Cooling System Draining and Filling .
  2. Remove the air inlet grille panel. Refer to Air Inlet Grille Panel Replacement .
  3. Remove the intake camshaft position (CMP) sensor.
  4. Remove the air inlet screen support nuts and support.

  5. Object Number: 1826444  Size: SH
  6. Reposition the radiator outlet hose clamp (2) at the thermostat housing.
  7. Remove the radiator outlet hose from the thermostat housing for access and removal of the oil cooler.
  8. Reposition the radiator outlet hose clamp (1) at the oil cooler.
  9. Remove the radiator outlet hose from the oil cooler.
  10. Remove the radiator outlet hose clip (3) from the bracket.

  11. Object Number: 1826446  Size: SH
  12. Reposition the surge tank outlet hose clamp (1) at the oil cooler.
  13. Remove the surge tank outlet hose from the oil cooler.

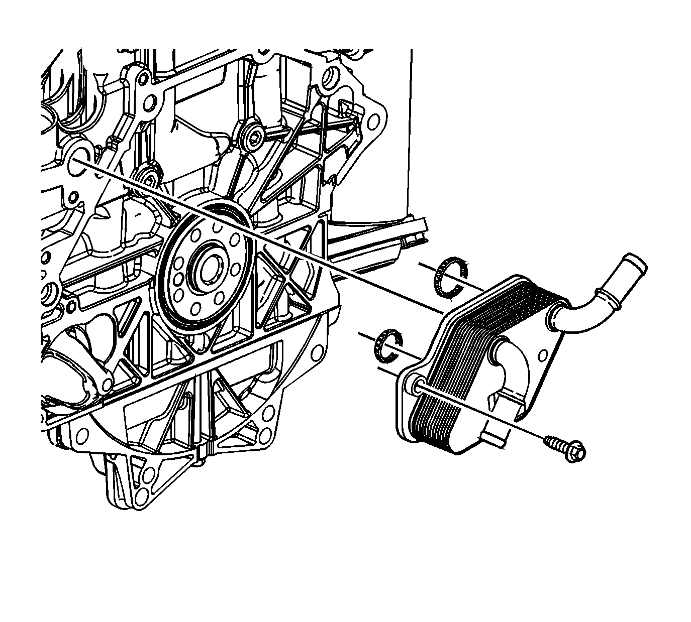
  14. Object Number: 1769545  Size: SH
  15. Remove the oil cooler bolts.
  16. Remove the oil cooler.

Installation Procedure

    Notice: Refer to Fastener Notice in the Preface section.


    Object Number: 1769545  Size: SH
  1. Position the oil cooler to the engine block.
  2. Install the oil cooler bolts.
  3. Tighten
    Tighten the bolts to 22 N·m (16 lb ft).


    Object Number: 1826446  Size: SH
  4. Install the surge tank outlet hose to the oil cooler.
  5. Position the surge tank outlet hose clamp (1) at the oil cooler.

  6. Object Number: 1826444  Size: SH
  7. Install the radiator outlet hose to the oil cooler.
  8. Install the radiator outlet hose to the thermostat housing.
  9. Position the radiator outlet hose clamp (2) at the thermostat housing.
  10. Position the radiator outlet hose clamp (1) at the oil cooler.
  11. Install the radiator outlet hose clip (3) to the bracket.

  12. Object Number: 1826449  Size: SH
  13. Install the air inlet screen support and nuts.
  14. Tighten
    Tighten the nuts to 10 N·m (89 lb in).

  15. Install the intake CMP sensor.
  16. Install the air inlet grille panel. Refer to Air Inlet Grille Panel Replacement .
  17. Fill the cooling system. Refer to Cooling System Draining and Filling .