GM Service Manual Online
For 1990-2009 cars only

    Object Number: 1769573  Size: SH
  1. Remove the turbocharger heat shield bolts.
  2. Remove the turbocharger heat shield.

  3. Object Number: 1769604  Size: SH
  4. Remove the catalytic converter nuts and bolts.
  5. Remove the catalytic converter.
  6. Remove the catalytic converter seal.

  7. Object Number: 1769622  Size: SH

    Notice: Do not twist the turbocharger oil feed pipe. Twisting of the feed pipe will result in the collapse and deformation of the plastic pipe, restricting oil flow and causing turbocharger damage. During turbocharger replacement, gently push the oil feed pipe towards the front of the engine to clear the turbocharger. Assistance may be required to keep the pipes clear of the turbocharger during removal or installation.

  8. Remove the turbocharger oil feed pipe bolts.
  9. Remove the turbocharger oil feed pipe gaskets.
  10. Remove the turbocharger oil feed pipe.

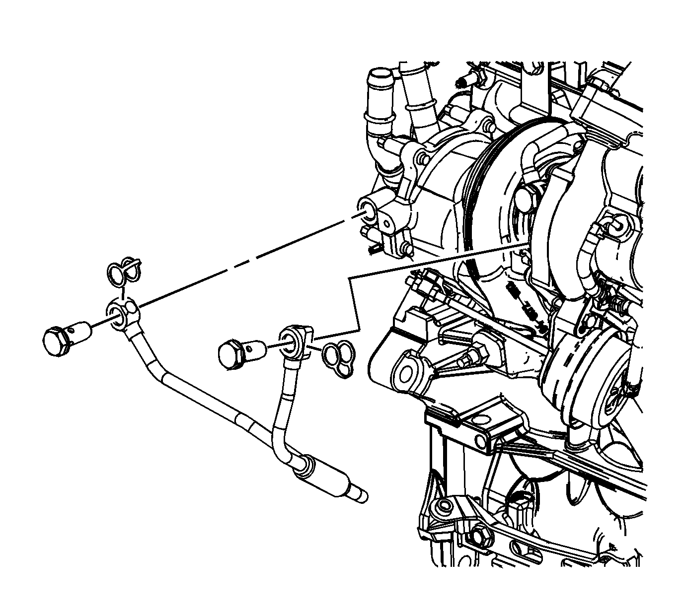
  11. Object Number: 1769624  Size: SH
  12. Remove the turbocharger coolant return pipe bolts.
  13. Remove the turbocharger coolant return pipe gaskets.
  14. Remove the turbocharger coolant return pipe.

  15. Object Number: 1769629  Size: SH
  16. Remove the turbocharger air cooler outlet pipe bolts.
  17. Remove the turbocharger air cooler outlet pipe.

  18. Object Number: 1769641  Size: SH
  19. Remove the turbocharger coolant feed pipe bolts.
  20. Remove the turbocharger coolant feed pipe gaskets.
  21. Remove the turbocharger coolant feed pipe.

  22. Object Number: 1769643  Size: SH
  23. Remove the catalytic converter bracket bolt and nut.
  24. Remove the catalytic converter bracket.

  25. Object Number: 1769644  Size: SH
  26. Remove the turbocharger brace nut.
  27. Remove the turbocharger brace.

  28. Object Number: 1769646  Size: SH
  29. Remove the turbocharger oil return pipe bolts.
  30. Remove the turbocharger oil return pipe.
  31. Remove and discard the turbocharger oil return pipe gasket.

  32. Object Number: 1769653  Size: SH
  33. Remove the PCV hose fitting bolt.
  34. Remove the PCV hose fitting from the turbocharger with the hose still attached.
  35. Remove the turbocharger nuts.
  36. Remove the turbocharger.
  37. Remove the turbocharger gasket.