GM Service Manual Online
For 1990-2009 cars only

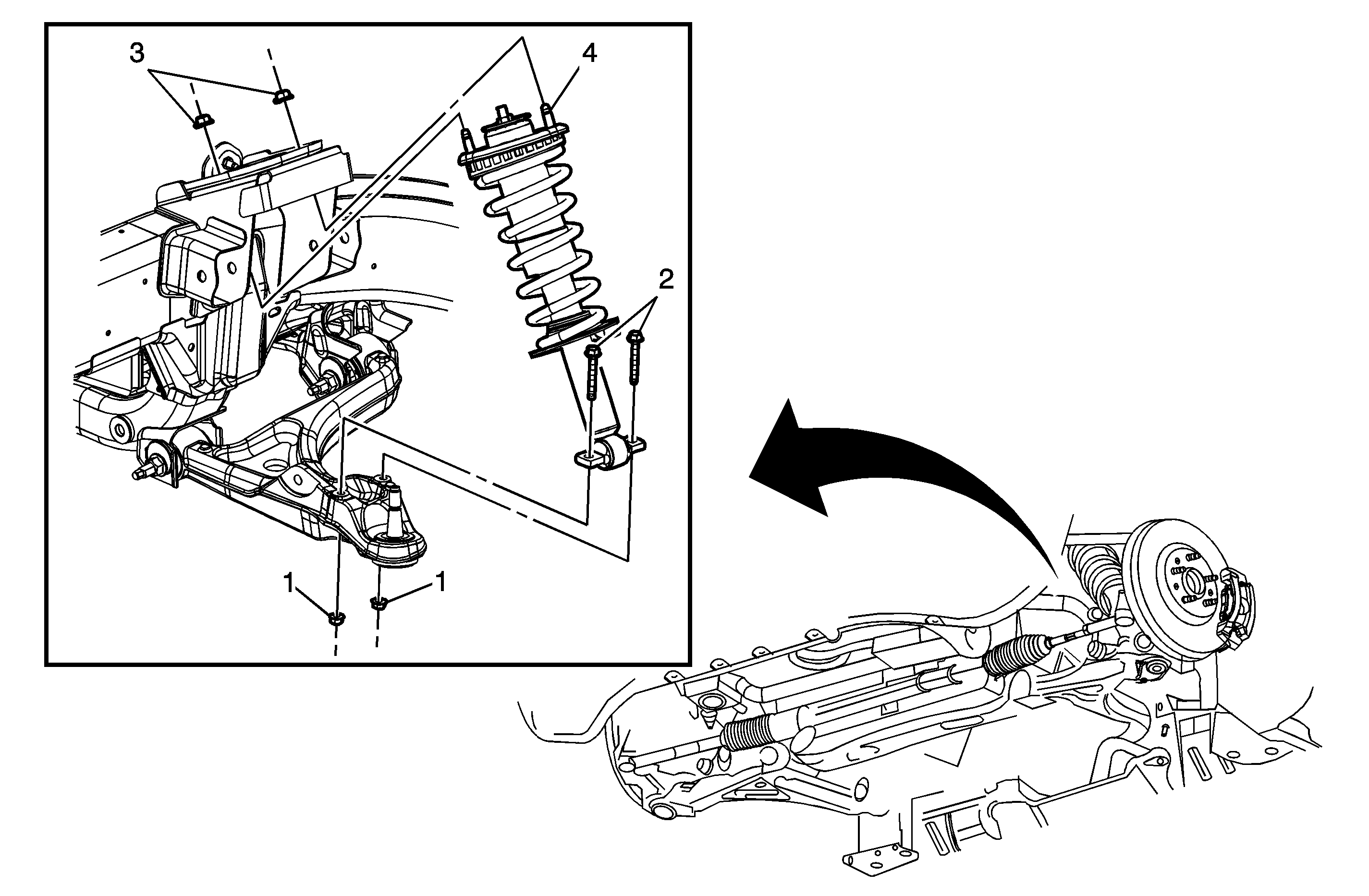
Object Number: 1586581  Size: MF

Callout

Component Name

Preliminary Procedures

  1. Remove the tire and wheel. Refer to Tire and Wheel Removal and Installation .
  2. Without disconnecting the hydraulic brake hose from the caliper, remove and support the brake caliper with bracket as an assembly. Refer to Front Brake Caliper Replacement .
  3. Separate the lower control arm ball stud from the steering knuckle. Refer to Steering Knuckle Replacement .

1

Lower Shock Absorber Mounting Bolts (Qty: 2)

2

Lower Shock Absorber Retaining Nuts (Qty: 2)

Notice: Refer to Fastener Notice in the Preface section.

Tighten
28 N·m (21 lb ft)

3

Upper Shock Absorber Mounting Nuts (Qty: 2)

Tighten
47 N·m (35 lb ft)

4

Shock Module

Tip

    • Raise the steering knuckle and upper control arm while removing the shock module toward the rear of the vehicle.
    •  To remove the spring, refer to Shock, Shock Component, and/or Spring Replacement .
    • If disposing the shock absorber, refer to Suspension Shock/Strut Disposal .