Callout | Component Name | ||||||
|---|---|---|---|---|---|---|---|
|
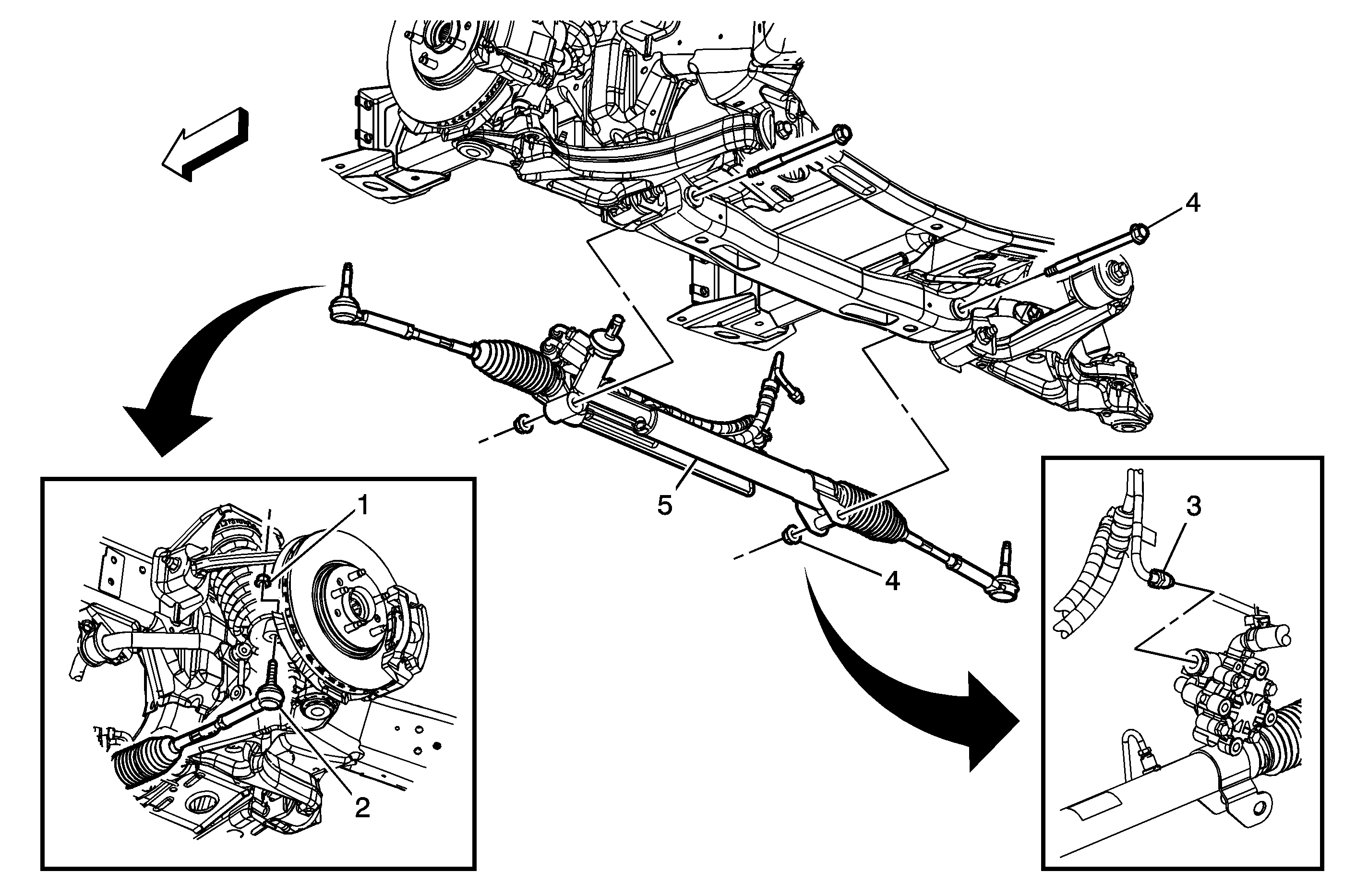
Notice: Secure the steering wheel utilizing a strap to prevent rotation. Locking of the steering column will prevent damage and a possible malfunction of the SIR system. The steering wheel must be secured
in position before disconnecting the following components:
Preliminary ProcedureRemove the front tire/wheel assemblies. Refer to Tire and Wheel Removal and Installation | |||||||
1 | Steering Linkage Outer Tie Rod Nut (Qty: 2) Notice: Refer to Fastener Notice in the Preface section. Tighten | ||||||
2 | Steering Linkage Outer Tie Rod End (Qty: 2) ProcedureRefer to Rack and Pinion Outer Tie Rod End Replacement for removal. | ||||||
3 | Steering Gear Inlet and Outlet Hose Fitting (Qty: 2) ProcedurePlace drain pans under the vehicle as needed to catch any power steering fluid. Tighten | ||||||
4 | Steering Gear Bolt (Qty: 2) Tighten | ||||||
5 | Steering Gear Procedure
| ||||||