GM Service Manual Online
For 1990-2009 cars only

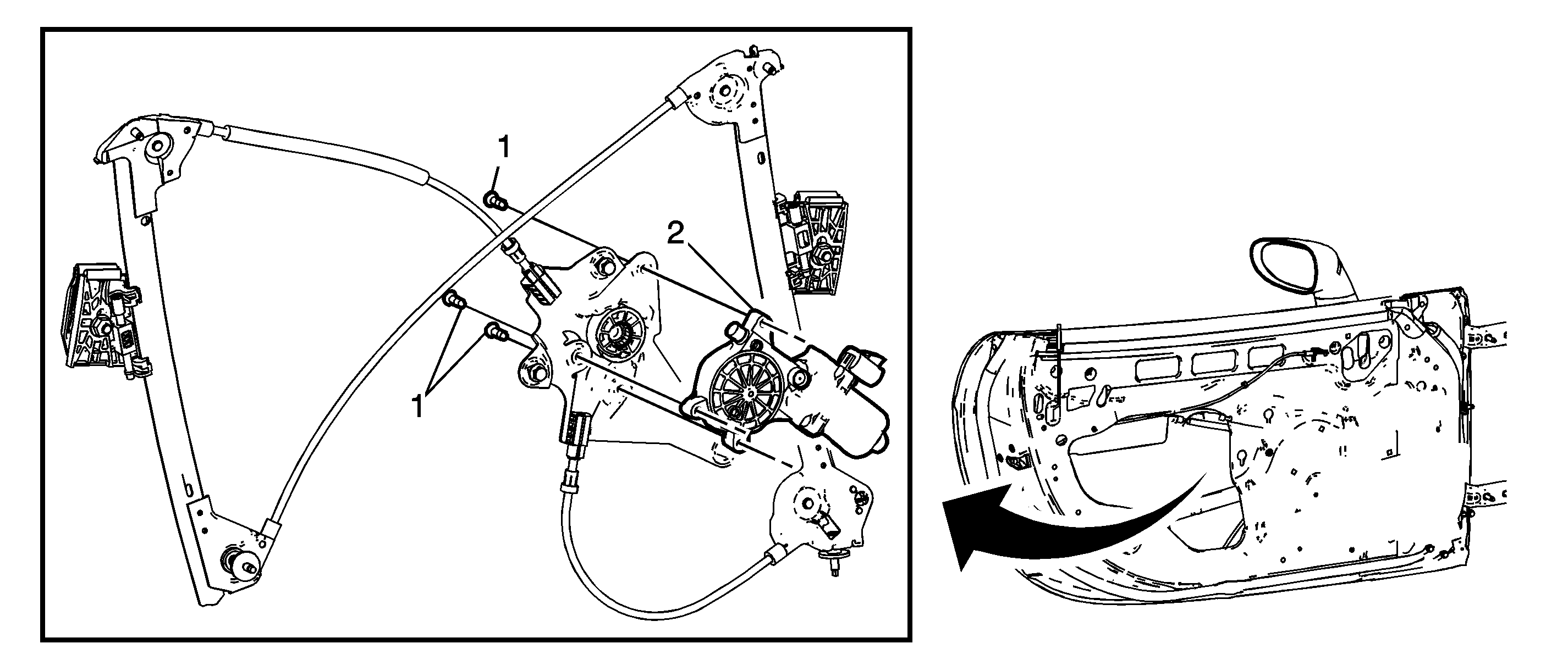
Object Number: 1582100  Size: SF

Callout

Component Name

Notice: Refer to Fastener Notice in the Preface section.

Fastener Tightening Specifications: Refer to Fastener Tightening Specifications .

Preliminary Procedures

  1. Remove the interior trim panel. Refer to Door Trim Panel Replacement .
  2. Remove the water deflector. Refer to Door Water Deflector Replacement .
  3. Remove the front side door window. Refer to Front Side Door Window Replacement.
  4. Remove the power window regulator. Refer to Front Side Door Window Regulator Replacement.

1

Bolt, Power Window Motor (Qty: 3)

Tighten
10 N·m (89 lb in)

2

Motor, Power Window Regulator


Object Number: 1582100  Size: SF

Callout

Component Name

Preliminary Procedures

  1. Remove the interior trim panel. Refer to Door Trim Panel Replacement .
  2. Remove the water deflector. Refer to Door Water Deflector Replacement .
  3. Remove the front side door window. Refer to Front Side Door Window Replacement .
  4. Remove the power window regulator. Refer to Front Side Door Window Regulator Replacement .

1

Power Window Motor Bolt (Qty: 3)

Notice: Refer to Fastener Notice in the Preface section.

Tighten
10 N·m (89 lb in)

2

Power Window Regulator Motor