GM Service Manual Online
For 1990-2009 cars only

Tools Required

    • J 8614-01 Flange and Pulley Holding Tool
    • J 45012 Holding Fixture

    Object Number: 1700073  Size: SH
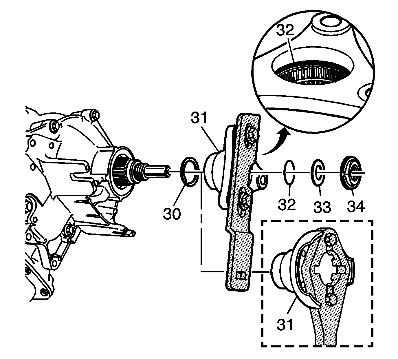
  1. Install the NEW output shaft assembly retainer (30).
  2. Install the NEW prop shaft flange o-ring seal (32) into the prop shaft flange (31) - model dependent.
  3. Install the prop shaft flange (31).
  4. Put the transmission in Park.
  5. Notice: Use the correct fastener in the correct location. Replacement fasteners must be the correct part number for that application. Fasteners requiring replacement or fasteners requiring the use of thread locking compound or sealant are identified in the service procedure. Do not use paints, lubricants, or corrosion inhibitors on fasteners or fastener joint surfaces unless specified. These coatings affect fastener torque and joint clamping force and may damage the fastener. Use the correct tightening sequence and specifications when installing fasteners in order to avoid damage to parts and systems.

  6. Install the NEW prop shaft flange thrust washer (33) and NEW prop shaft flange nut (34) using GM P/N 89021297.
  7. Tighten
    Tighten the prop shaft flange nut (34) to 57 N·m (42 lb ft).

  8. Using either the J 45012  - CTS or J 8614-01  - solstice to tighten the prop flange nut.

Tools Required

J 8614-01 Flange and Pulley Holding Tool


    Object Number: 1700073  Size: SH
  1. Install the NEW output shaft assembly retainer (30).
  2. Install the NEW prop shaft flange o-ring seal (32) into the prop shaft flange (31) - model dependent.
  3. Install the prop shaft flange (31).
  4. Put the transmission in Park.
  5. Notice: Use the correct fastener in the correct location. Replacement fasteners must be the correct part number for that application. Fasteners requiring replacement or fasteners requiring the use of thread locking compound or sealant are identified in the service procedure. Do not use paints, lubricants, or corrosion inhibitors on fasteners or fastener joint surfaces unless specified. These coatings affect fastener torque and joint clamping force and may damage the fastener. Use the correct tightening sequence and specifications when installing fasteners in order to avoid damage to parts and systems.

  6. Install the NEW prop shaft flange thrust washer (33) and NEW prop shaft flange nut (34) using GM P/N 89021297.
  7. Tighten
    Tighten the prop shaft flange nut (34) to 57 N·m (42 lb ft).

  8. Using either the J 8614-01 to tighten the prop flange nut.