GM Service Manual Online
For 1990-2009 cars only

Removal Procedure


    Object Number: 1825745  Size: SH
  1. Remove the intake manifold cover. Refer to Intake Manifold Cover Replacement .
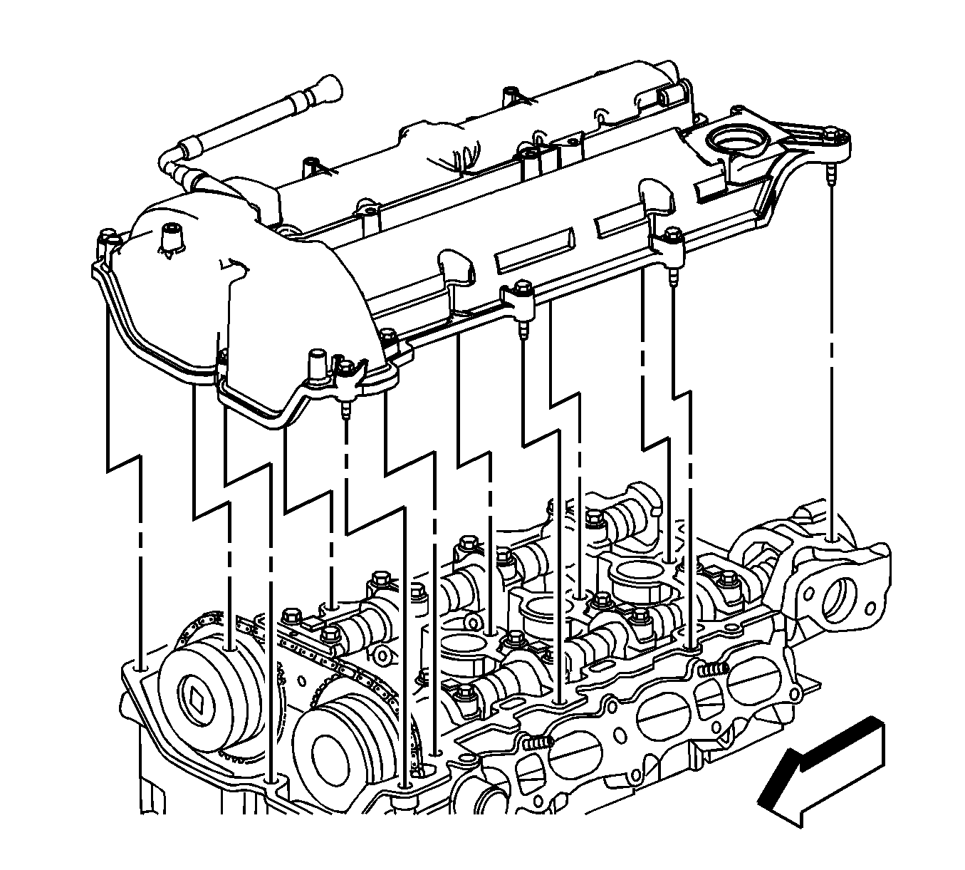
  2. Remove the intake manifold cover studs (1).

  3. Object Number: 1825749  Size: SH
  4. Remove the air cleaner outlet. Refer to Air Cleaner Outlet Duct Replacement .
  5. Disconnect the engine wiring harness intake (2) and exhaust (1) electrical connectors from the camshaft position actuator solenoid valves.

  6. Object Number: 1825748  Size: SH
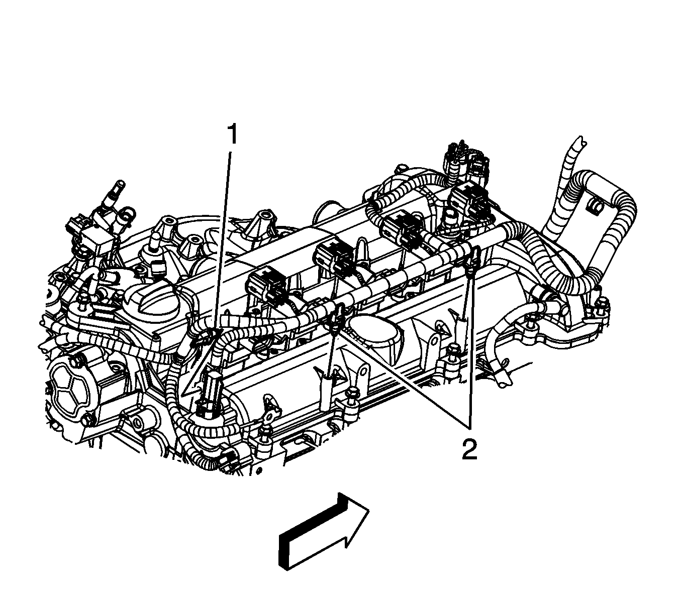
  7. Remove the engine wiring harness clip (1) from the camshaft cover.

  8. Object Number: 1825746  Size: SH
  9. Remove the engine wiring harness clips (1, 2) from the camshaft cover.
  10. Disconnect the engine wiring harness electrical connector from the evaporative emission (EVAP) canister purge solenoid valve.
  11. Remove the ignition coils. Refer to Ignition Coil Replacement .

  12. Object Number: 1825750  Size: SH
  13. Remove the heated oxygen sensor (HO2S) electrical connector clip (2) from the camshaft cover.

  14. Object Number: 1826800  Size: SH
  15. Remove the positive crankcase ventilation (PCV) fitting bolt from the turbocharger. Reposition the PCV pipe (with fitting) out of the way.
  16. Remove the air inlet grille panel. Refer to Air Inlet Grille Panel Replacement .
  17. Remove the electrical harness attached at the rear of the camshaft cover.

  18. Object Number: 1825751  Size: SH

    Important: The PCV hose should NOT be disconnected from the camshaft cover as damage to the hose connection will result.

  19. Remove the camshaft cover bolts.
  20. Remove the camshaft cover.

Installation Procedure

    Notice: Refer to Fastener Notice in the Preface section.


    Object Number: 1825751  Size: SH
  1. Install the camshaft cover and bolts.
  2. Tighten
    Tighten the bolts to 10 N·m (89 lb in).

  3. Attach the electrical harness at the rear of the camshaft cover.
  4. Install the air inlet grille panel. Refer to Air Inlet Grille Panel Replacement .

  5. Object Number: 1826800  Size: SH
  6. Install a NEW O-ring seal to the PCV fitting.
  7. Position the PCV pipe (with fitting) and install the PCV fitting bolt to the turbocharger.
  8. Tighten
    Tighten the bolt to 10 N·m (89 lb in).


    Object Number: 1825750  Size: SH
  9. Install the HO2S electrical connector clip (2) to the camshaft cover.

  10. Object Number: 1825746  Size: SH
  11. Install the ignition coils. Refer to Ignition Coil Replacement .
  12. Disconnect the engine wiring harness electrical connector from the evaporative emission (EVAP) canister purge solenoid valve.
  13. Install the engine harness clips (1, 2) to the camshaft cover.

  14. Object Number: 1825748  Size: SH
  15. Install the engine wiring harness clip (1) to the camshaft cover.

  16. Object Number: 1825749  Size: SH
  17. Connect the engine wiring harness intake (2) and exhaust (1) electrical connectors to the camshaft position actuator solenoid valves.
  18. Install the air cleaner outlet. Refer to Air Cleaner Outlet Duct Replacement .

  19. Object Number: 1825745  Size: SH
  20. Install the intake manifold cover studs (1).
  21. Tighten
    Tighten the studs to 9 N·m (80 lb in).

  22. Install the intake manifold cover. Refer to Intake Manifold Cover Replacement .