GM Service Manual Online
For 1990-2009 cars only

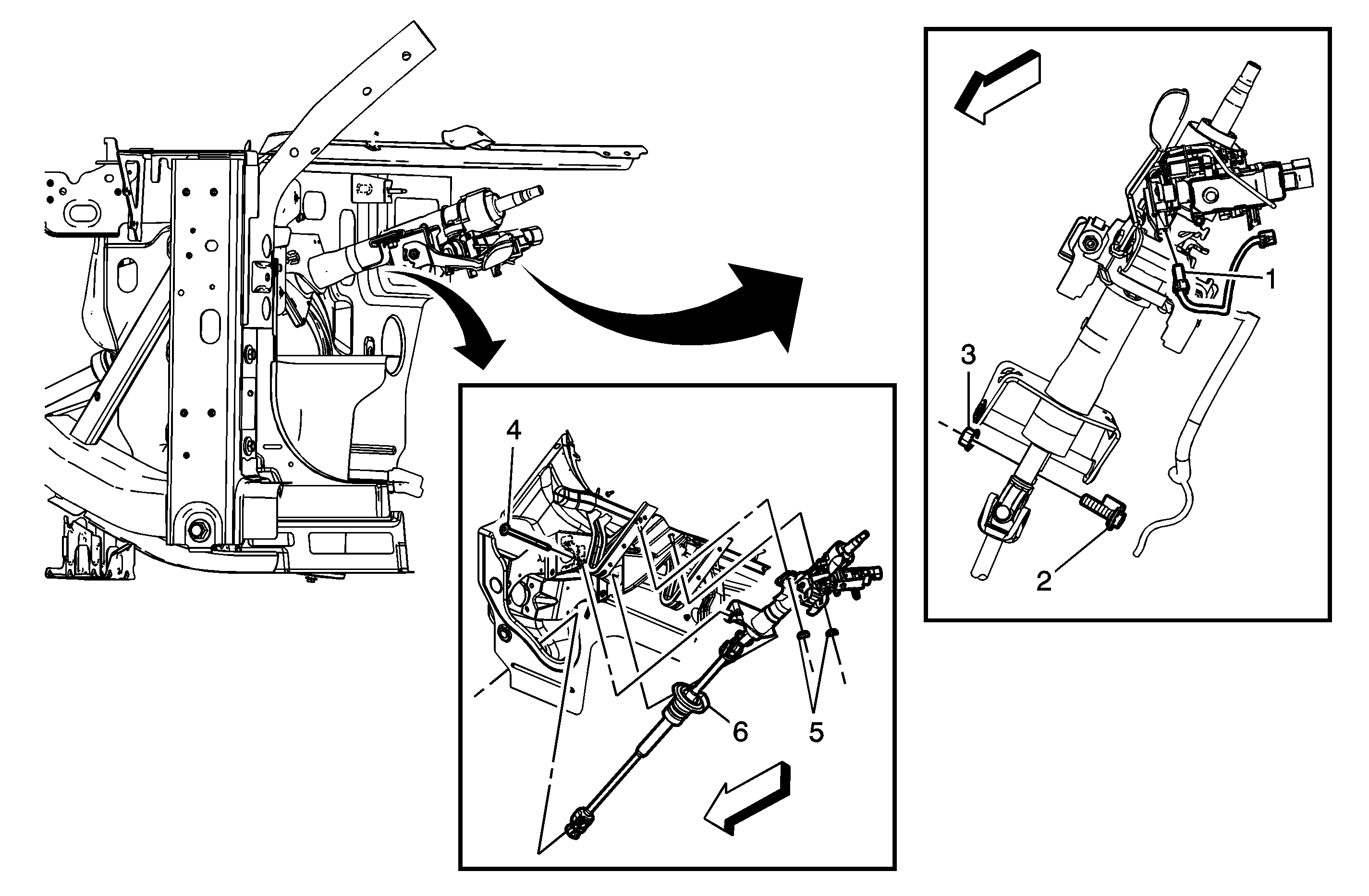
Object Number: 1617115  Size: MF

Callous

Component Name

Notice: Secure the steering wheel utilizing a strap to prevent rotation. Locking of the steering column will prevent damage and a possible malfunction of the SIR system. The steering wheel must be secured in position before disconnecting the following components:

   • The steering column
   • The intermediate shaft
   • The steering gear
After disconnecting these components, do not move the front tires and wheels. Failure to follow these procedures may cause improper alignment of some components during installation and result in possible damage to the SIR coil.

Preliminary Procedures

  1. Remove the driver knee bolster bracket. Refer to Driver Knee Bolster Bracket Replacement.
  2. If equiped, remove the clutch pedal assembly. Refer to Clutch Pedal Replacement.
  3. Remove the steering wheel. Refer to Steering Wheel Replacement.
  4. Remove the steering column trim covers. Refer to Steering Column Trim Cover Replacement.

1

Ignition/Start Switch Electrical Connector

2

Intermediate Steering Shaft Bolt

Notice: Refer to Fastener Notice in the Preface section.

Tip
Discard the bolt.

Tighten
58 N·m (43 lb ft)

3

Intermediate Steering Shaft Nut

Tighten
58 N·m (43 lb ft)

4

Steering Column Lower Support Bracket Bolt

Tighten
25 N·m (18 lb ft)

5

Steering Column Upper Support Bracket Nut (Qty: 2)

Tighten
25 N·m (18 lb ft)

6

Steering Column

Procedure

  1. Disconnect all electrical connectors as needed.
  2. Transfer any parts as needed.

Object Number: 1617115  Size: MF

Callous

Component Name

Notice: Secure the steering wheel utilizing a strap to prevent rotation. Locking of the steering column will prevent damage and a possible malfunction of the SIR system. The steering wheel must be secured in position before disconnecting the following components:

   • The steering column
   • The intermediate shaft
   • The steering gear
After disconnecting these components, do not move the front tires and wheels. Failure to follow these procedures may cause improper alignment of some components during installation and result in possible damage to the SIR coil.

Preliminary Procedures

  1. Remove the driver knee bolster bracket. Refer to Driver Knee Bolster Bracket Replacement.
  2. Remove the steering wheel. Refer to Steering Wheel Replacement.
  3. Remove the steering column trim covers. Refer to Steering Column Trim Cover Replacement.

1

Ignition/Start Switch Electrical Connector

2

Intermediate Steering Shaft Bolt

Notice: Refer to Fastener Notice in the Preface section.

Tip
Discard the bolt.

Tighten
58 N·m (43 lb ft)

3

Intermediate Steering Shaft Nut

Tighten
58 N·m (43 lb ft)

4

Steering Column Lower Support Bracket Bolt

Tighten
25 N·m (18 lb ft)

5

Steering Column Upper Support Bracket Nut (Qty: 2)

Tighten
25 N·m (18 lb ft)

6

Steering Column

Procedure

  1. Disconnect all electrical connectors as needed.
  2. Transfer any parts as needed.