GM Service Manual Online
For 1990-2009 cars only

Removal Procedure


    Object Number: 1826861  Size: SH
  1. Disconnect the engine wiring harness electrical connector (2) from the intake air pressure and temperature sensor.

  2. Object Number: 1750413  Size: SH
  3. Reposition the charge air bypass valve solenoid vacuum hose clamp (3) at the charge air cooler outlet pipe.
  4. Remove the vacuum hose from the charge air cooler outlet pipe.

  5. Object Number: 1829472  Size: SH
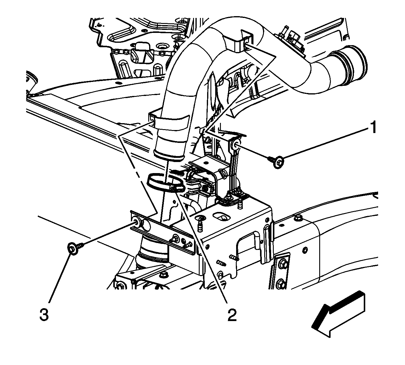
  6. Remove the charge air cooler outlet pipe bolt (1) at the rear bracket.

  7. Object Number: 1829691  Size: SH
  8. Remove the charge air cooler rear bracket nut (4) and bracket (1).

  9. Object Number: 1717120  Size: SH
  10. Loosen the charge air cooler hose clamp (2) at the throttle body charge air cooler outlet hose.
  11. Remove the charge air cooler outlet pipe from the throttle body charge air cooler hose (1).
  12. If needed, remove the throttle body charge air cooler hose (1) from the throttle body.

  13. Object Number: 1829472  Size: SH
  14. Remove the charge air cooler outlet pipe bolt (3) at the front bracket.
  15. Loosen the charge air cooler clamp (2) at the charge air cooler outlet pipe.
  16. Remove the charge air cooler outlet pipe.
  17. Remove any oil film from inside the pipes and hoses.

Installation Procedure


    Object Number: 1829472  Size: SH
  1. Install the charge air cooler outlet pipe to the charge air cooler and the charge air cooler hose.
  2. Notice: Refer to Fastener Notice in the Preface section.

  3. Install the charge air cooler outlet pipe bolt (3) at the front bracket.
  4. Tighten
    Tighten the bolt to 7 N·m (62 lb in).


    Object Number: 1829691  Size: SH
  5. Install the charge air cooler rear bracket (1) and nut (4).
  6. Tighten
    Tighten the nut to 9 N·m (80 lb in).


    Object Number: 1829472  Size: SH
  7. Install the charge air cooler outlet pipe bolt (1) at the rear bracket.
  8. Tighten
    Tighten the bolt to 7 N·m (62 lb in).

  9. Tighten the charge air cooler clamp (2) at the charge air cooler outlet pipe.
  10. Tighten
    Tighten the clamp to 5 N·m (44 lb in).


    Object Number: 1717120  Size: SH
  11. If removed, install the throttle body charge air cooler hose (1) onto the throttle body.
  12. Tighten
    Tighten the clamp to 5 N·m (44 lb in).

  13. Install the charge air cooler outlet pipe to the throttle body charge air cooler hose.
  14. Tighten the throttle body charge air cooler hose clamp (2) at the charge air cooler outlet pipe.
  15. Tighten
    Tighten the clamp to 5 N·m (44 lb in).


    Object Number: 1750413  Size: SH
  16. Install the vacuum hose to the charge air cooler outlet pipe.
  17. Position the charge air bypass valve solenoid vacuum hose clamp (3) at the charge air cooler outlet pipe.

  18. Object Number: 1826861  Size: SH
  19. Connect the engine wiring harness electrical connector (2) to the intake air pressure and temperature sensor.