GM Service Manual Online
For 1990-2009 cars only

Object Number: 1744854  Size: MF

Callout

Component Name

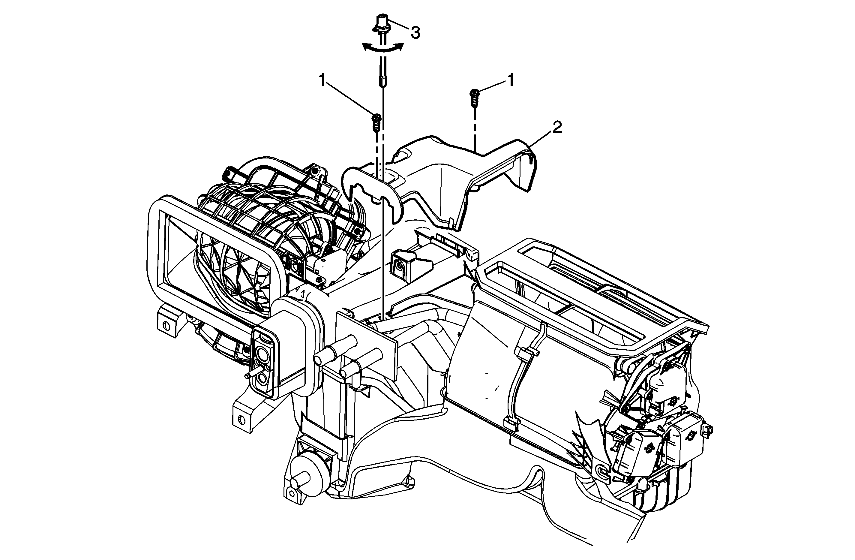
Preliminary Procedure

Remove the HVAC module assembly. Refer to HVAC Module Assembly Replacement .

1

Heater Core Cover Screw

Notice: Refer to Fastener Notice in the Preface section.

Tighten
1.5 N·m (13 lb in)

2

Heater Core Cover

3

Air Conditioning Refrigerant Temperature Sensor

Tip

  1. Disconnect the air conditioning refrigerant temperature sensor electrical connector.
  2. Twist the air conditioning refrigerant temperature sensor to the left to release and pull upward.