GM Service Manual Online
For 1990-2009 cars only
Makes
🢒
Pontiac
🢒
2007
🢒
Solstice
🢒 Ignition Controls - Ignition System
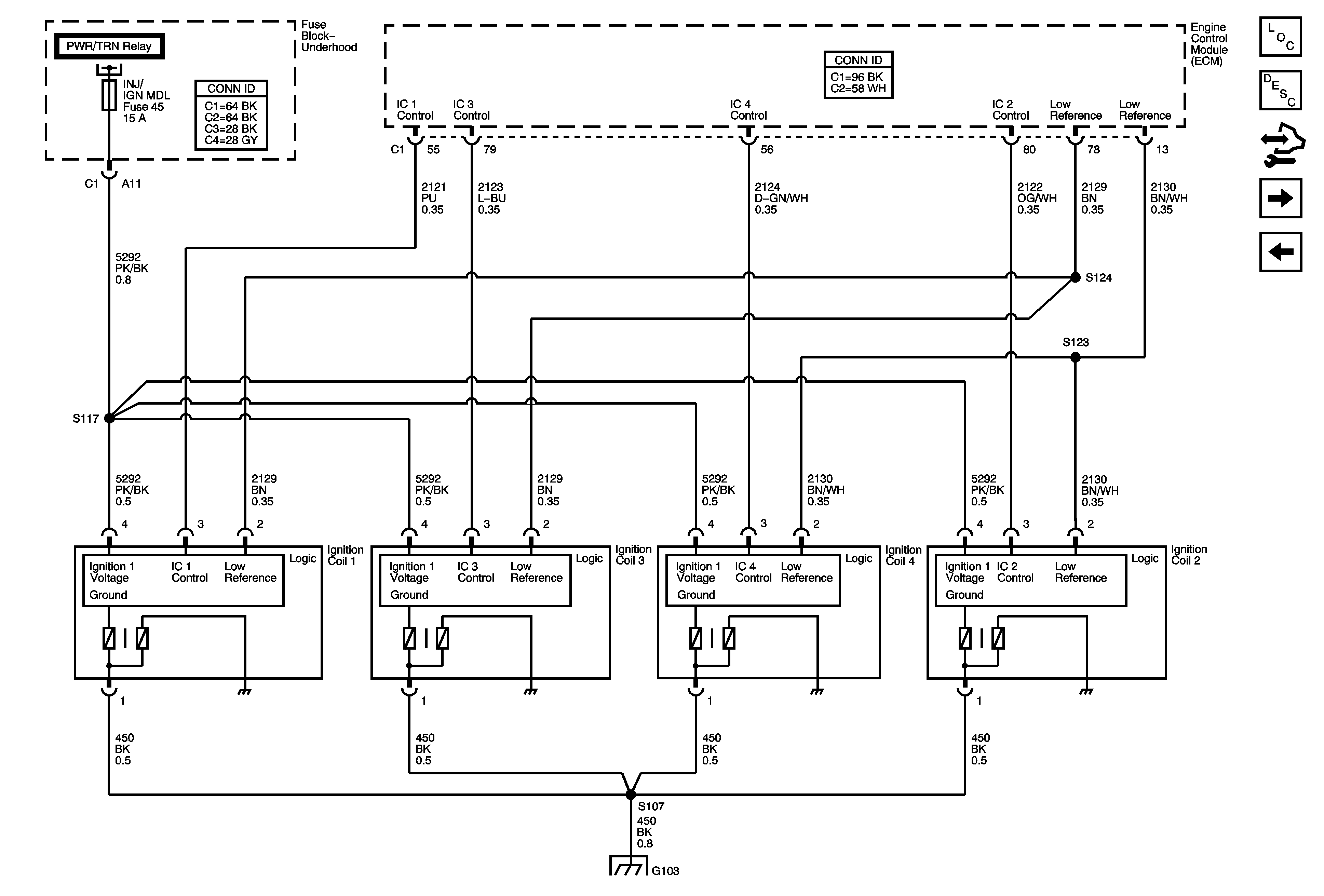
Ignition Controls - Ignition System
Ignition Controls - Ignition System
Master Electrical Component List
Electronic Ignition (EI) System Description
Control Module References
Ignition Controls - Sensors and Solenoids
Engine Data Sensors - Electronic Throttle Controls
B+ Bus - 1 of 2
G103, G104, G105, G106 and G304