GM Service Manual Online
For 1990-2009 cars only
Makes
🢒
Pontiac
🢒
2007
🢒
Solstice
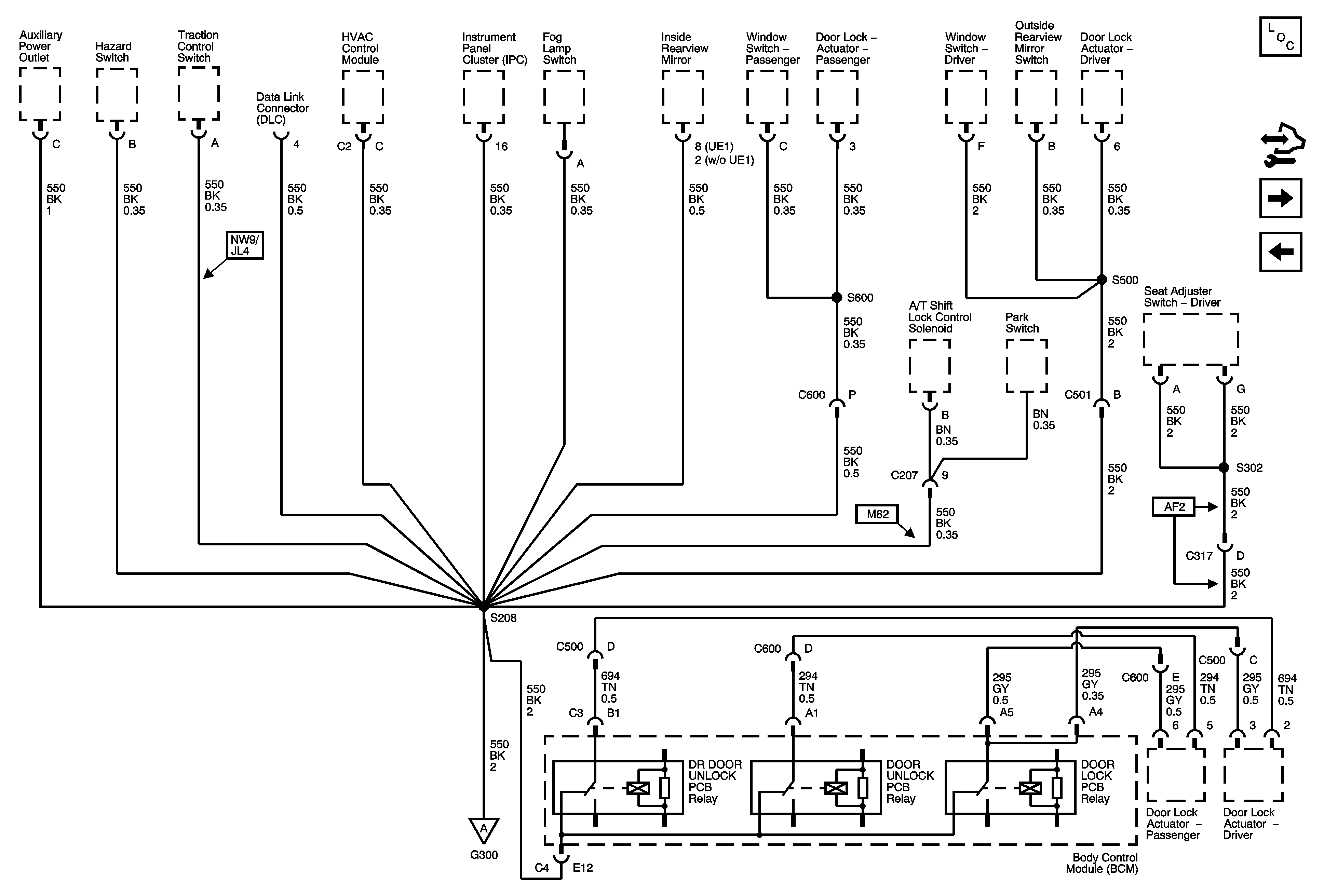
🢒 G300 - 2 of 2
G300 - 2 of 2
G300 - 2 of 2
Master Electrical Component List
Control Module References
G301, G302, G303, G400 and G402
G300 - 1 of 2