GM Service Manual Online
For 1990-2009 cars only
Makes
🢒
Pontiac
🢒
2007
🢒
Solstice
🢒 Fuel Controls - Fuel Pump Controls and Fuel Injectors
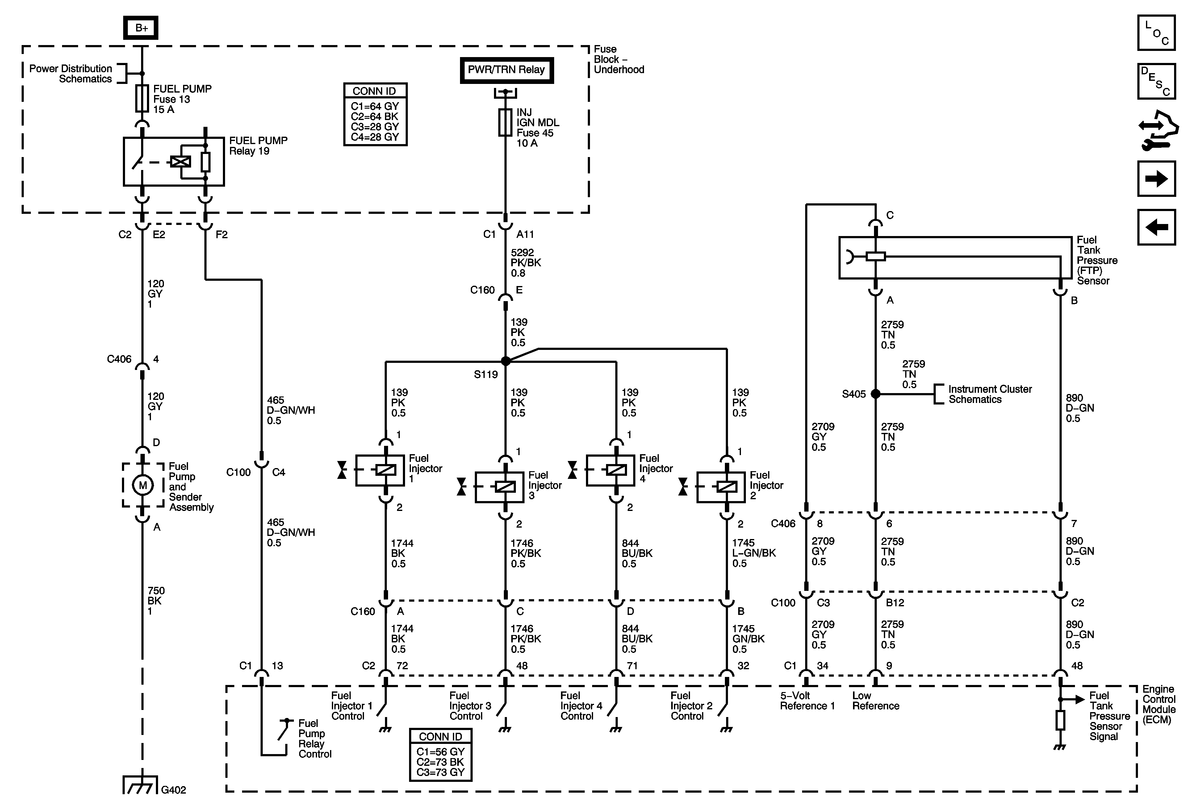
Fuel Controls - Fuel Pump Controls and Fuel Injectors
Fuel Controls - Fuel Pump Controls and Fuel Injectors
Master Electrical Component List
Evaporative Emission Control System Description
Control Module References
Ignition Controls - Ignition System
Ignition Controls - Sensors
B+ Bus Bar - 1 of 2
G301, G302, G303, G400 and G402