GM Service Manual Online
For 1990-2009 cars only
Makes
🢒
Pontiac
🢒
2007
🢒
Solstice
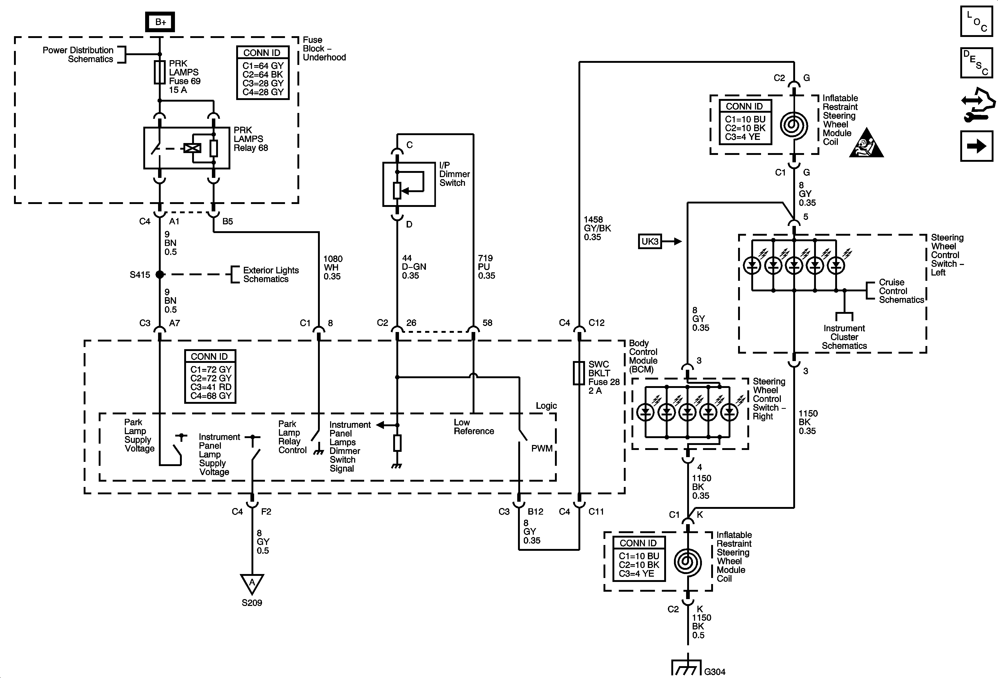
🢒 I/P Dimmer Switch
I/P Dimmer Switch
I/P Dimmer Switch
Master Electrical Component List
Interior Lighting Systems Description and Operation
Control Module References
Lights
B+ Bus Bar - 2 of 2
Hazards and Park Lamps
Lighting Systems Schematic Icons
Lights
G103, G304, G105, G104, and G106