GM Service Manual Online
For 1990-2009 cars only
Makes
🢒
Pontiac
🢒
2007
🢒
Solstice
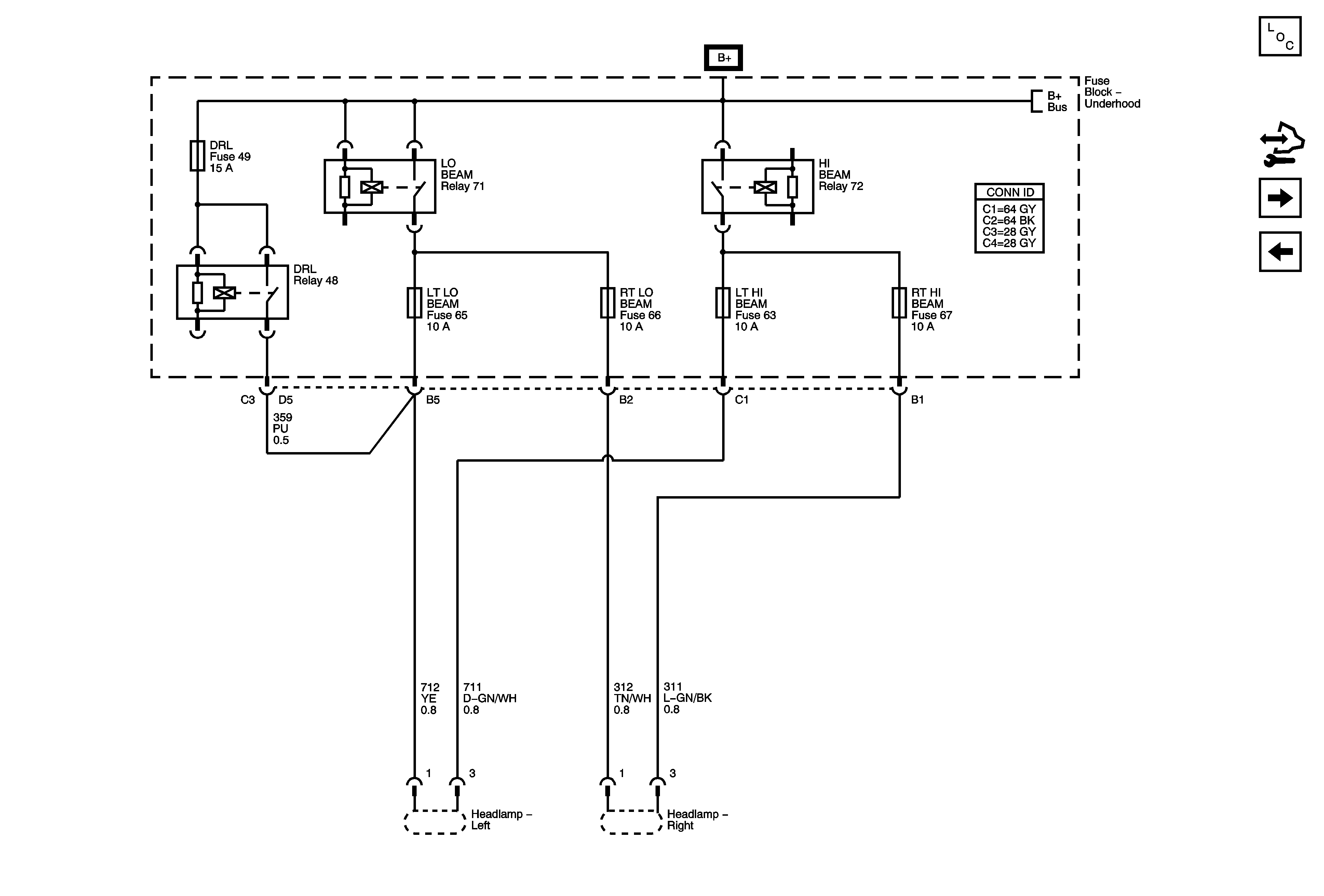
🢒 LT HI BEAM, LT LO BEAM, RT HI BEAM, RT LO BEAM Fuses, and DRL, HI BEAM, and LO BEAM Relays
LT HI BEAM, LT LO BEAM, RT HI BEAM, RT LO BEAM Fuses, and DRL, HI BEAM, and LO BEAM Relays
LT HI BEAM, LT LO BEAM, RT HI BEAM, RT LO BEAM Fuses, and DRL, HI BEAM, and LO BEAM Relays
Master Electrical Component List
Control Module References
ABS, BCK/UP LAMP, CAN VENT, ECM/TRANS, I/P IGN, and OUTLET Fuses, and RUN/CRNK Relay (Underhood Fuse Block), AIRBAG, EPS/STR WHL CNTRL, HVAC/IP IGN, and WPR Fuses (Body Control Module (BCM))
B+ Bus Bar - 2 of 2
B+ Bus Bar - 1 of 2