GM Service Manual Online
For 1990-2009 cars only
Makes
🢒
Pontiac
🢒
2007
🢒
Solstice
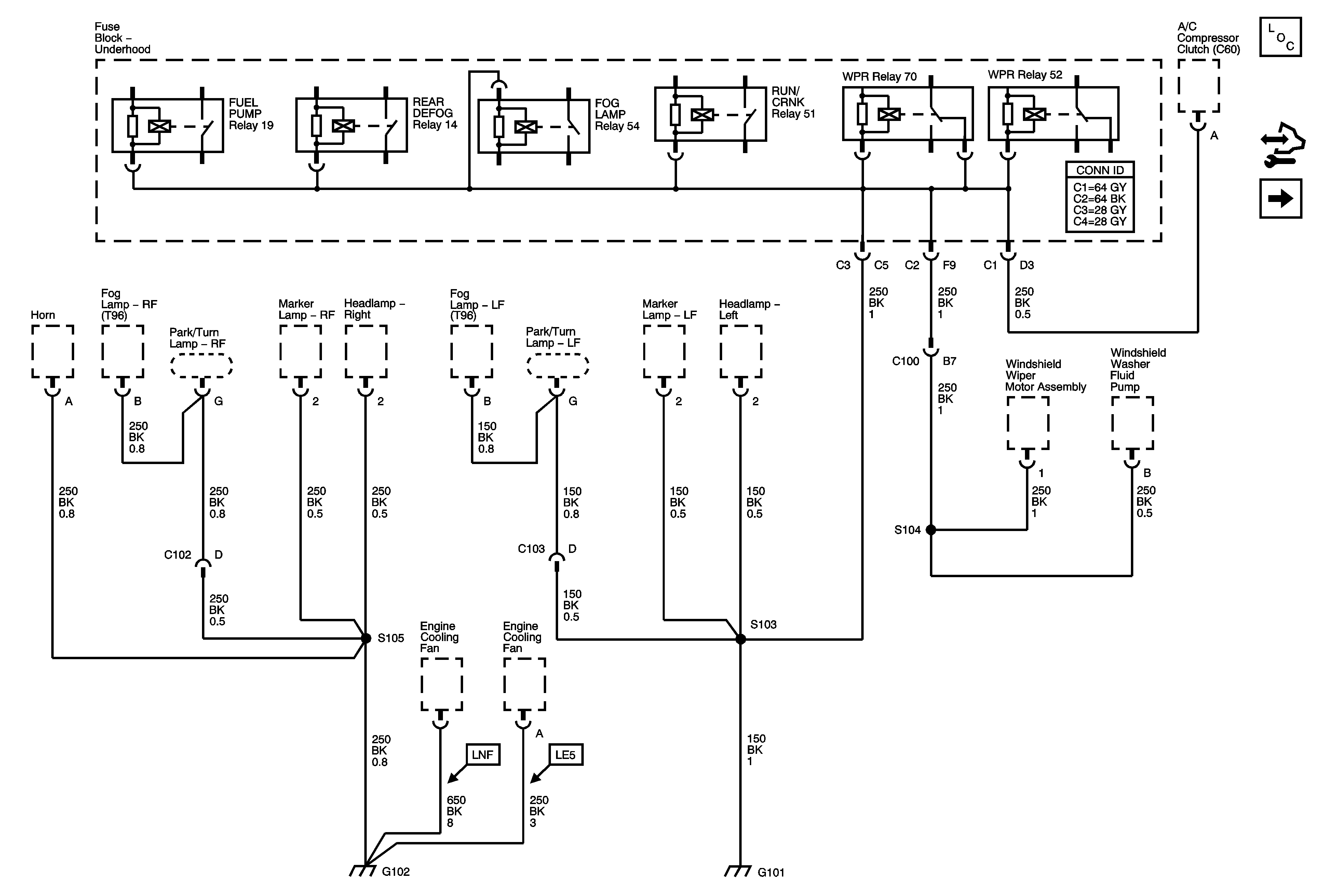
🢒 G101 and G102
G101 and G102
G101 and G102
Master Electrical Component List
Control Module References
G103, G304, G105, G104, and G106