GM Service Manual Online
For 1990-2009 cars only
Makes
🢒
Pontiac
🢒
2007
🢒
Solstice
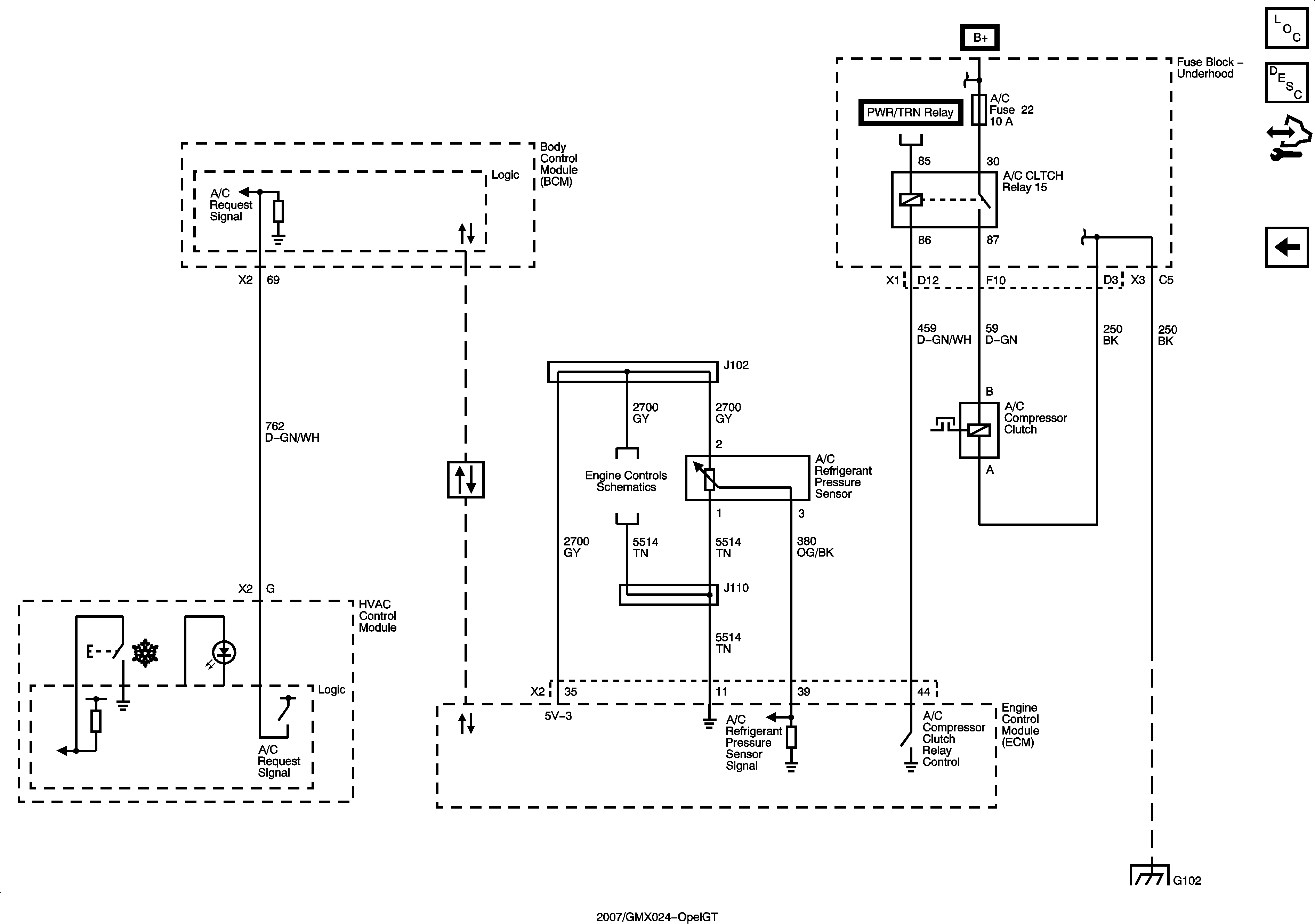
🢒 Compressor Controls
Compressor Controls
Compressor Controls
Master Electrical Component List
Air Temperature Description and Operation
Control Module References
Air Delivery and Temperature Controls
B+ Bus Bar - 1 of 2
Data Communication Schematics
Data Link, Ground, MIL, and Power
G101 and G102