GM Service Manual Online
For 1990-2009 cars only
Makes
🢒
Pontiac
🢒
2007
🢒
Solstice
🢒 Defogger Schematics
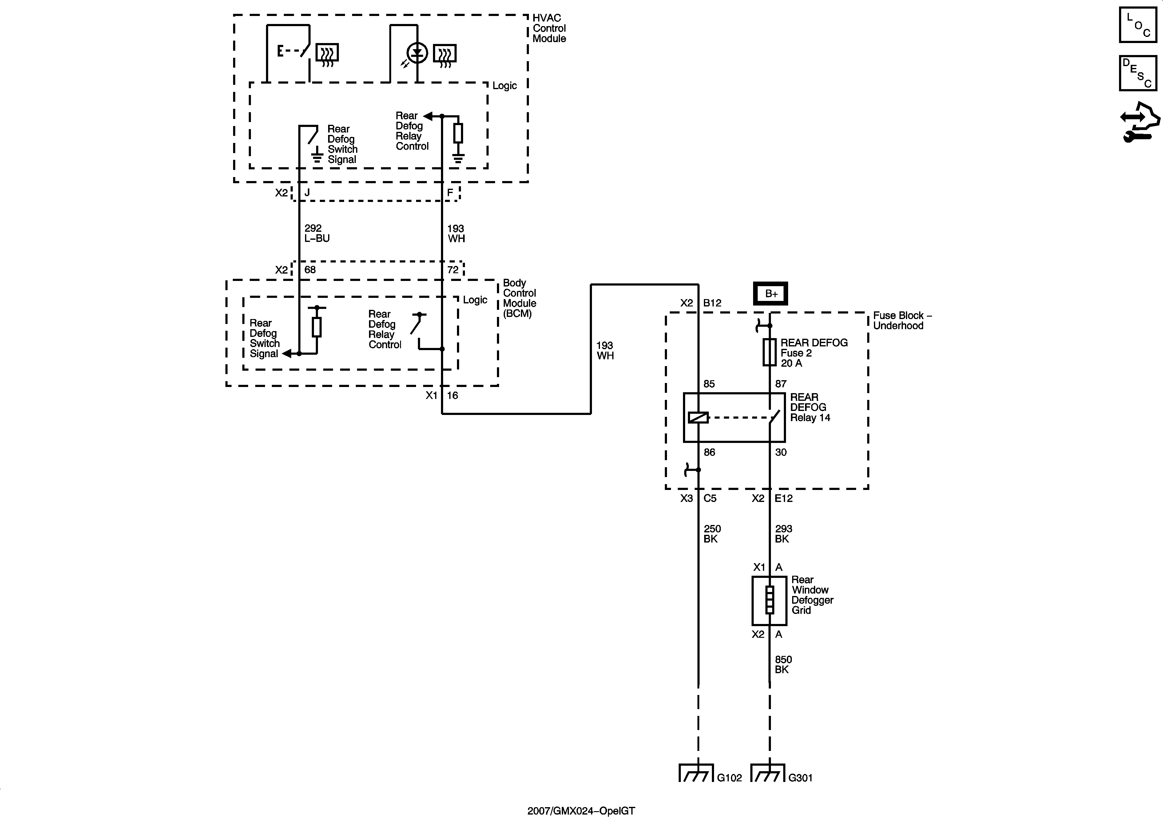
Defogger Schematics
Master Electrical Component List
Rear Window Defogger Description and Operation
Control Module References
B+ Bus Bar - 1 of 2
G101 and G102
G301, G102, G303, and G402