GM Service Manual Online
For 1990-2009 cars only
Makes
🢒
Pontiac
🢒
2007
🢒
Solstice
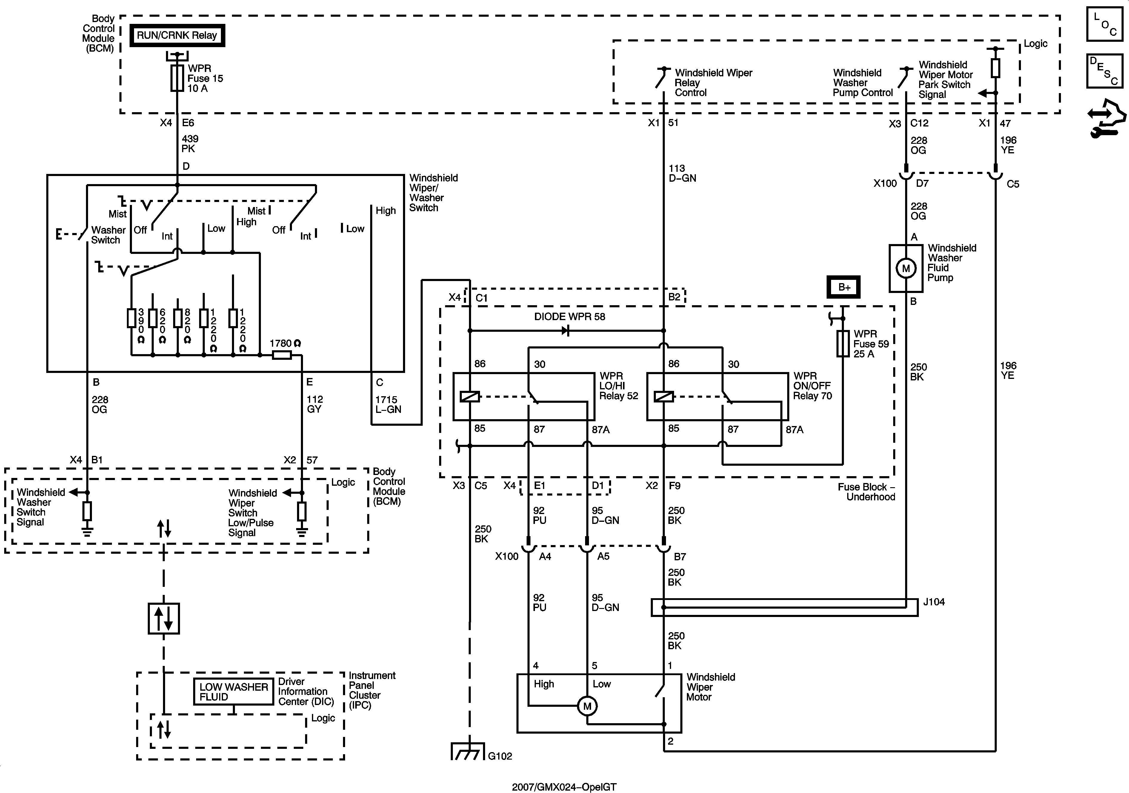
🢒 Wiper/Washer Schematics
Wiper/Washer Schematics
Master Electrical Component List
Wiper/Washer System Description and Operation
Control Module References
TANK VENT, OUTLET, IP IGN, BACKUP, ABS, and ECM TRANS Fuses
B+ Bus Bar - 1 of 2
Data Communication Schematics
G101 and G102