GM Service Manual Online
For 1990-2009 cars only

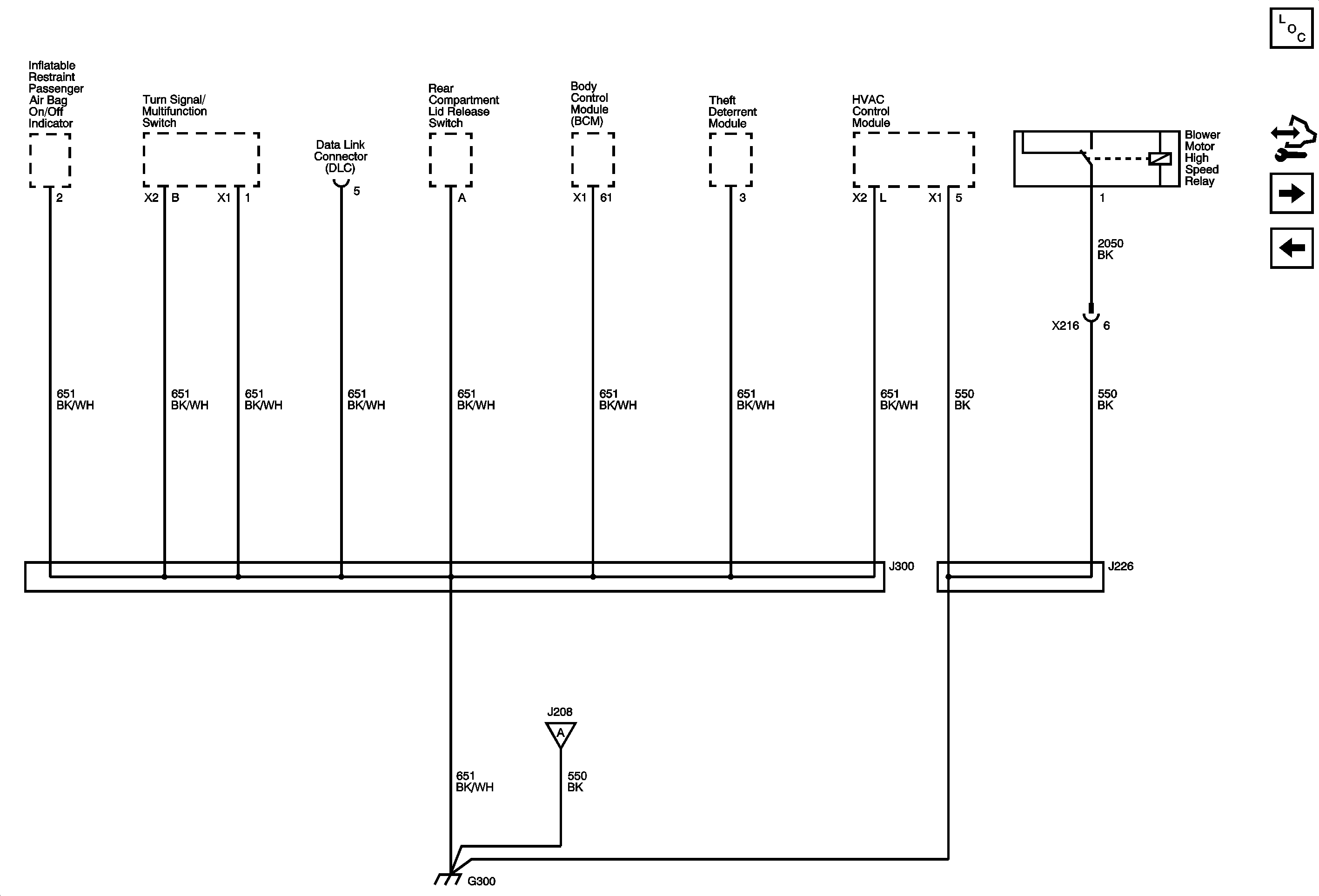
G300 - 1 of 2

G300 - 1 of 2


Object Number: 1856375  Size: FS
Master Electrical Component List
Control Module References
G300 - 2 of 2
G103, G304, G105, G104, and G106
G300 - 2 of 2