GM Service Manual Online
For 1990-2009 cars only
Figure 1:

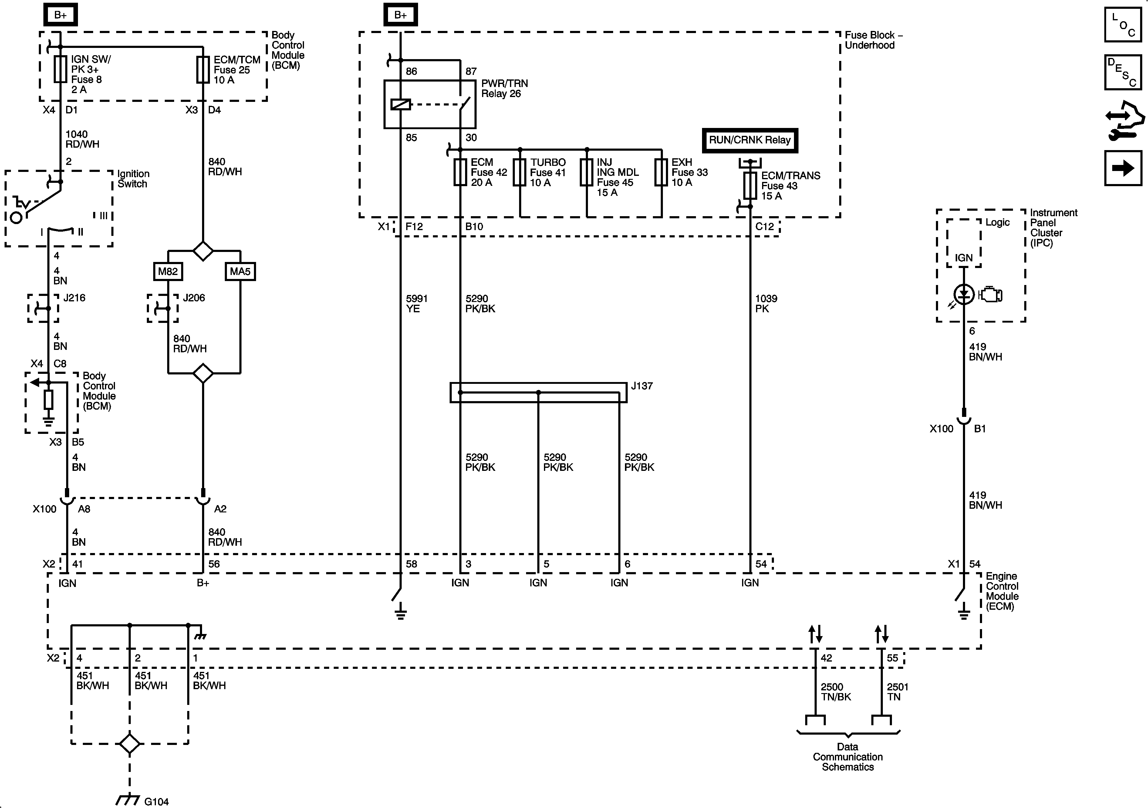
Power, Ground, Data Link, and MIL


Object Number: 1913908  Size: FS
Master Electrical Component List
Engine Control Module Description
Control Module References
5-Volt and Low Reference
Figure 2:

5-Volt and Low Reference


Object Number: 1913912  Size: FS
Master Electrical Component List
Engine Control Module Description
Control Module References
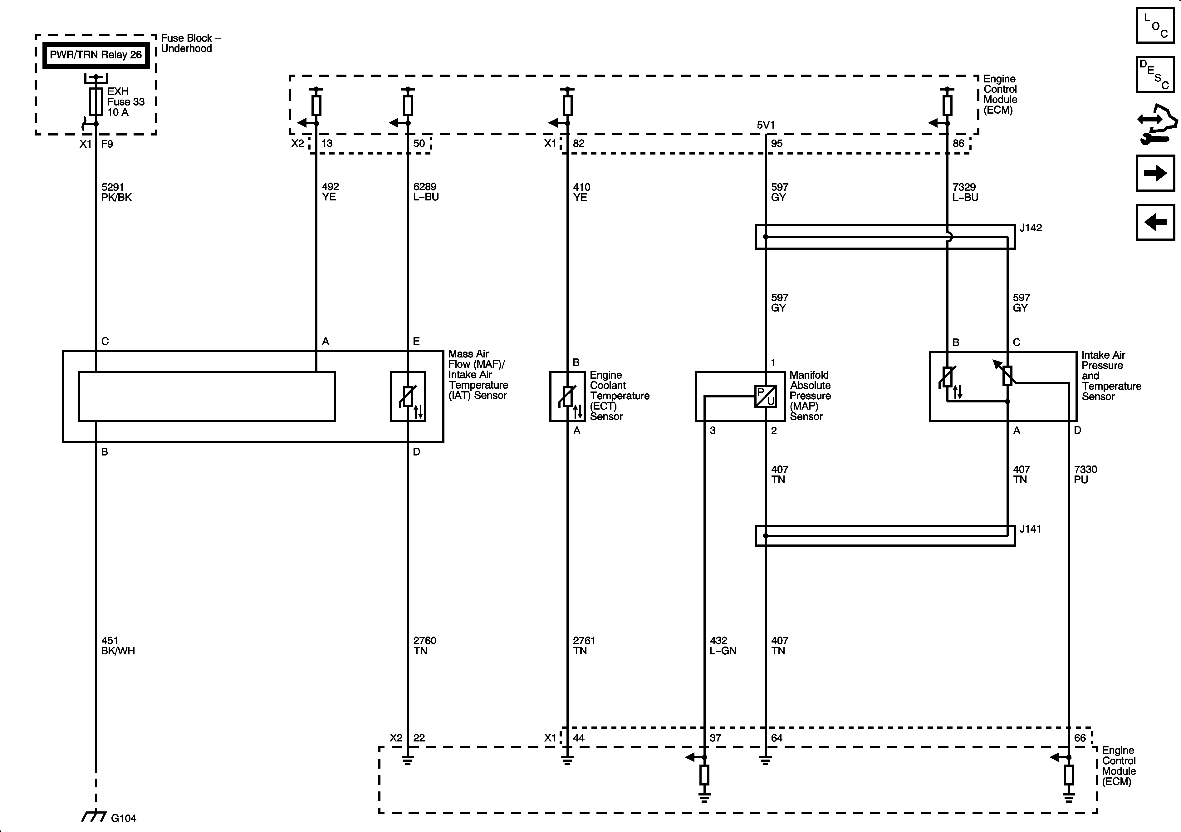
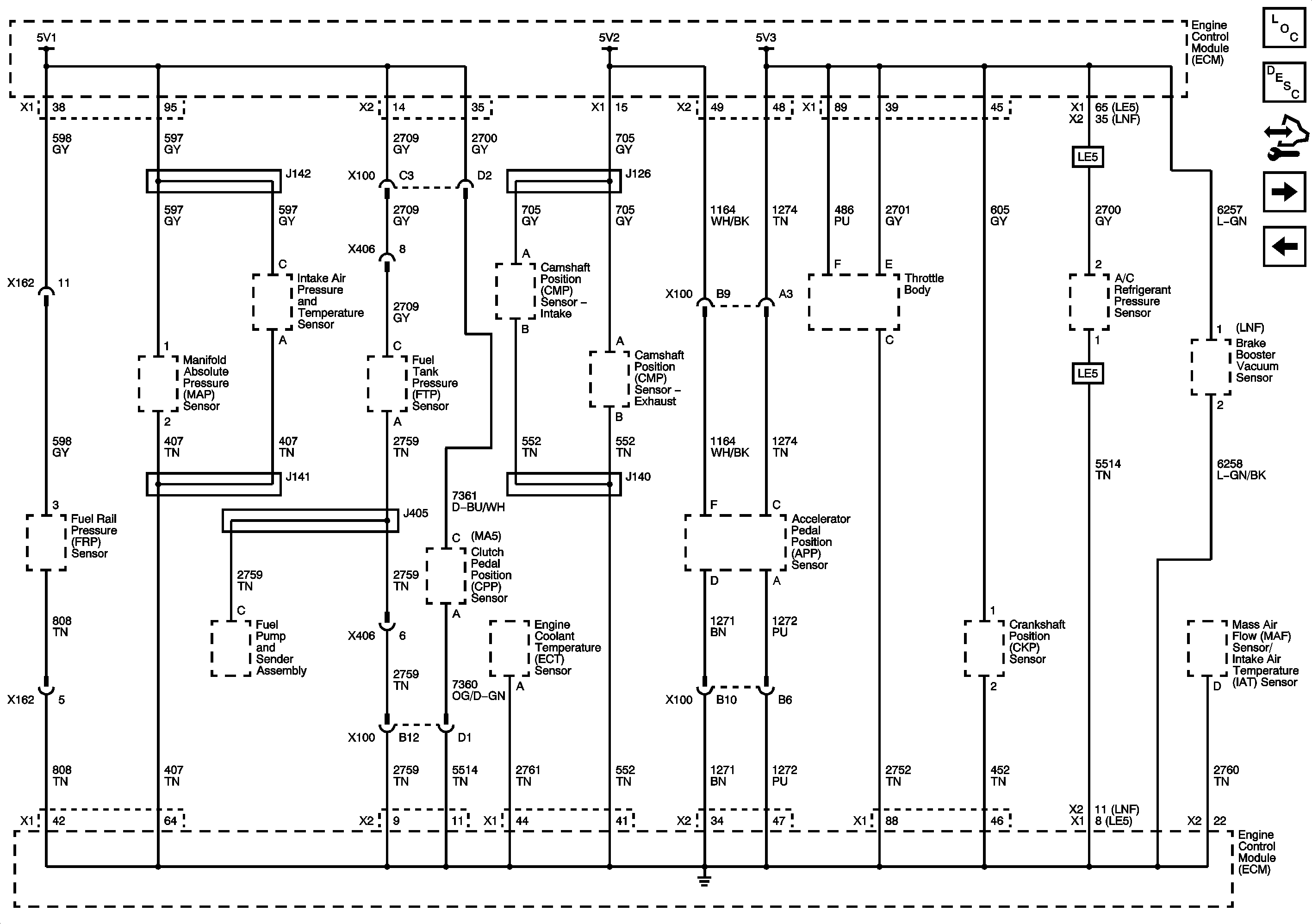
Engine Data Sensors - Pressure and Temperature
Power, Ground, Data Link, and MIL
Figure 3:

Engine Data Sensors - Pressure and Temperature


Object Number: 1913917  Size: FS
Master Electrical Component List
Air Intake System Description
Control Module References
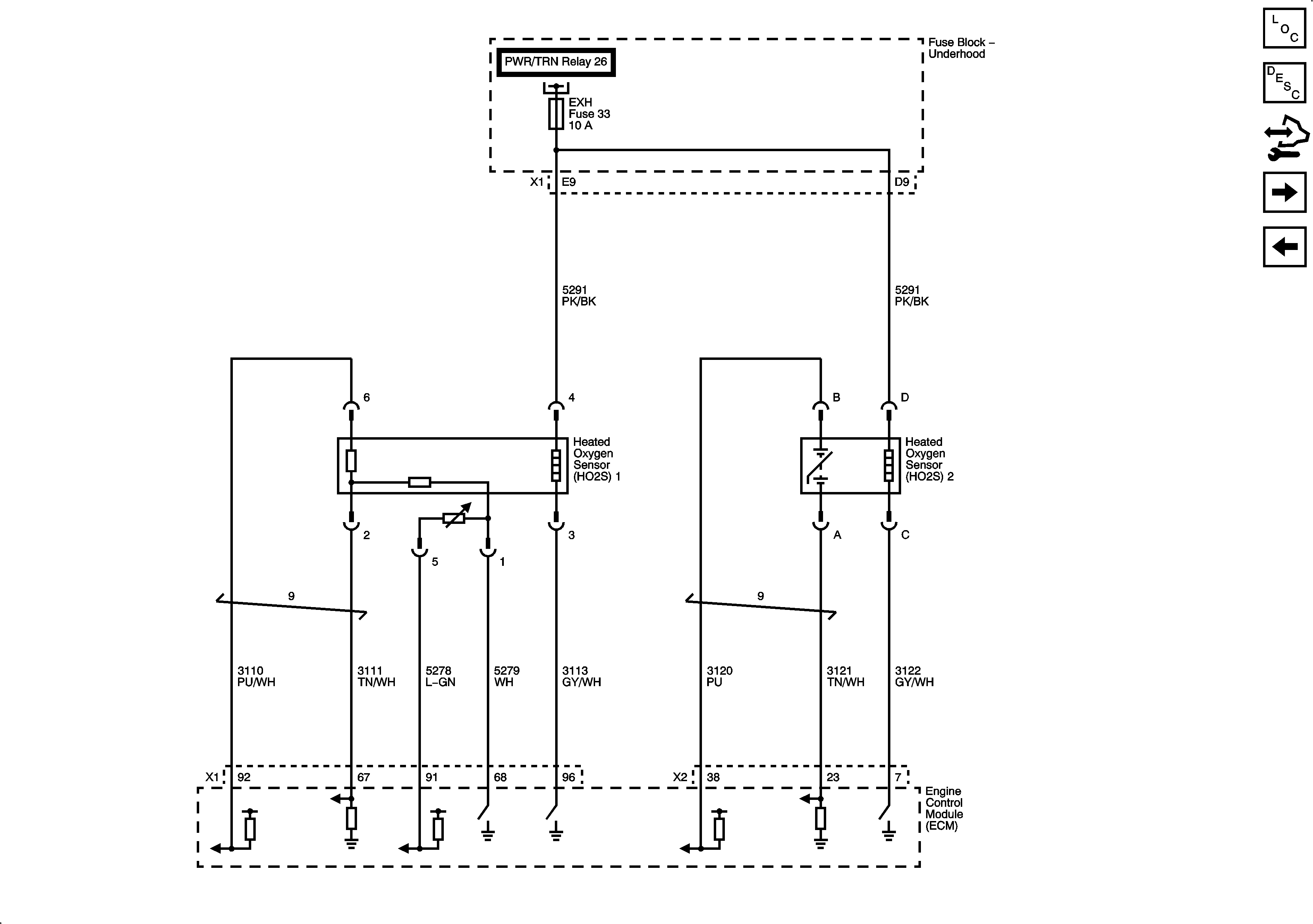
Engine Data Sensors - Oxygen Sensors
5-Volt and Low Reference
Figure 4:

Engine Data Sensors - Oxygen Sensors


Object Number: 1913919  Size: FS
Master Electrical Component List
Electronic Ignition (EI) System Description
Control Module References
Engine Data Sensors - Electronic Throttle Controls
Engine Data Sensors - Pressure and Temperature
Figure 5:

Engine Data Sensors - Electronic Throttle Controls


Object Number: 1913922  Size: FS
Master Electrical Component List
Throttle Actuator Control (TAC) System Description
Control Module References
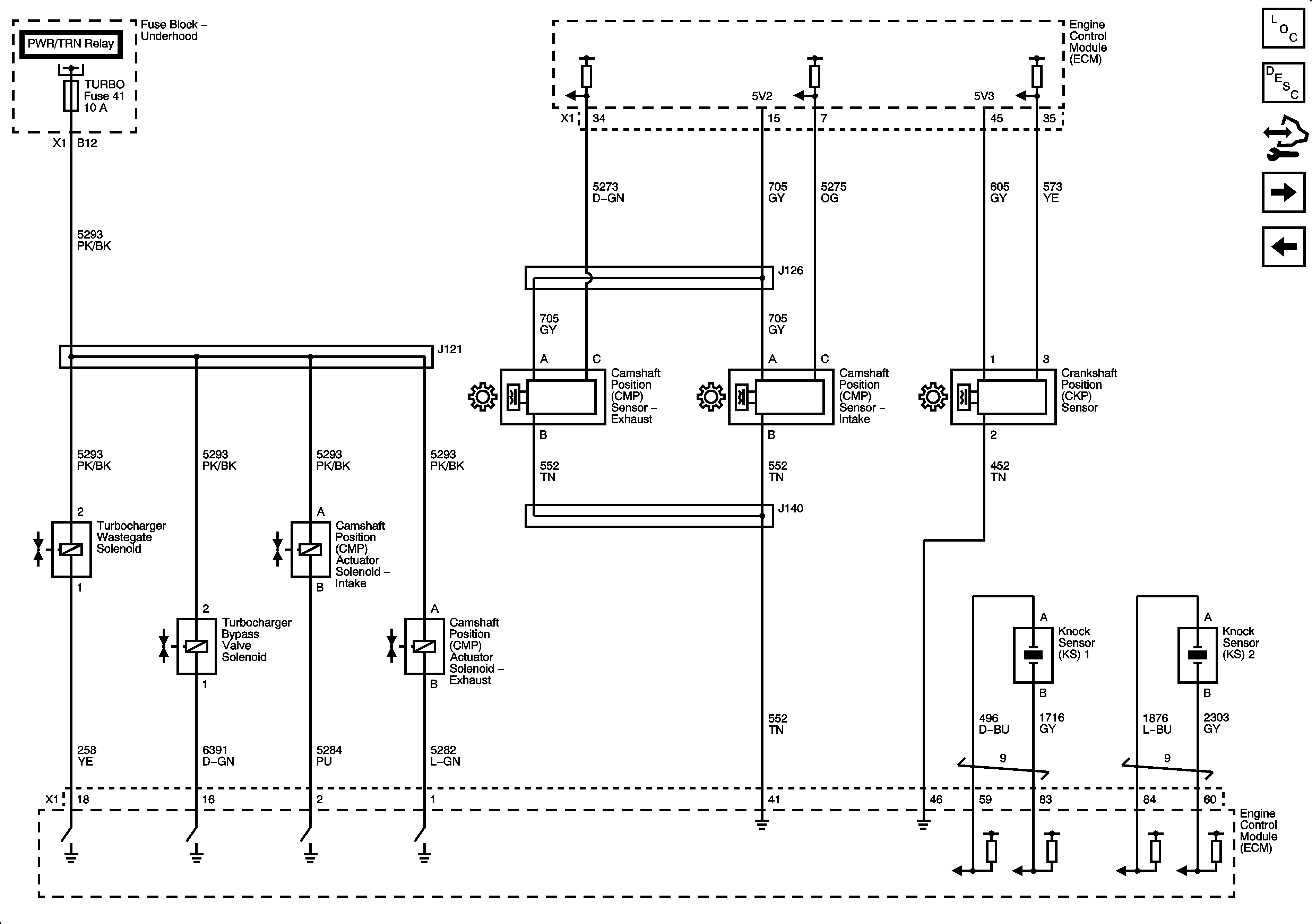
Ignition Controls - Sensors
Engine Data Sensors - Oxygen Sensors
Figure 6:

Ignition Controls - Sensors


Object Number: 1913927  Size: FS
Master Electrical Component List
Electronic Ignition (EI) System Description
Control Module References
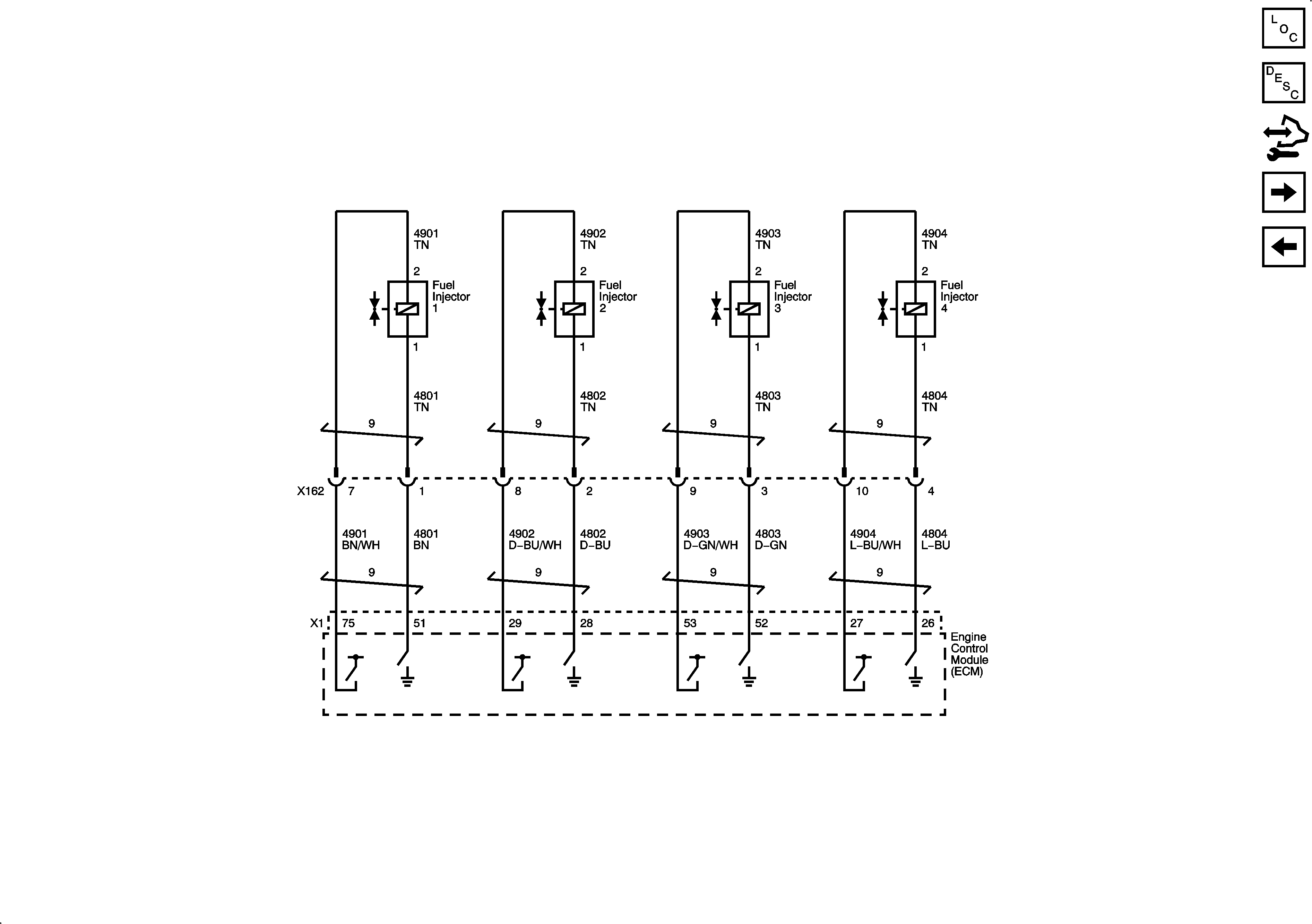
Fuel Controls - Fuel Pump and Fuel Injectors
Engine Data Sensors - Electronic Throttle Controls
Figure 7:

Fuel Controls - Fuel Pump Controls and Fuel Injectors


Object Number: 1913930  Size: FS
Master Electrical Component List
Electronic Ignition (EI) System Description
Control Module References
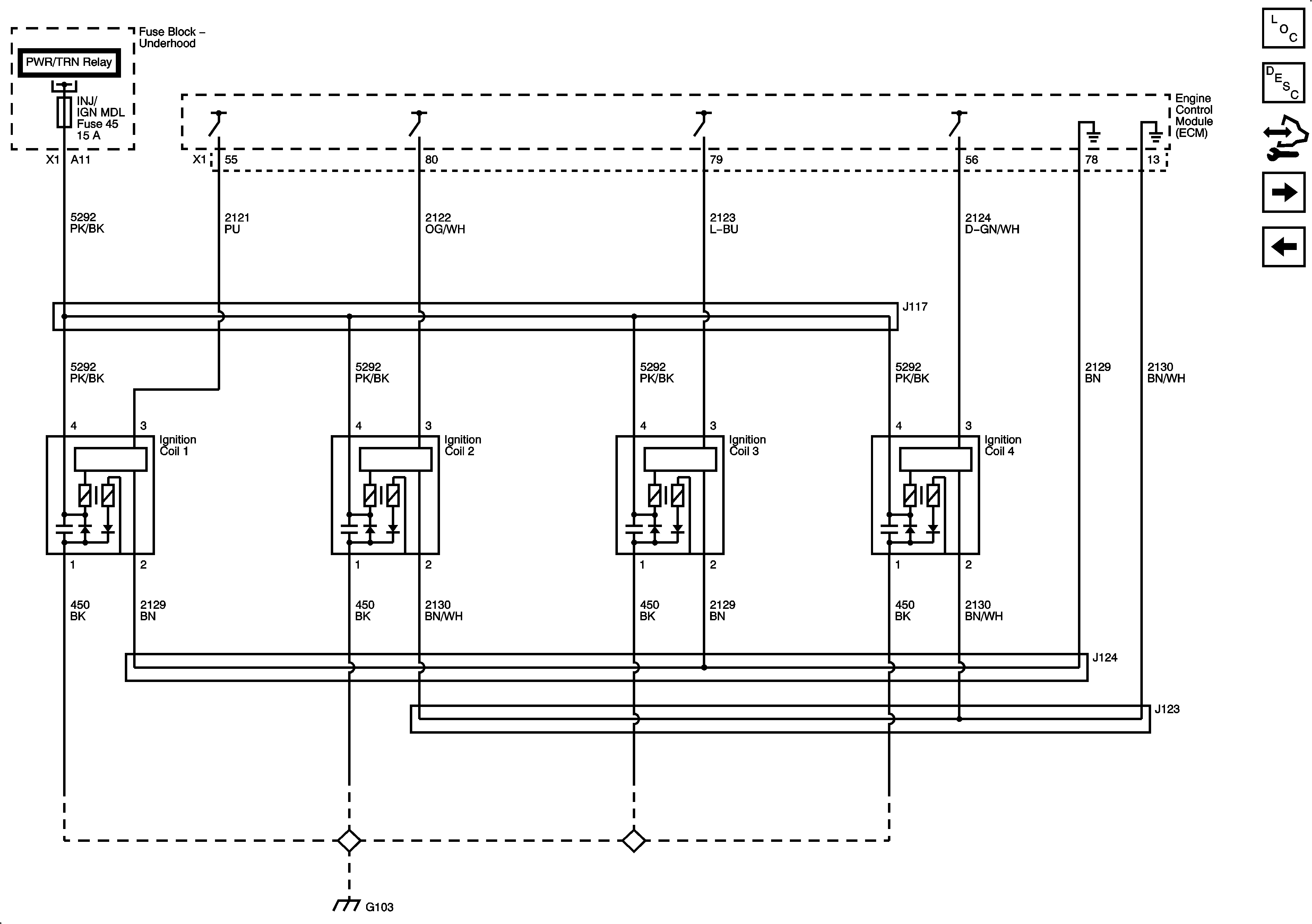
Ignition Controls - Ignition System
Ignition Controls - Sensors
Figure 8:

Ignition Controls - Ignition System


Object Number: 1913932  Size: FS
Master Electrical Component List
Electronic Ignition (EI) System Description
Control Module References
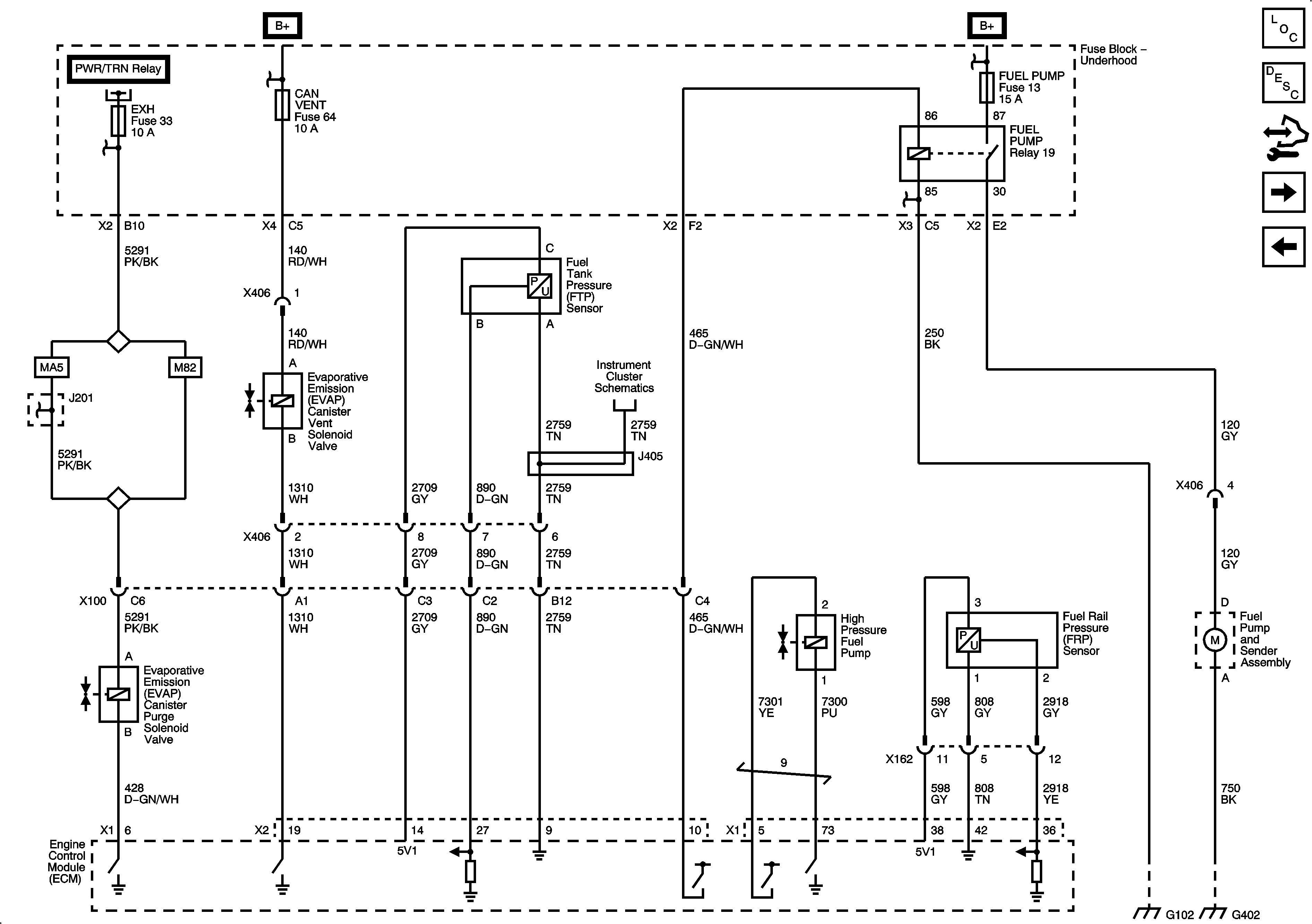
Fuel Controls - EVAP Controls
Fuel Controls - Fuel Pump and Fuel Injectors
Figure 9:

Fuel Controls - EVAP Controls


Object Number: 1913934  Size: FS
Master Electrical Component List
Evaporative Emission Control System Description
Control Module References
Controlled/Monitored Subsystem References
Ignition Controls - Ignition System
Figure 10:

Controlled/Monitored Subsystem References


Object Number: 1913936  Size: FS
Master Electrical Component List
Engine Control Module Description
Control Module References
Fuel Controls - EVAP Controls