GM Service Manual Online
For 1990-2009 cars only
Makes
🢒
Pontiac
🢒
2008
🢒
Solstice
🢒
Engine
🢒
Engine Cooling
🢒 Engine Cooling Schematics
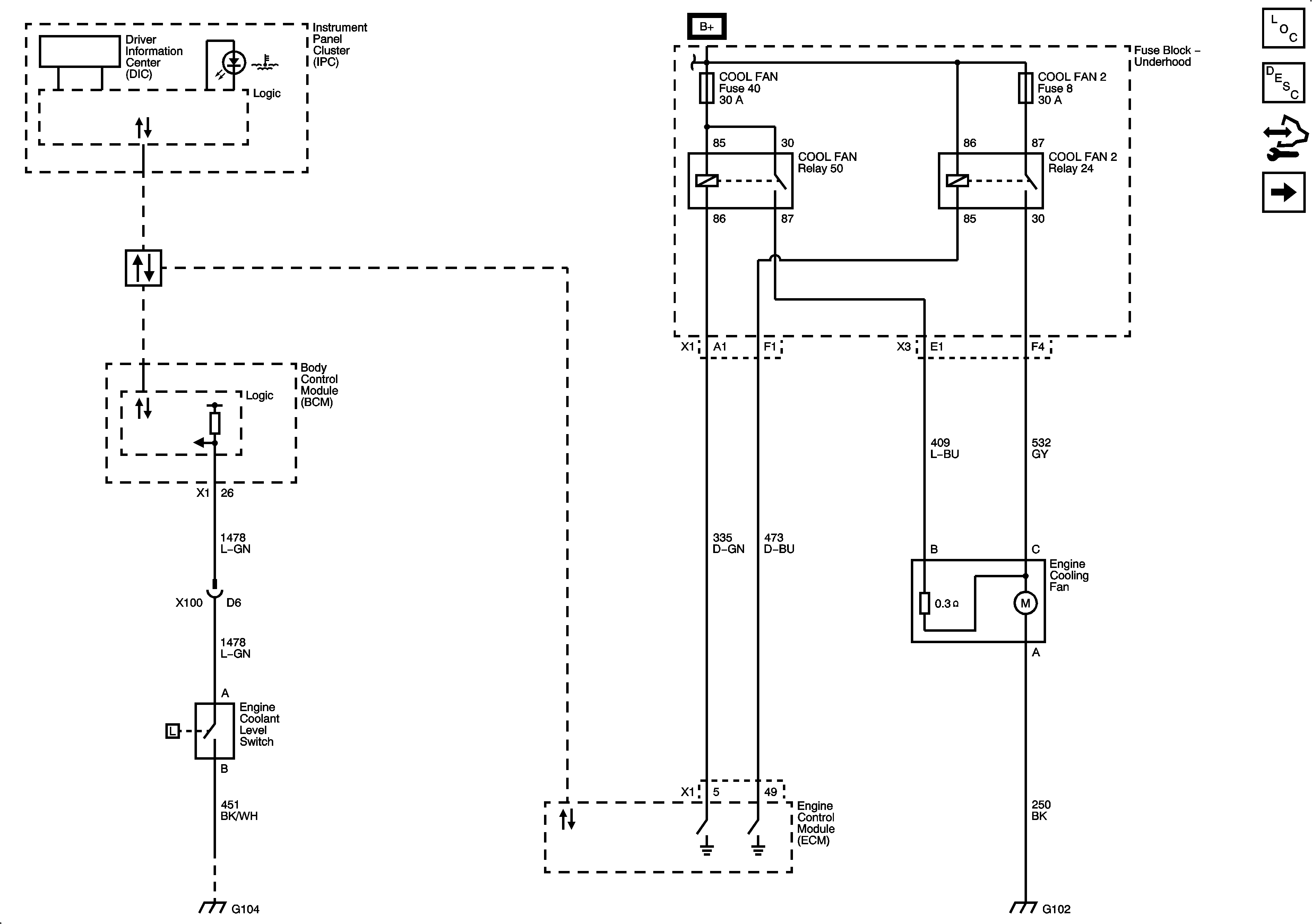
Engine Cooling Schematics LE5
Master Electrical Component List
Cooling System Description and Operation
Control Module References
LNF
Engine Cooling Schematics LNF
Master Electrical Component List
Cooling System Description and Operation
Control Module References
LE5