GM Service Manual Online
For 1990-2009 cars only

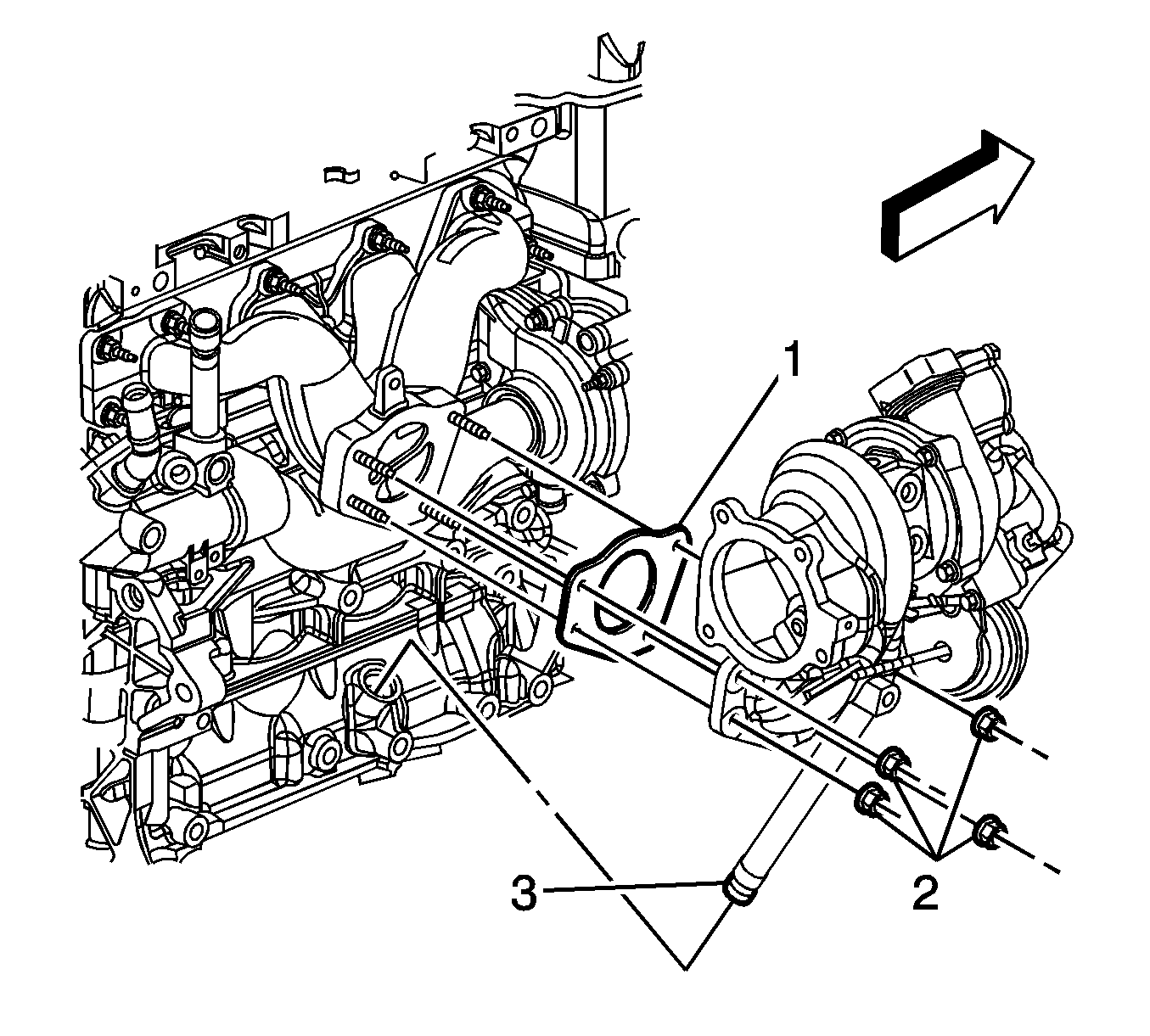
Removal Procedure


    Object Number: 1769629  Size: SH
  1. Drain the cooling system. Refer to Cooling System Draining and Filling .
  2. Remove the charge air cooler inlet pipe. Refer to Charge Air Cooler Inlet Pipe Replacement .
  3. Remove the charge air cooler pipe bolts at the turbocharger.
  4. Remove the charge air cooler pipe from the turbocharger.

  5. Object Number: 1750397  Size: SH
  6. Remove the turbocharger heat shield bolts (1) and shield.
  7. Remove the catalytic converter. Refer to Catalytic Converter Replacement .

  8. Object Number: 1750403  Size: SH
  9. Remove the catalytic converter bracket bolt, nut, and bracket.
  10. Lower the vehicle.

  11. Object Number: 1750405  Size: SH
  12. Remove the turbocharger brace nut and brace.

  13. Object Number: 1750410  Size: SH
  14. Disconnect the engine wiring harness electrical connector from the turbocharger wastegate solenoid valve.

  15. Object Number: 1750413  Size: SH
  16. Reposition the vacuum hose clamp (5) at the turbocharger.
  17. Remove the vacuum hose from the turbocharger.

  18. Object Number: 1750409  Size: SH
  19. Remove the engine wiring harness clip (1) from the turbocharger coolant feed pipe.

  20. Object Number: 1750401  Size: SH
  21. Remove the turbocharger coolant feed pipe bolt (1) at the turbocharger.
  22. Remove and discard the turbocharger coolant feed pipe gasket.
  23. Remove the turbocharger coolant feed pipe bolt (3) from the cylinder head.
  24. Reposition the turbocharger coolant feed pipe out of the way.

  25. Object Number: 1826800  Size: SH
  26. Remove the positive crankcase ventilation (PCV) fitting bolt from the turbocharger. Reposition the PCV pipe (with fitting) out of the way.

  27. Object Number: 1750398  Size: SH
  28. Remove the turbocharger coolant return pipe bolts and pipe.
  29. Remove and discard the turbocharger coolant return pipe gaskets.

  30. Object Number: 1750400  Size: SH

    Notice: Do not twist the turbocharger oil feed pipe. Twisting of the feed pipe will result in the collapse and deformation of the plastic pipe, restricting oil flow and causing turbocharger damage. During turbocharger replacement, gently push the oil feed pipe towards the front of the engine to clear the turbocharger. Assistance may be required to keep the pipes clear of the turbocharger during removal or installation.

  31. Remove the turbocharger oil feed pipe bolts and pipe.
  32. Remove and discard the turbocharger oil feed pipe gaskets.

  33. Object Number: 1750407  Size: SH
  34. Remove the turbocharger nuts (2).
  35. Remove the turbocharger from the exhaust manifold studs while also removing the turbocharger oil return hose from the engine block.
  36. Remove and discard the turbocharger gasket (1) and oil return hose O-ring seal (3).

  37. Object Number: 1750408  Size: SH
  38. If replacing the turbocharger, perform the following steps otherwise proceed to the step 7 in the Installation Procedure.
  39. Remove the turbocharger oil return hose bolts (2) and hose from the turbocharger.
  40. Remove and discard the turbocharger oil return hose gasket (1).

  41. Object Number: 1750487  Size: SH
  42. Reposition the vacuum hose clamps (1, 2, and 3) at the turbocharger wastegate solenoid valve.
  43. Remove the vacuum hoses from the turbocharger wastegate solenoid valve.
  44. Gently push back the turbocharger wastegate solenoid valve retainer (4) and remove the turbocharger wastegate solenoid valve from the bracket.

Installation Procedure


    Object Number: 1750487  Size: SH
  1. If replacing the turbocharger, perform the following steps otherwise proceed to step 7.
  2. Install the turbocharger wastegate solenoid valve to the bracket until the retainer (4) clips into place.
  3. Install the vacuum hoses to the turbocharger wastegate solenoid valve.
  4. Position the vacuum hose clamps (1, 2, and 3) at the turbocharger wastegate solenoid valve.

  5. Object Number: 1750408  Size: SH
  6. Position a NEW turbocharger oil return hose gasket (1) on the turbocharger oil return hose.
  7. Notice: Refer to Fastener Notice in the Preface section.

  8. Install the turbocharger oil return hose and bolts (2).
  9. Tighten
    Tighten the bolts to 10 N·m (89 lb in).


    Object Number: 1750407  Size: SH
  10. Install a NEW turbocharger gasket (1) onto the exhaust manifold studs.
  11. Lubricate and install a NEW turbocharger oil return hose O-ring seal (3).
  12. Install the turbocharger oil return hose to the engine block while also installing the turbocharger to the exhaust manifold studs.
  13. Install the turbocharger nuts (2).
  14. Tighten
    Tighten the nuts to 35 N·m (26 lb ft).


    Object Number: 1750400  Size: SH
  15. Install NEW gaskets onto the turbocharger oil feed pipe fittings.
  16. Install the turbocharger oil feed pipe and bolts.
  17. Tighten
    Tighten the bolts to 32 N·m (24 lb ft).


    Object Number: 1750398  Size: SH
  18. Install NEW gaskets onto the turbocharger coolant return pipe fittings.
  19. Install the turbocharger coolant return pipe and bolts.
  20. Tighten
    Tighten the bolts to 35 N·m (26 lb ft).


    Object Number: 1826800  Size: SH
  21. Install a NEW O-ring seal to the PCV fitting.
  22. Position the PCV pipe (with fitting) and install the PCV fitting bolt to the turbocharger.
  23. Tighten
    Tighten the bolt to 10 N·m (89 lb in).


    Object Number: 1750401  Size: SH
  24. Position the turbocharger coolant feed pipe to the turbocharger.
  25. Install NEW gaskets onto the turbocharger coolant feed pipe fitting.
  26. Install the turbocharger coolant feed pipe bolt (1) at the turbocharger.
  27. Tighten
    Tighten the bolt to 35 N·m (26 lb ft).

  28. Install the turbocharger coolant feed pipe bolt (3) to the cylinder head.
  29. Tighten
    Tighten the bolt to 10 N·m (89 lb in).


    Object Number: 1750409  Size: SH
  30. Install the engine wiring harness clip (1) to the turbocharger coolant feed pipe.

  31. Object Number: 1750413  Size: SH
  32. Install the vacuum hose to the turbocharger.
  33. Position the vacuum hose clamp (5) at the turbocharger.

  34. Object Number: 1750410  Size: SH
  35. Connect the engine wiring harness electrical connector to the turbocharger wastegate solenoid valve.

  36. Object Number: 1750405  Size: SH
  37. Install the turbocharger brace bolt and nut.
  38. Tighten
    Tighten the nut to 58 N·m (43 lb ft).


    Object Number: 1750403  Size: SH
  39. Raise and suitably support the vehicle. Refer to Lifting and Jacking the Vehicle .
  40. Position the catalytic converter bracket to the engine.
  41. Install the catalytic converter bracket bolt, and nut until snug.
  42. Install the catalytic converter. Refer to Catalytic Converter Replacement .
  43. Tighten the catalytic converter bracket bolt and nut.
  44. Tighten
    Tighten the bolt/nut to 58 N·m (43 lb ft).


    Object Number: 1750397  Size: SH
  45. Lower the vehicle.
  46. Install the turbocharger heat shield and bolts (1).
  47. Tighten
    Tighten the bolts to 10 N·m (89 lb in).


    Object Number: 1769629  Size: SH
  48. Install the charge air cooler pipe and gasket to the turbocharger.
  49. Install the charge air cooler pipe bolts at the turbocharger.
  50. Tighten
    Tighten the bolts to 22 N·m (16 lb ft).

  51. Install the charge air cooler inlet pipe. Refer to Charge Air Cooler Inlet Pipe Replacement .
  52. Fill the cooling system. Refer to Cooling System Draining and Filling .