GM Service Manual Online
For 1990-2009 cars only
Figure 1:

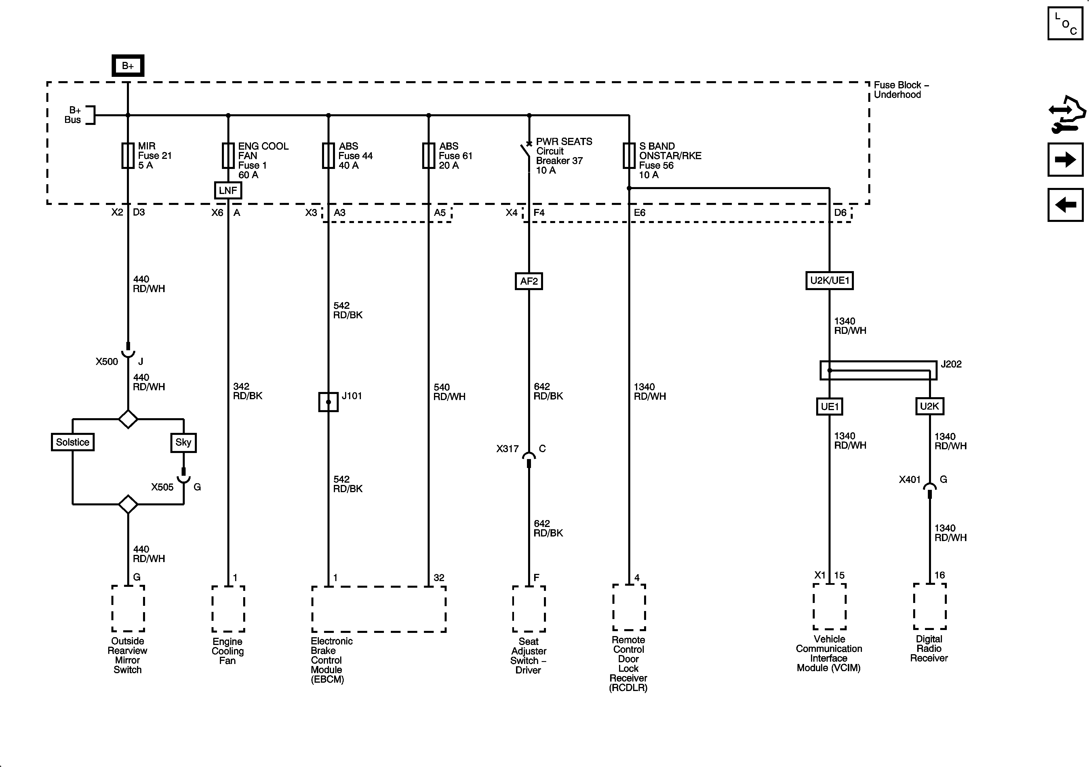
B+ Bus - 1 of 2


Object Number: 1914260  Size: FS
Master Electrical Component List
Control Module References
B+ Bar - 2 of 2
Figure 2:

B+ Bus - 2 of 2


Object Number: 1914263  Size: FS
Master Electrical Component List
Control Module References
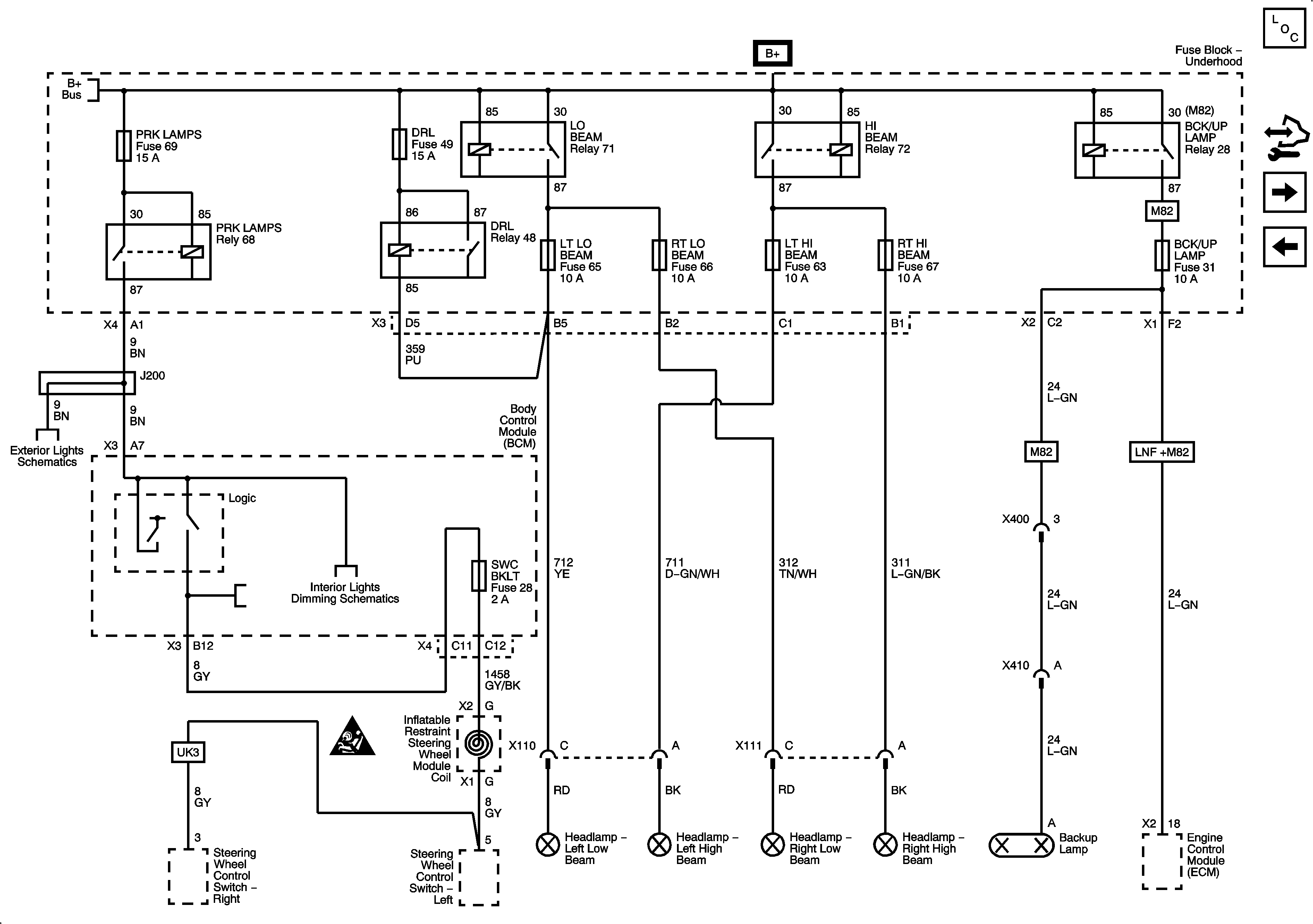
DRL, LT LO BEAM, RT LO BEAM, LT HI BEAM, RT HI BEAM, BCK/UP LAMP, and Park Lamps Fuses (SKY)
B+ Bar - 1 of 2
Figure 3:

DRL, LT LO BEAM, RT LO BEAM, LT HI BEAM, RT HI BEAM, BCK/UP LAMP, and Park Lamps Fuses


Object Number: 1914266  Size: FS
Master Electrical Component List
Control Module References
LT HI BEAM, LT LO BEAM, RT HI BEAM, RT LO BEAM and DRL Fuses (Solstice)
B+ Bar - 2 of 2
Figure 4:

LT HI BEAM, LT LO BEAM, RT HI BEAM, RT LO BEAM and DRL Fuses


Object Number: 2000523  Size: FS
Master Electrical Component List
Control Module References
ABS, BCK/UP LAMP, CAN VENT, ECM/TRANS, I/P IGN, AIR BAG, EPS/STR WHL CNTRL, HVAC/IP IGN, WPR and OUTLET Fuses
DRL, LT LO BEAM, RT LO BEAM, LT HI BEAM, RT HI BEAM, BCK/UP LAMP, and Park Lamps Fuses (SKY)
Figure 5:

ABS, BCK/UP LAMP, CAN VENT, ECM/TRANS, I/P IGN, AIR BAG, EPS/STR WHL CNTRL, HVAC/IP IGN, WPR and OUTLET Fuses


Object Number: 1914268  Size: FS
Master Electrical Component List
Control Module References
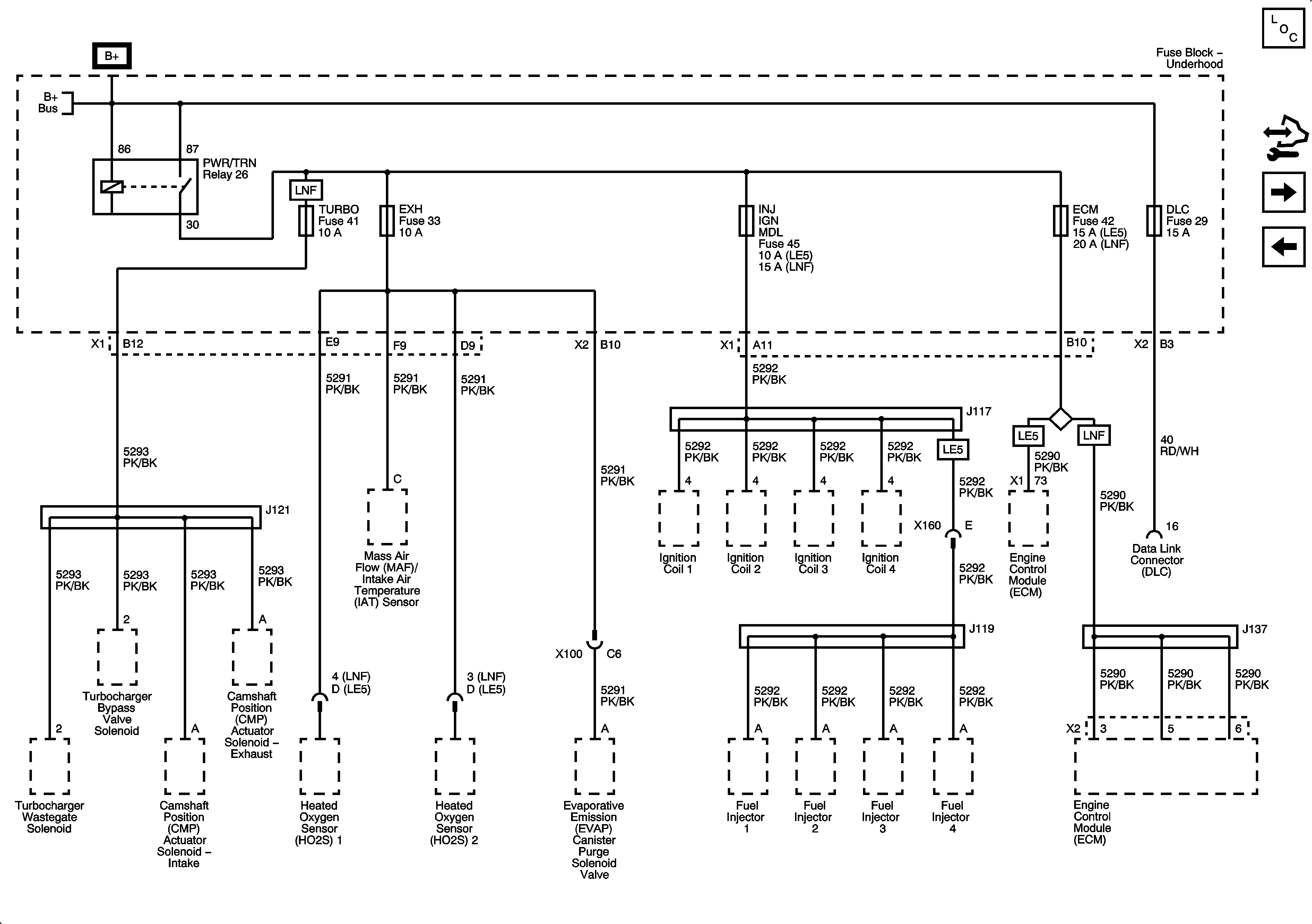
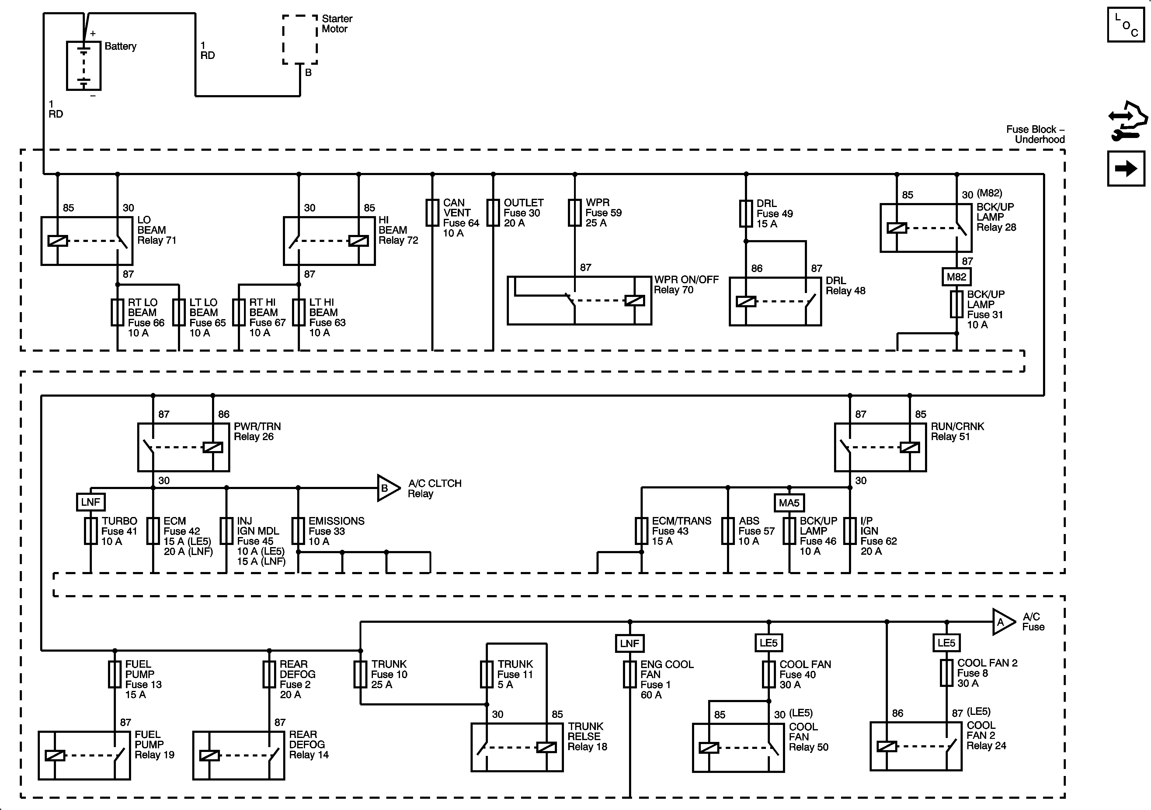
DLC, ECM, EXH, INJ IGN MDL, and Turbo Fuses
LT HI BEAM, LT LO BEAM, RT HI BEAM, RT LO BEAM and DRL Fuses (Solstice)
Figure 6:

DLC, ECM, Emissions, INJ IGN MDL, and Turbo Fuses


Object Number: 1914270  Size: FS
Master Electrical Component List
Control Module References
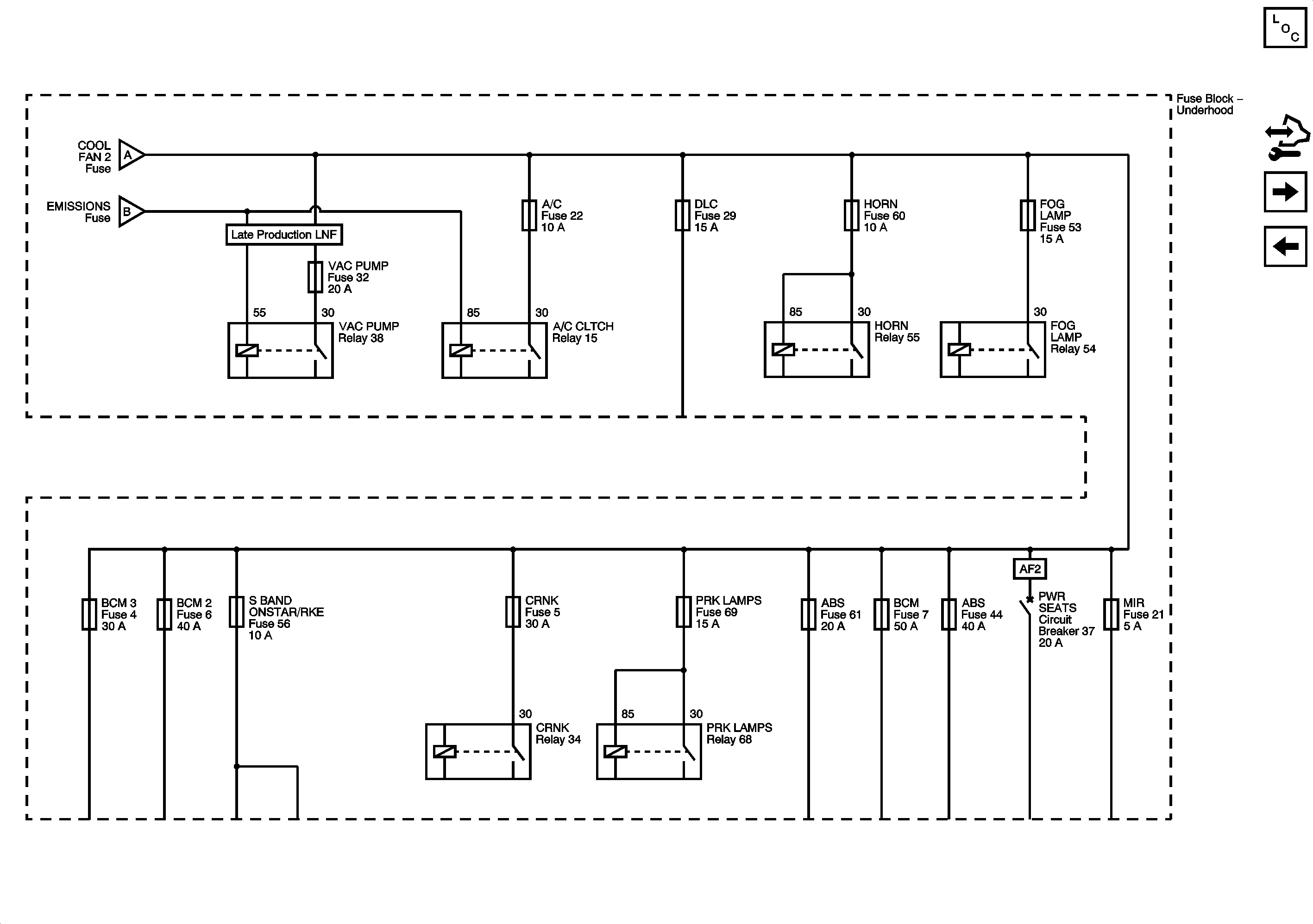
ABS, ABS/BCM, MIR, S-BAND ONSTAR/RKE ENG COOL FAN Fuses and PWR SEATS Circuit Breaker
ABS, BCK/UP LAMP, CAN VENT, ECM/TRANS, I/P IGN, AIR BAG, EPS/STR WHL CNTRL, HVAC/IP IGN, WPR and OUTLET Fuses
Figure 7:

ABS, ABS/BCM, MIR, S-BAND ONSTAR/RKE, COOL FAN Fuses and PWR SEATS Circuit Breaker


Object Number: 1914276  Size: FS
Master Electrical Component List
Control Module References
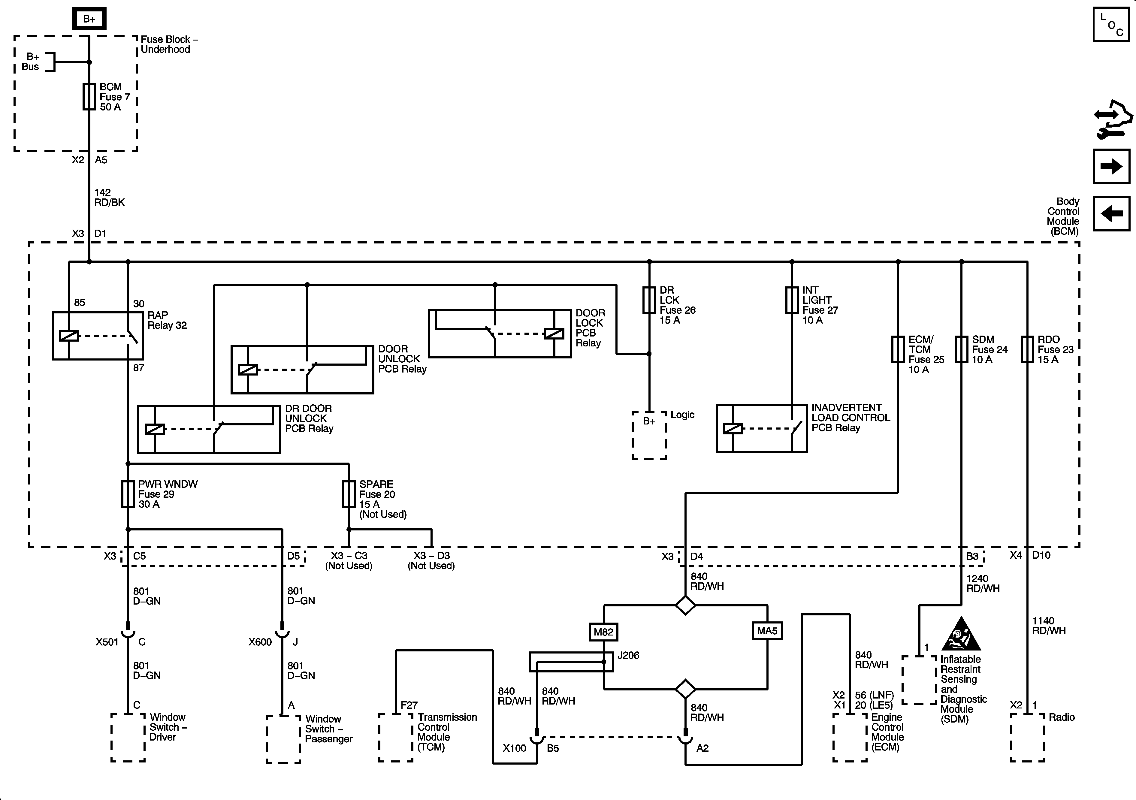
BCM, DR LCK, ECM/TCM, INT/LIGHT, PWR WNDW, RDO, and SDM Fuses
DLC, ECM, EXH, INJ IGN MDL, and Turbo Fuses
Figure 8:

BCM, DR LCK, ECM/TCM, INT/LIGHT, PWR WNDW, RDO, and SDM Fuses


Object Number: 1914279  Size: FS
Master Electrical Component List
Control Module References
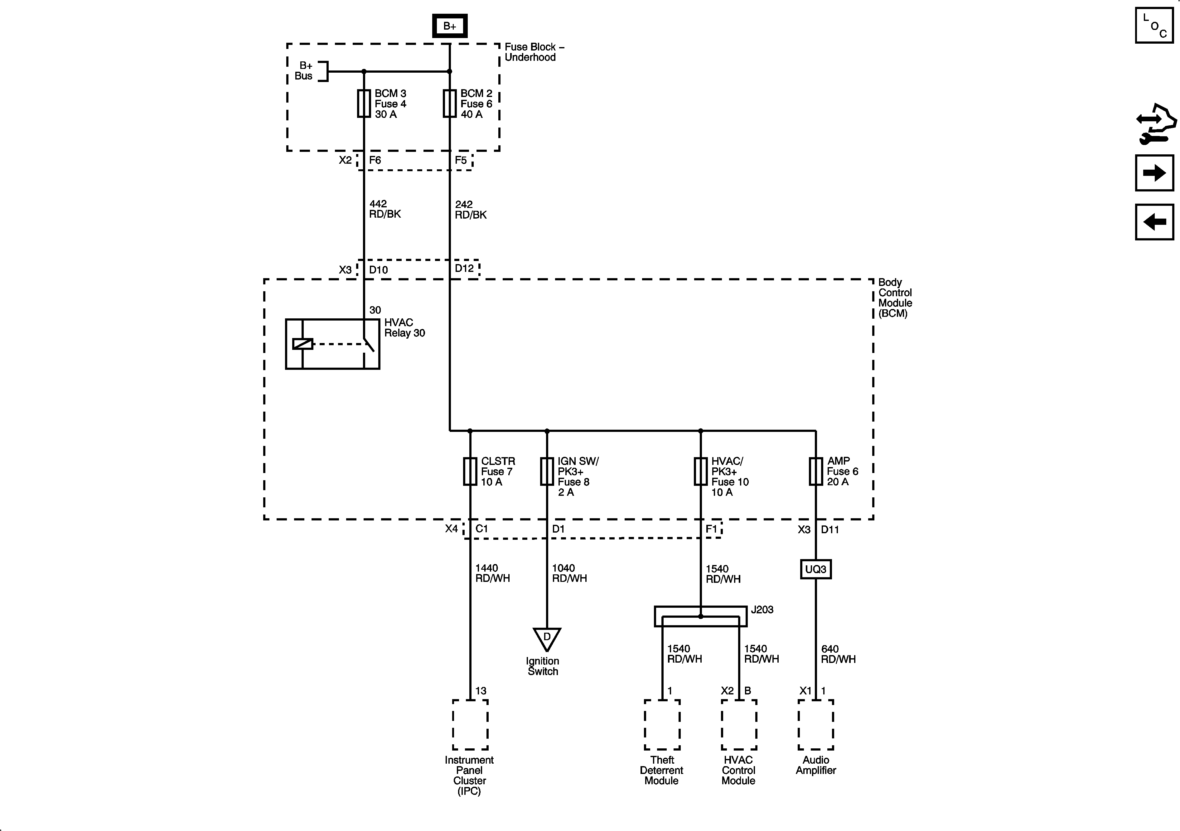
BCM2, BCM3, AMP, CLSTR, HVAC/PK3+, and IGN SW/PK3+ Fuses
ABS, ABS/BCM, MIR, S-BAND ONSTAR/RKE ENG COOL FAN Fuses and PWR SEATS Circuit Breaker
Figure 9:

BCM2 , BCM3, AMP, CLSTR, HVAC/PK3+, and IGN SW/PK3+ Fuses


Object Number: 1914281  Size: FS
Master Electrical Component List
Control Module References
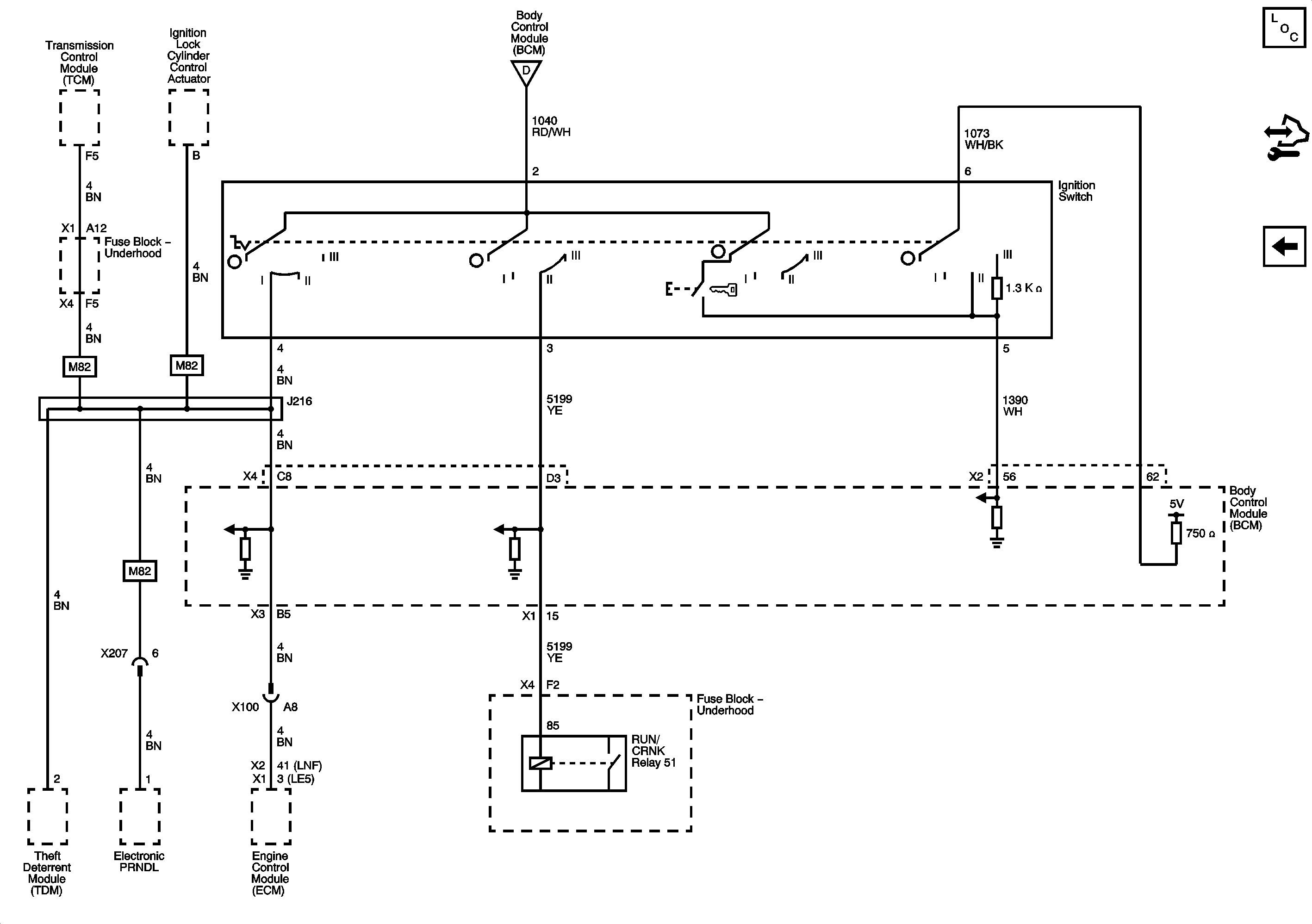
Ignition Switch Modes
BCM, DR LCK, ECM/TCM, INT/LIGHT, PWR WNDW, RDO, and SDM Fuses
Figure 10:

Ignition Switch Modes


Object Number: 1914284  Size: FS
Master Electrical Component List
Control Module References
BCM2, BCM3, AMP, CLSTR, HVAC/PK3+, and IGN SW/PK3+ Fuses