GM Service Manual Online
For 1990-2009 cars only

    Object Number: 1825034  Size: SH
  1. Assemble the camshaft cover and gasket. Ensure that the gasket is located in the retaining groove in the camshaft cover.
  2. Notice: Refer to Fastener Notice in the Preface section.

  3. Install the cover on the cylinder head and hand start the bolts.

  4. Object Number: 1769936  Size: SH
  5. Install the front lift bracket.
  6. Install the front lift bracket bolts.
  7. Tighten
    Tighten the bolts to 25 N·m (18 lb ft).


    Object Number: 1769939  Size: SH
  8. Install the rear lift bracket.
  9. Install the rear lift bracket bolts.
  10. Tighten
    Tighten the bolts to 25 N·m (18 lb ft).


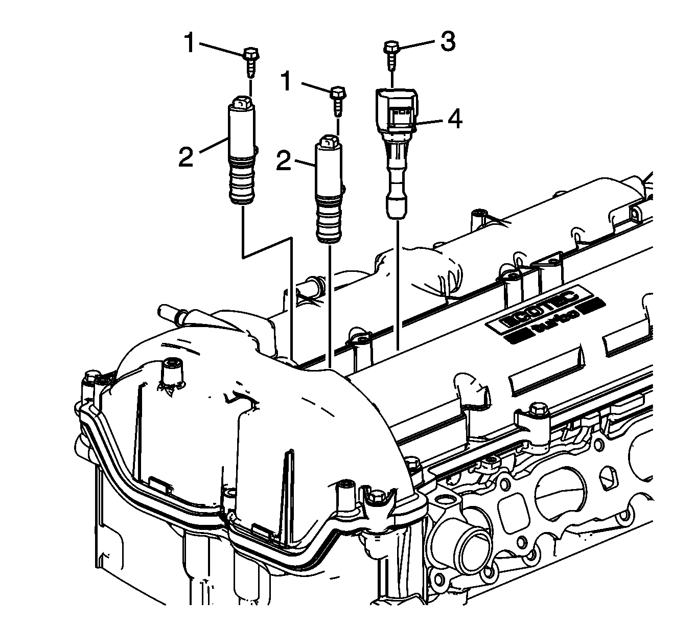
    Object Number: 1846504  Size: SH
  11. Install the ignition coils.
  12. Tighten
    Tighten the ignition coil bolts to 10 N·m (89 lb in).

  13. Tighten the camshaft cover bolts.
  14. Tighten
    Tighten the camshaft cover bolts to 10 N·m (89 lb in).

    Important: The solenoid valves are marked intake and exhaust.

  15. Install the camshaft position actuator solenoid valves.
  16. Install the camshaft position actuator solenoid valve bolts.
  17. Tighten
    Tighten the camshaft position actuator solenoid valve bolts to 10 N·m 89 lb in.