GM Service Manual Online
For 1990-2009 cars only
Makes
🢒
Pontiac
🢒
2008
🢒
Solstice
🢒
Diagnostic Navigation
🢒
Vehicle Diagnostic Information
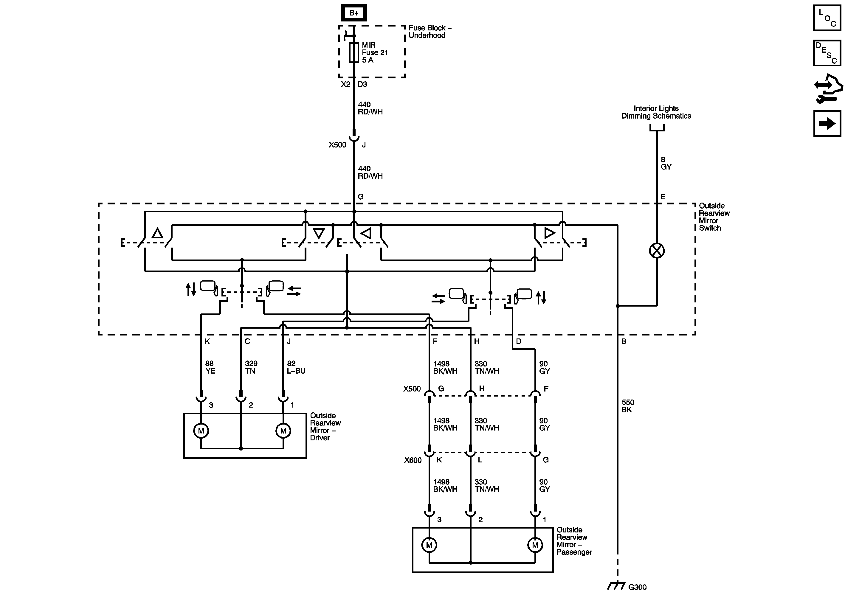
🢒 Outside Rearview Mirror Schematics
Figure
1:
Solstice
Master Electrical Component List
Outside Mirror Description and Operation
Control Module References
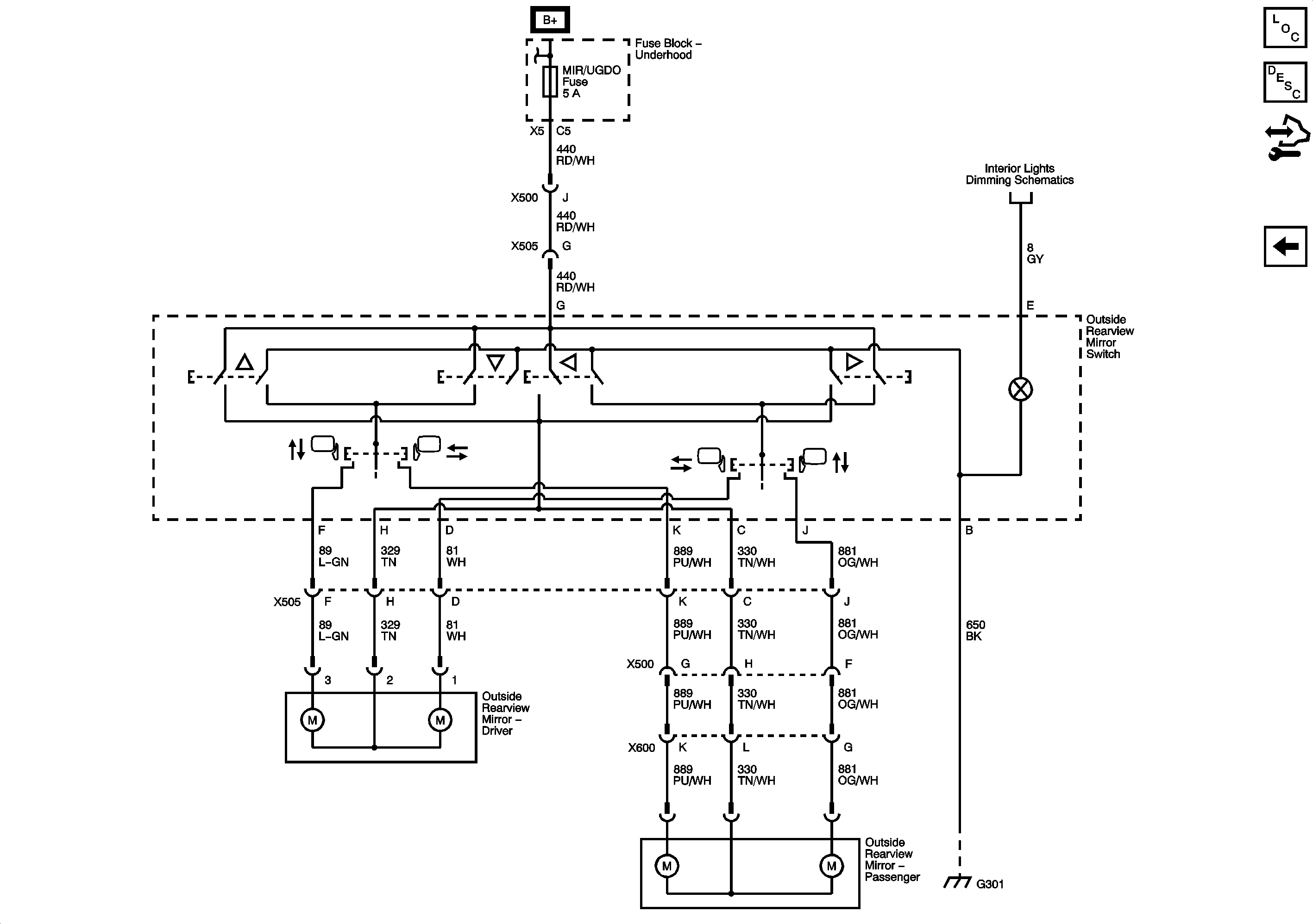
Outside Rearview Mirror Schematics - SKY
Figure
2:
Sky
Master Electrical Component List
Outside Mirror Description and Operation
Control Module References
Outside Rearview Mirrors - Solstice