GM Service Manual Online
For 1990-2009 cars only
Makes
🢒
Pontiac
🢒
2008
🢒
Solstice
🢒
Diagnostic Navigation
🢒
Vehicle Diagnostic Information
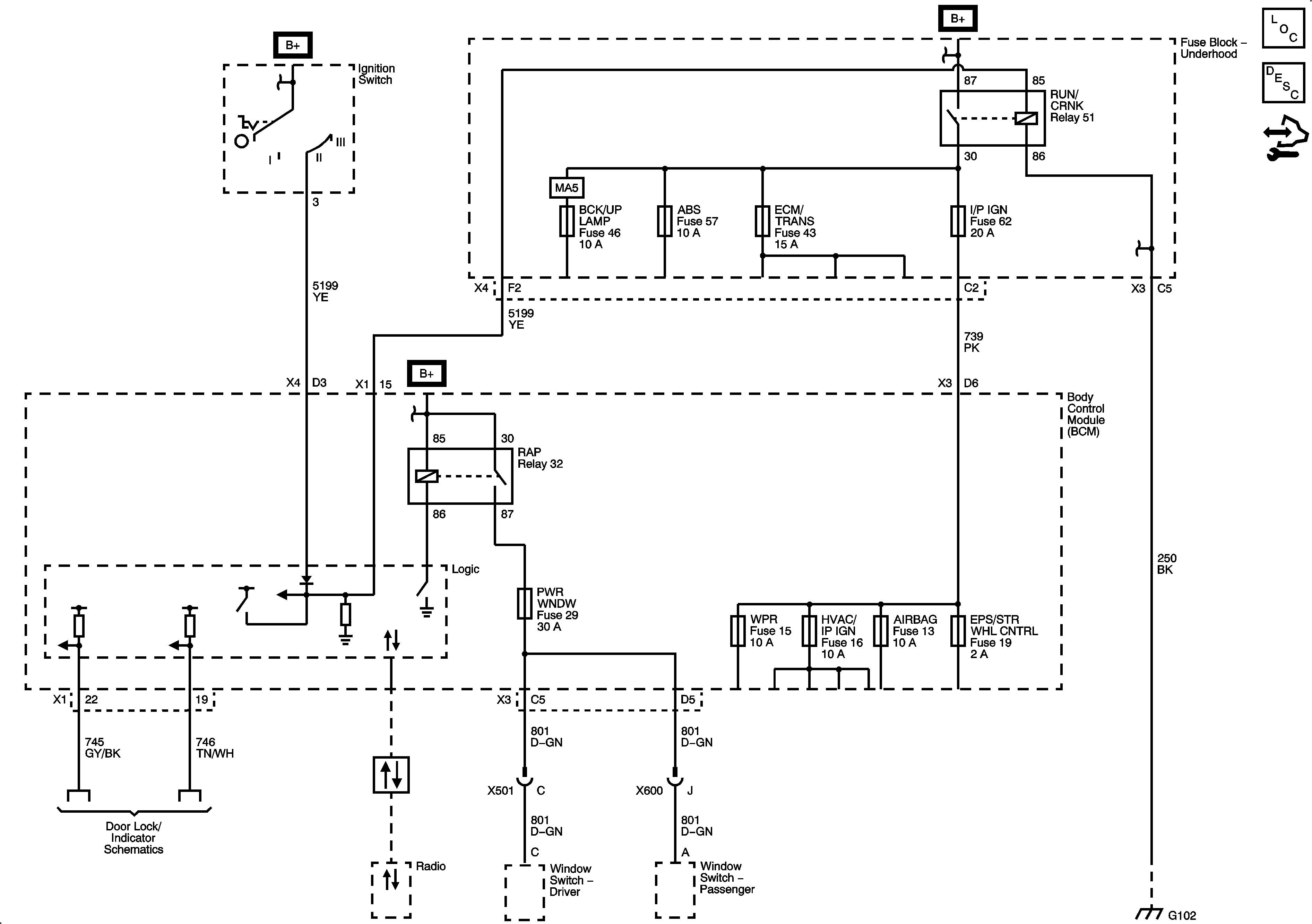
🢒 Power Moding Schematics
Master Electrical Component List
Power Mode Description and Operation
Control Module References