GM Service Manual Online
For 1990-2009 cars only
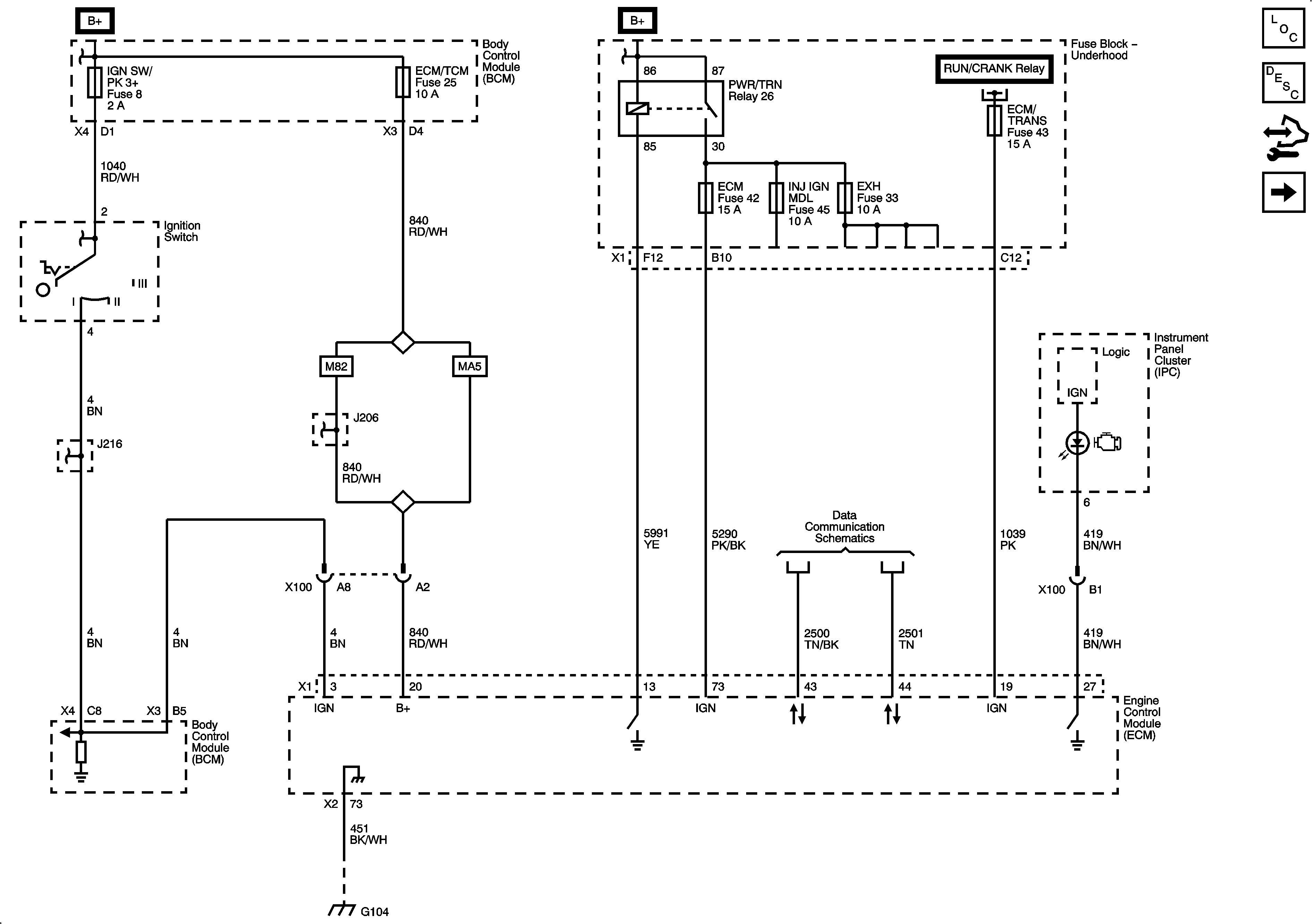
Figure 1:

Power, Ground, Data Link, and MIL


Object Number: 1913938  Size: FS
Master Electrical Component List
Engine Control Module Description
Control Module References
5-Volt and Low Reference
Figure 2:

5-Volt and Low Reference


Object Number: 1913940  Size: FS
Master Electrical Component List
Engine Control Module Description
Control Module References
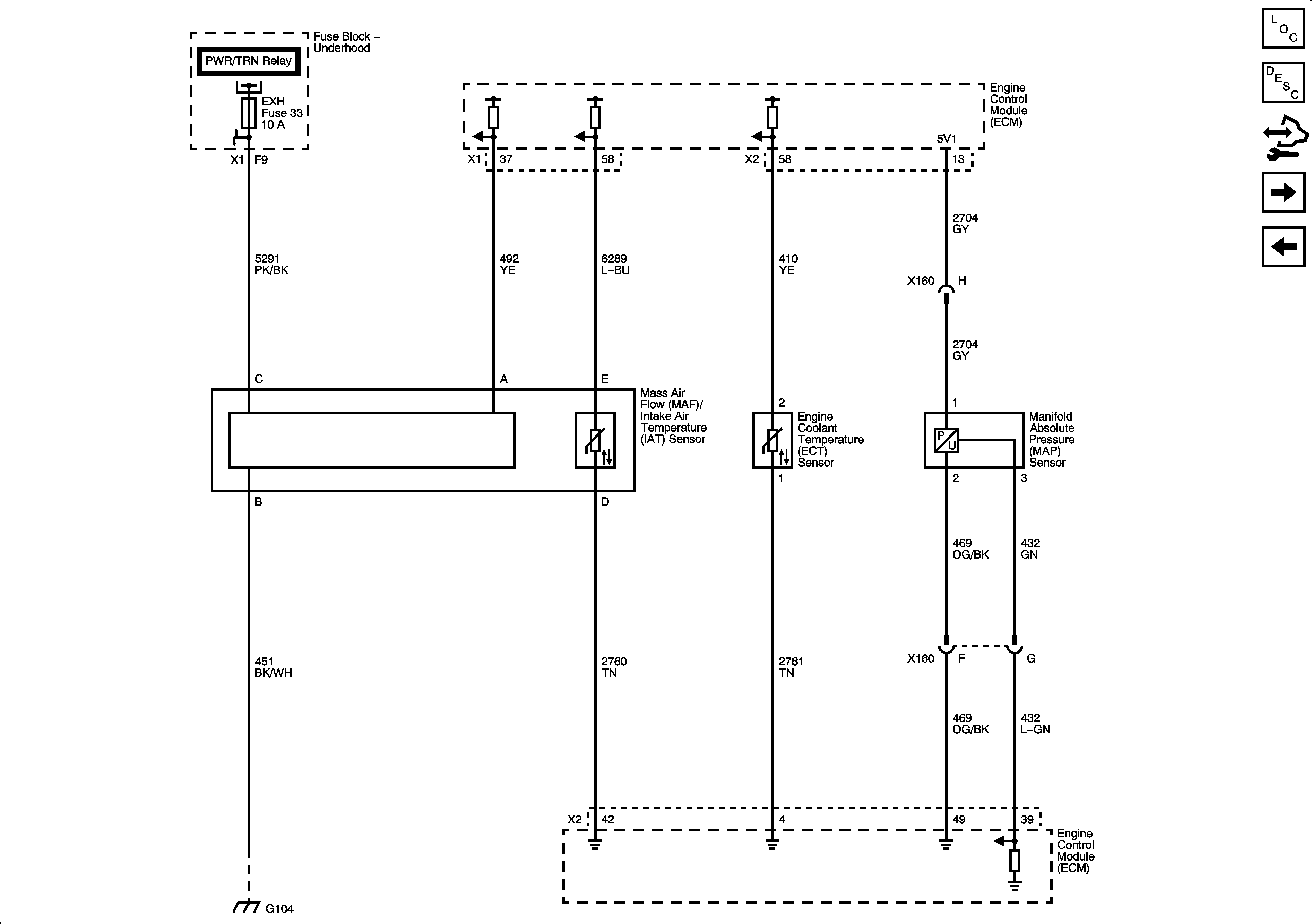
Engine Data Sensors - Pressure and Temperature
Power, Ground, Data Link, and MIL
Figure 3:

Engine Data Sensors - Pressure and Temperature


Object Number: 1913942  Size: FS
Master Electrical Component List
Air Intake System Description
Control Module References
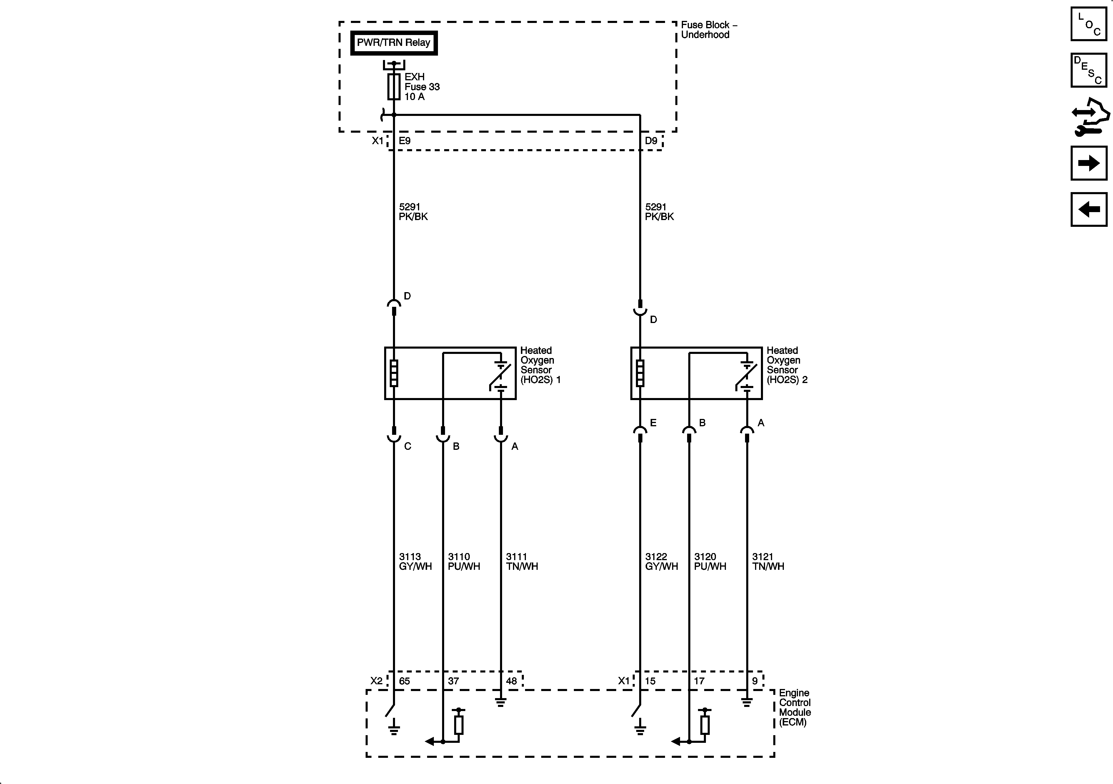
Engine Data Sensors - Oxygen Sensors
5-Volt and Low Reference
Figure 4:

Engine Data Sensors - Oxygen Sensors


Object Number: 1913944  Size: FS
Master Electrical Component List
Engine Control Module Description
Control Module References
Engine Data Sensors - Electronic Throttle Controls
Engine Data Sensors - Pressure and Temperature
Figure 5:

Engine Data Sensors - Electronic Throttle Controls


Object Number: 1913948  Size: FS
Master Electrical Component List
Throttle Actuator Control (TAC) System Description
Control Module References
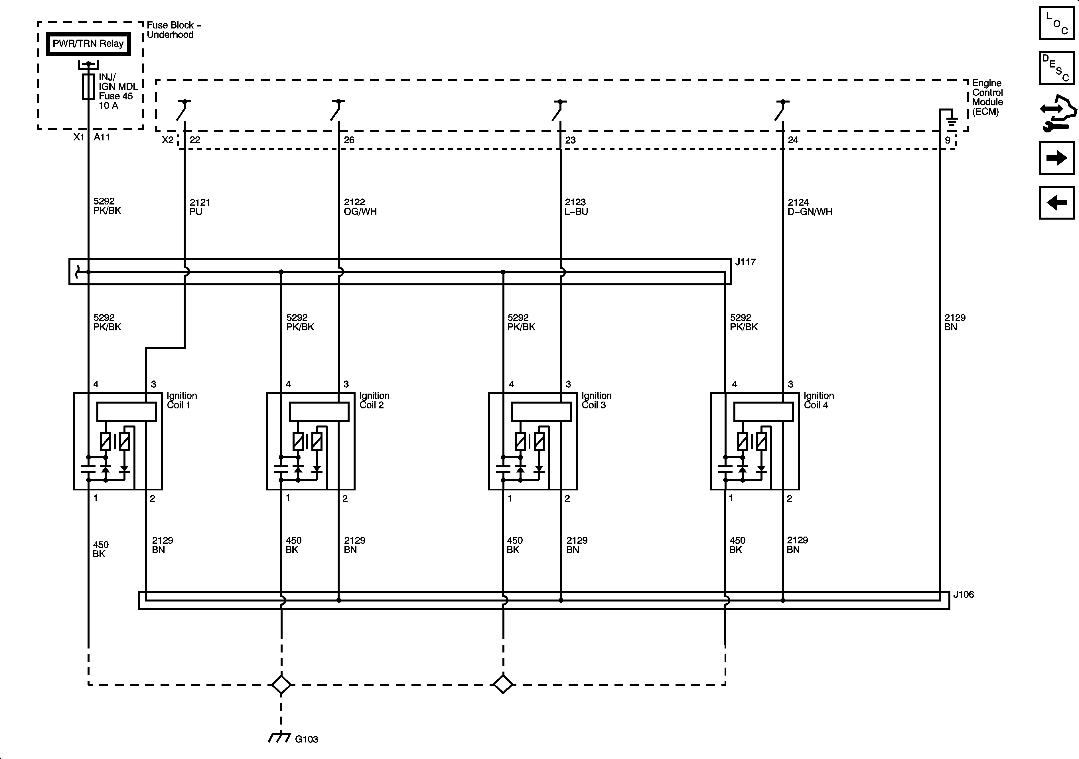
Ignition Controls - Ignition System
Engine Data Sensors - Oxygen Sensors
Figure 6:

Ignition Controls - Ignition System


Object Number: 1913953  Size: FS
Master Electrical Component List
Electronic Ignition (EI) System Description
Control Module References
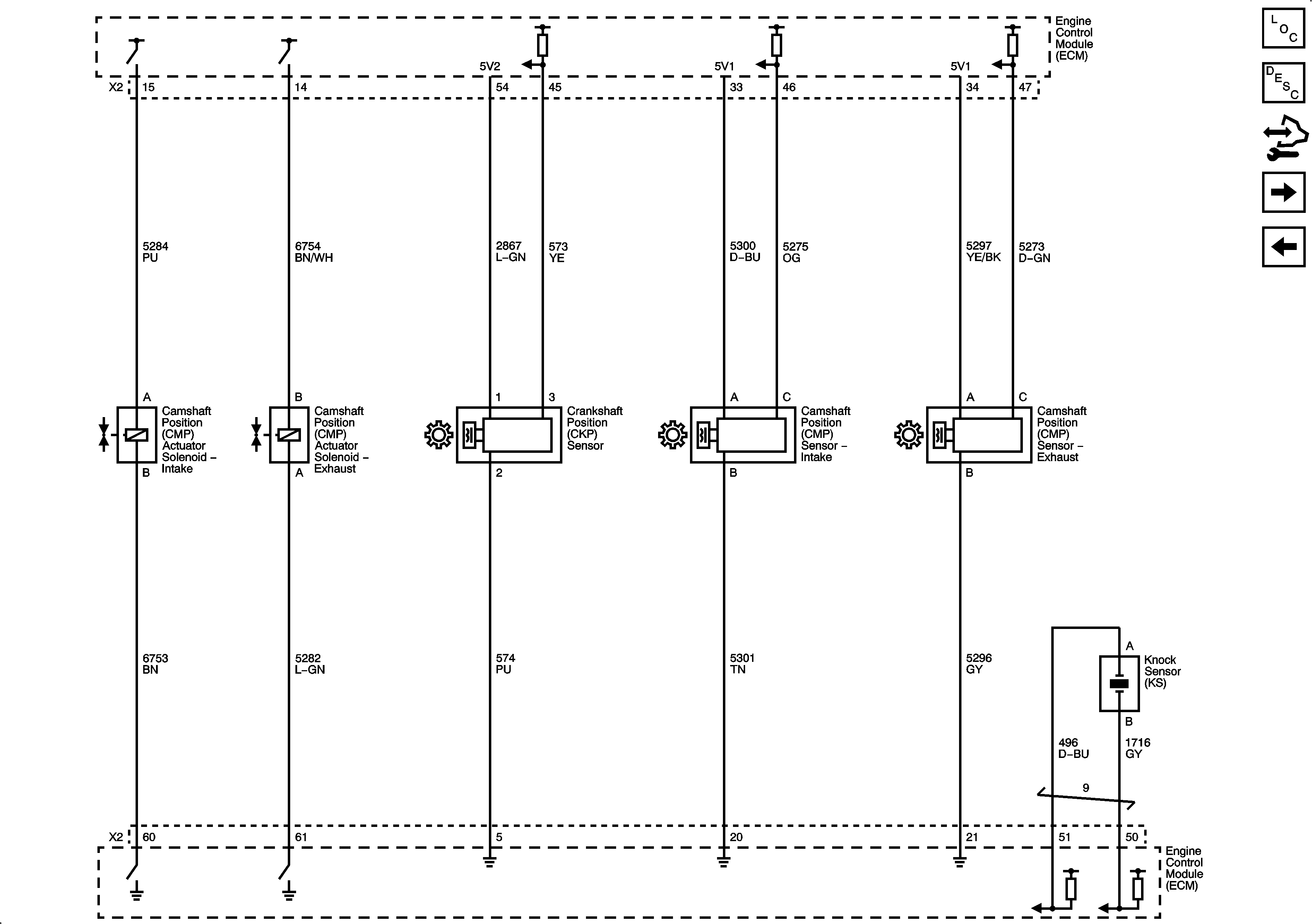
Ignition Controls - Sensors
Engine Data Sensors - Electronic Throttle Controls
Figure 7:

Ignition Controls - Sensors


Object Number: 1913955  Size: FS
Master Electrical Component List
Camshaft Actuator System Description
Control Module References
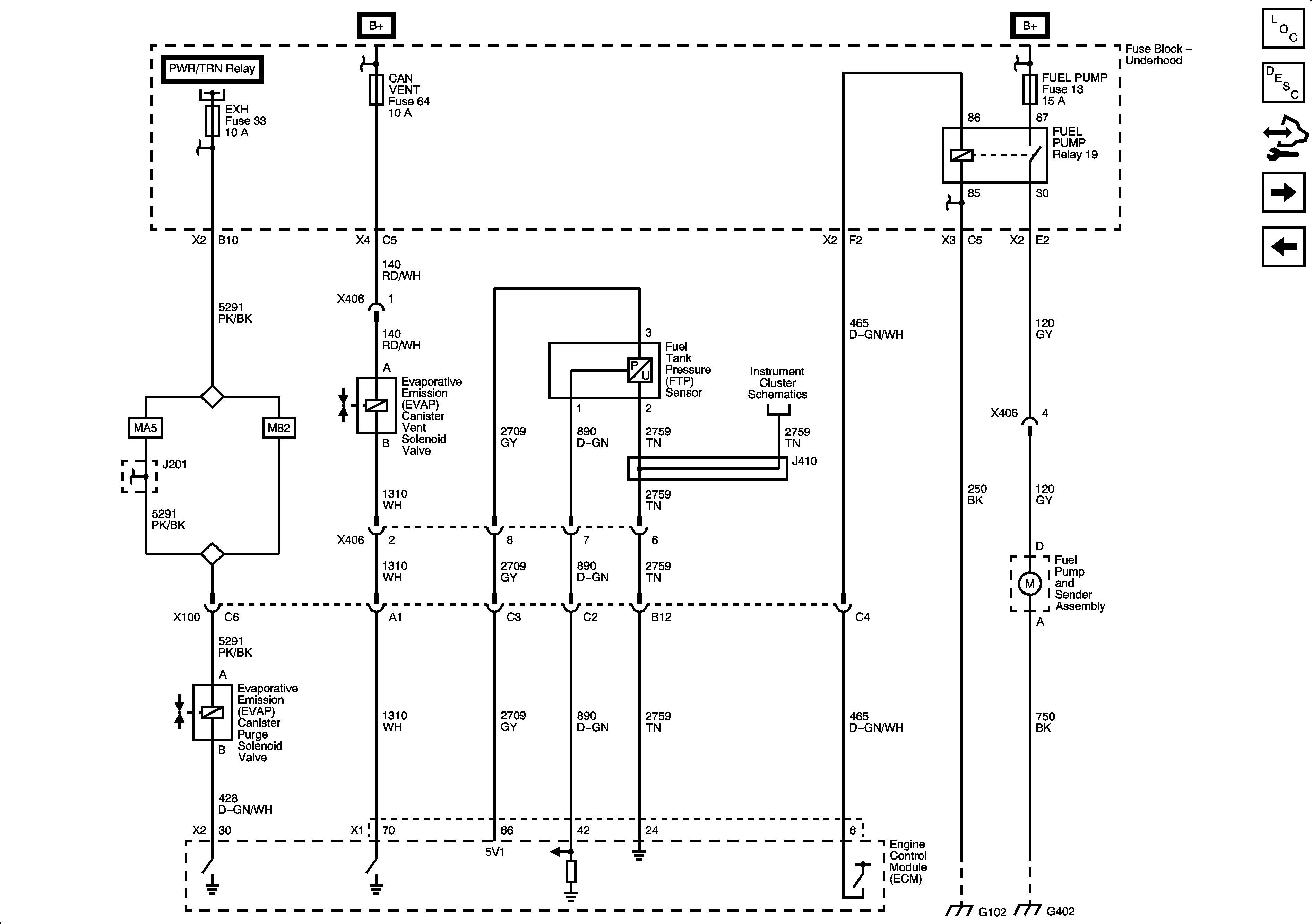
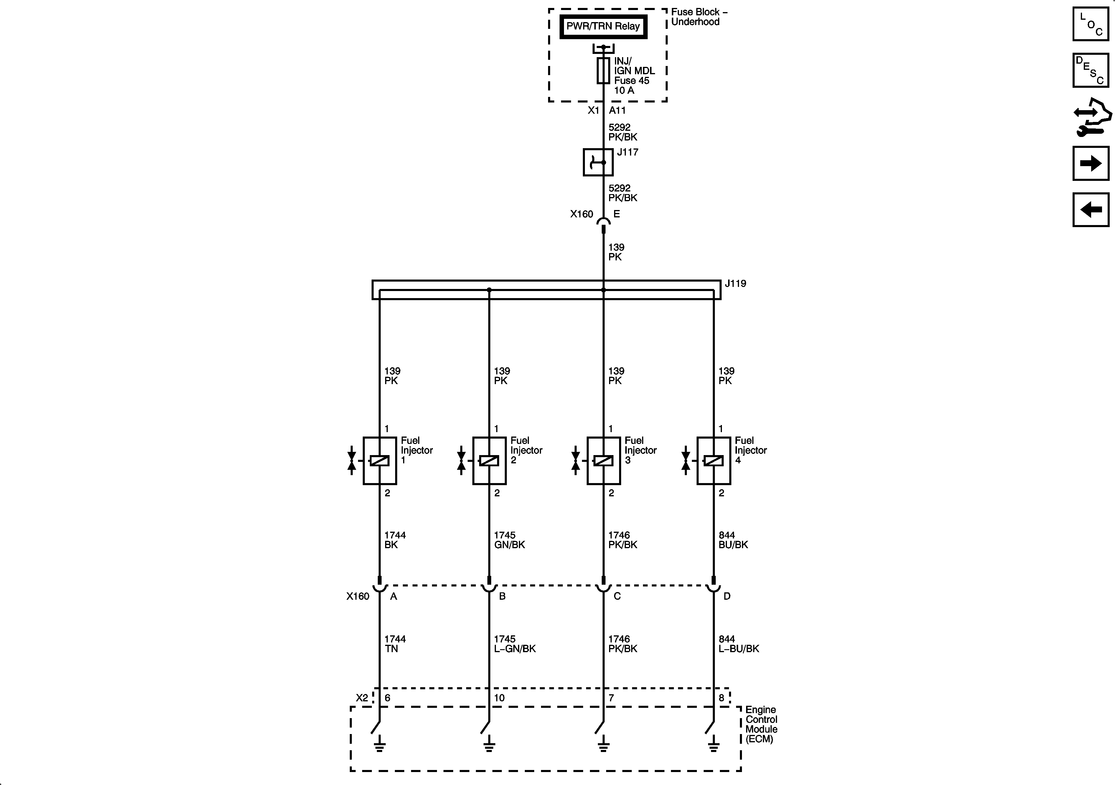
Fuel Controls - Fuel Pump and Fuel Injectors
Ignition Controls - Ignition System
Figure 8:

Fuel Controls - Fuel Pump Controls and Fuel Injectors


Object Number: 1913957  Size: FS
Master Electrical Component List
Fuel System Description
Control Module References
Fuel Controls - EVAP Controls
Ignition Controls - Sensors
Figure 9:

Fuel Controls - EVAP Controls


Object Number: 1913959  Size: FS
Master Electrical Component List
Evaporative Emission Control System Description
Control Module References
Controlled/Monitored Subsystem References
Fuel Controls - Fuel Pump and Fuel Injectors
Figure 10:

Controlled/Monitored Subsystem References


Object Number: 1913962  Size: FS
Master Electrical Component List
Engine Control Module Description
Control Module References
Fuel Controls - EVAP Controls