GM Service Manual Online
For 1990-2009 cars only
Makes
🢒
Pontiac
🢒
2008
🢒
Solstice
🢒
Diagnostic Navigation
🢒
Vehicle Diagnostic Information
🢒 HVAC Schematics
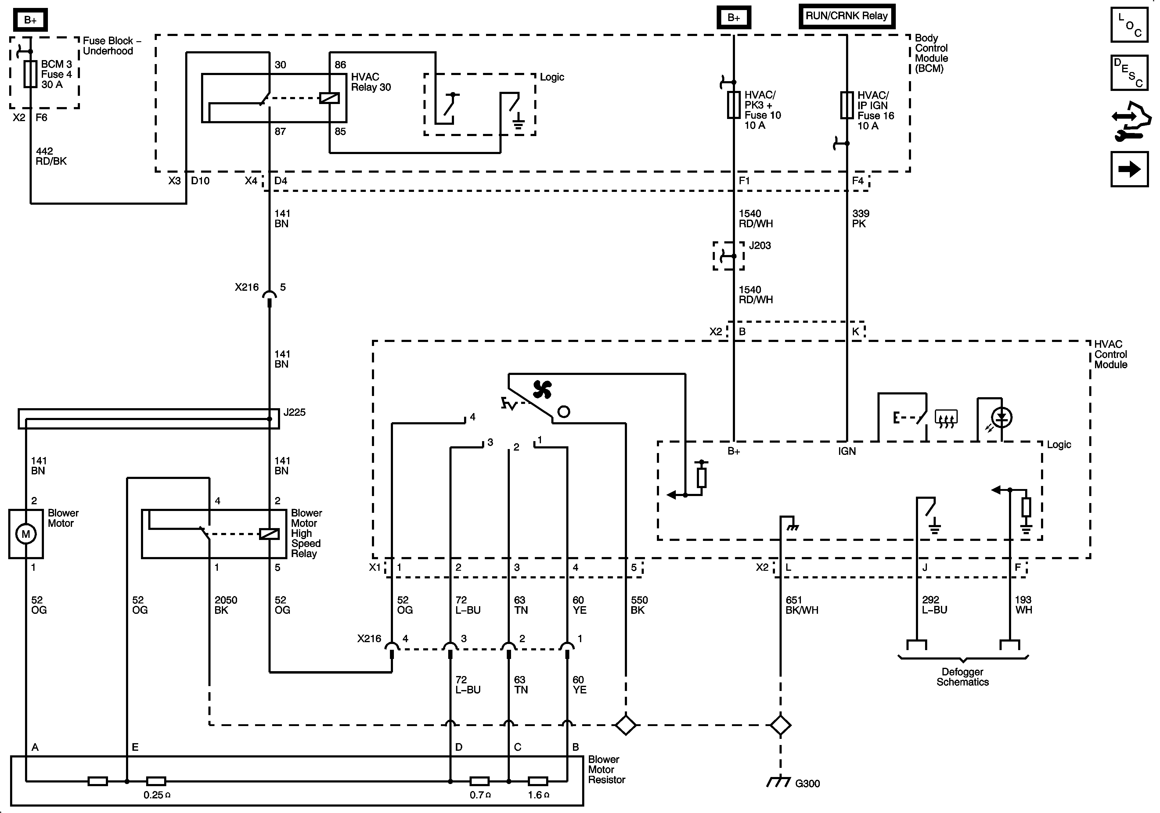
Figure
1:
Ground, Power, and Blower Motor
Master Electrical Component List
Air Delivery Description and Operation
Control Module References
Mode and Air Temperature Controls
Figure
2:
Air Delivery and Temperature Controls
Master Electrical Component List
Air Temperature Description and Operation
Control Module References
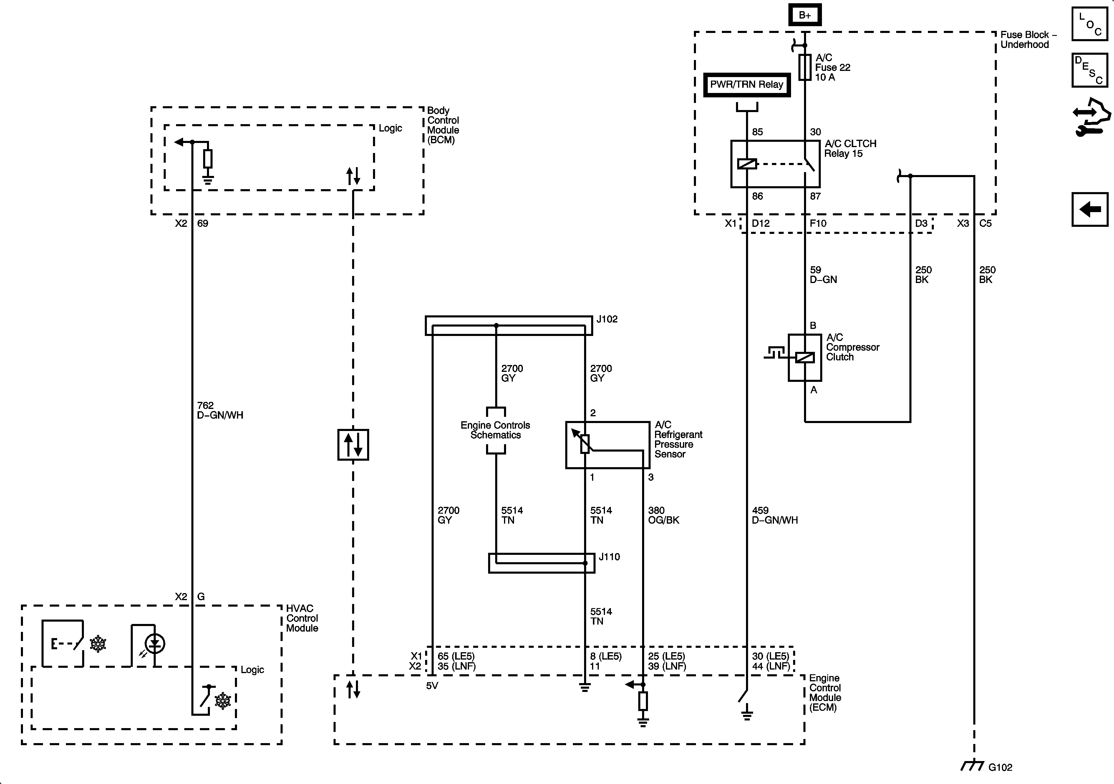
Compressor Controls
Power, Ground, and Blower Motor
Figure
3:
Compressor Controls
Master Electrical Component List
Air Temperature Description and Operation
Control Module References
Mode and Air Temperature Controls