GM Service Manual Online
For 1990-2009 cars only
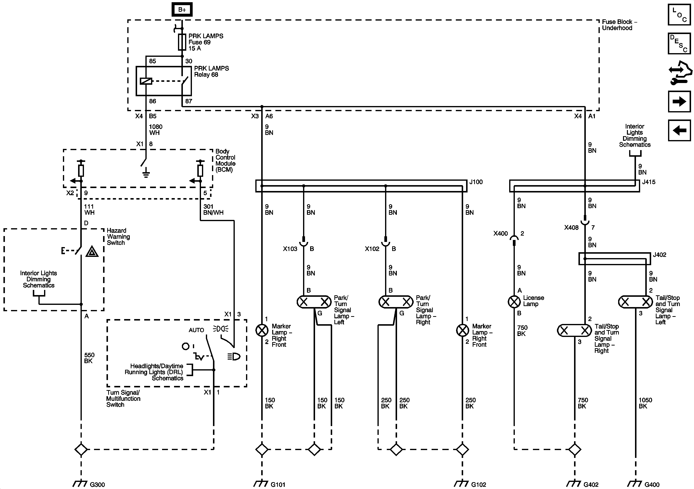
Figure 1:

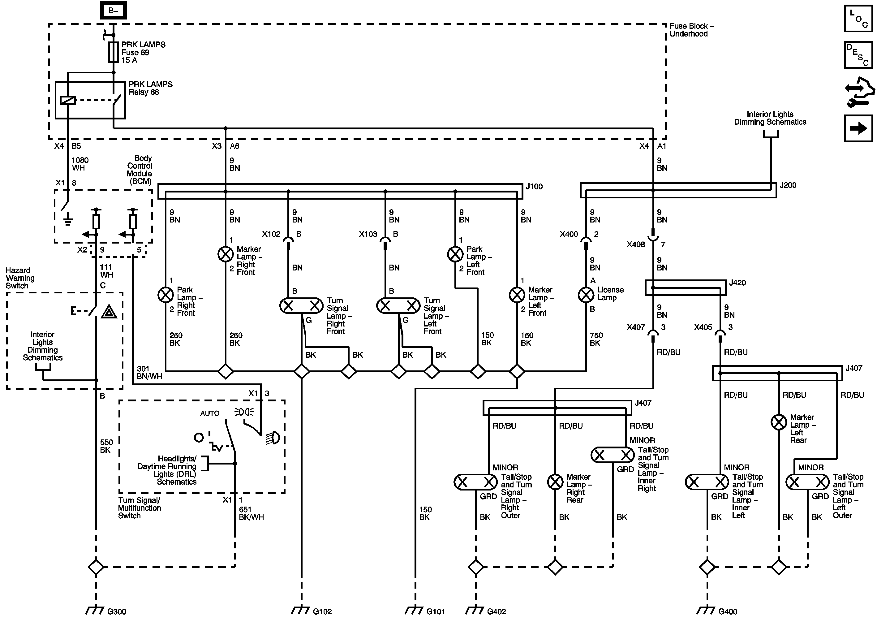
Hazards and Park Lamps (SKY)


Object Number: 1914096  Size: FS
Master Electrical Component List
Exterior Lighting Systems Description and Operation
Control Module References
Hazards and Park Lamps - Solstice
Figure 2:

Hazard and Park Lamps (Solstice)


Object Number: 2000481  Size: FS
Master Electrical Component List
Exterior Lighting Systems Description and Operation
Control Module References
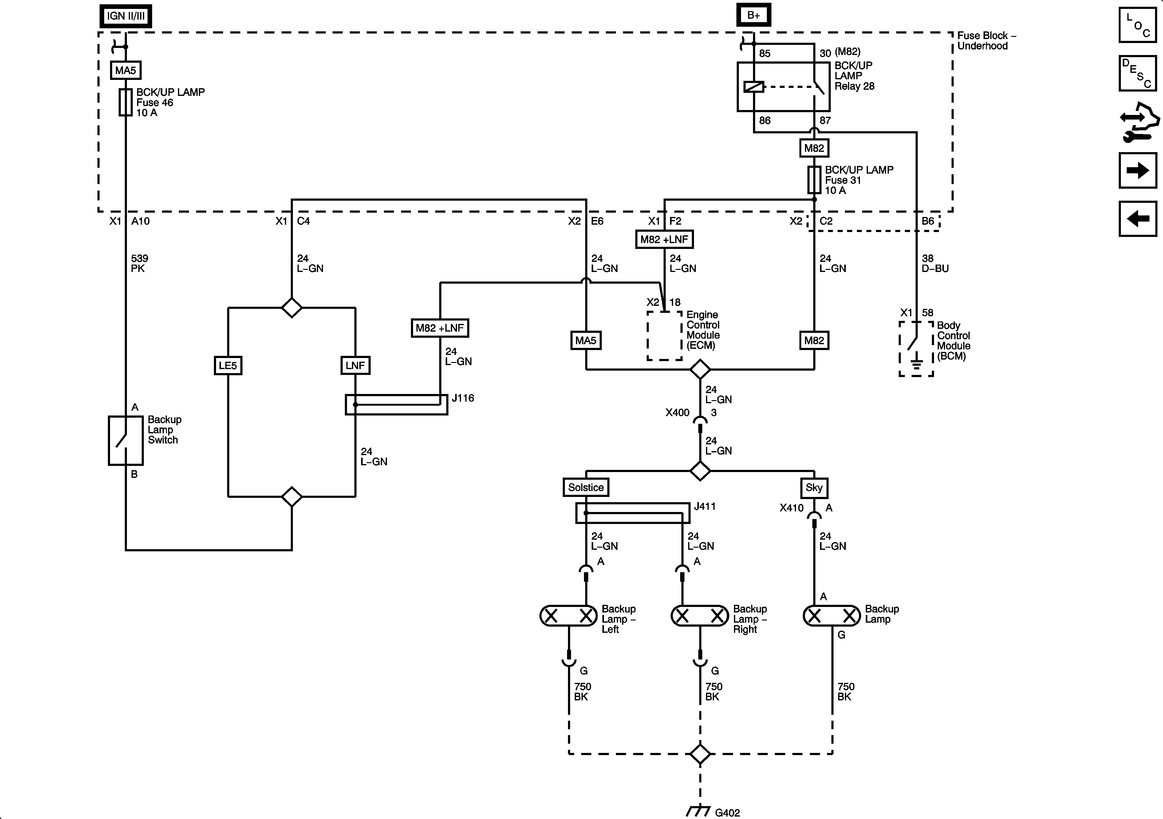
Backup Lamps
Hazard and Park Lamps
Figure 3:

Backup Lamps


Object Number: 1914100  Size: FS
Master Electrical Component List
Exterior Lighting Systems Description and Operation
Control Module References
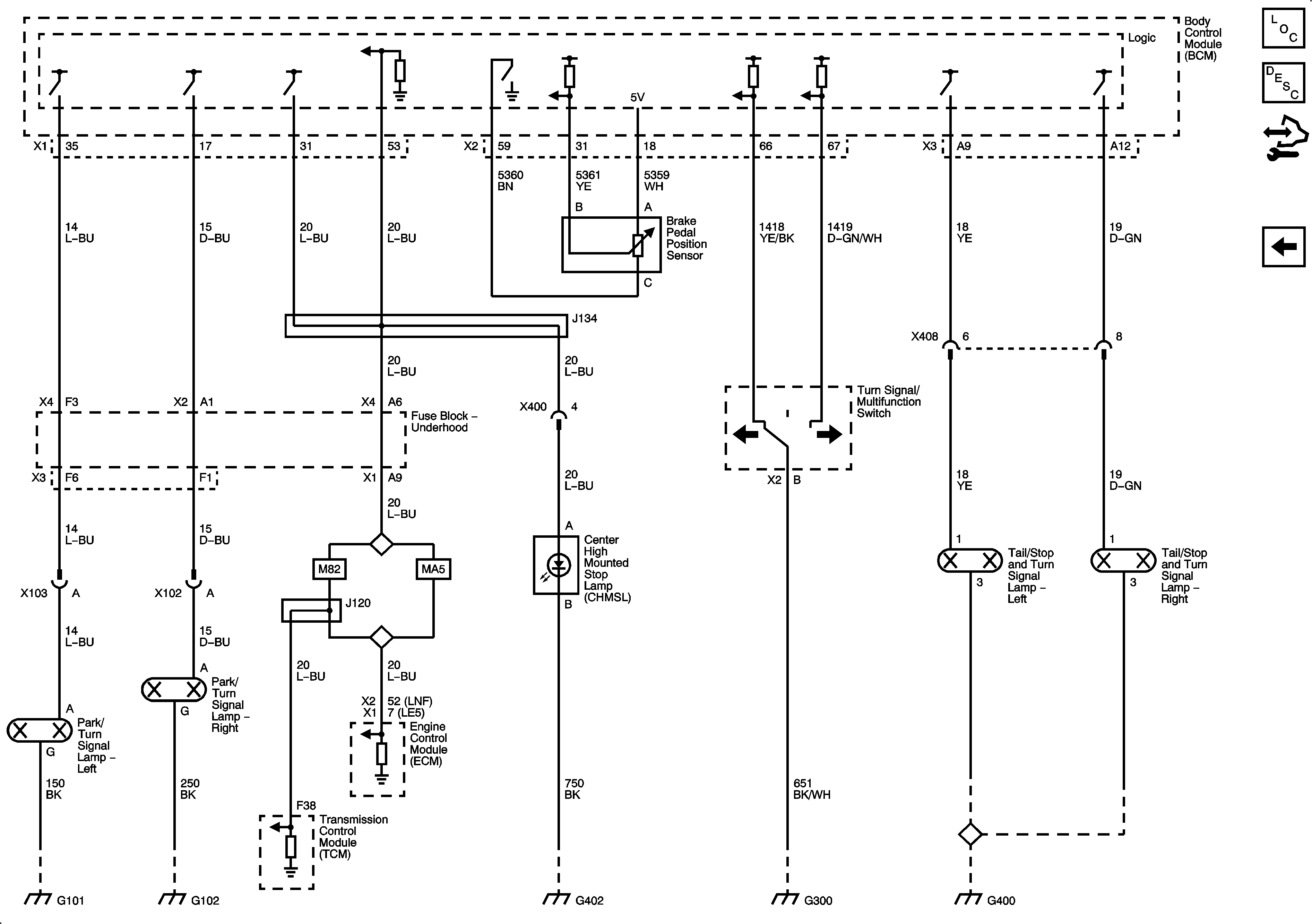
Stop Lamps and Turn Signals
Hazards and Park Lamps - Solstice
Figure 4:

Stop Lamps and Turn Signals (Sky)


Object Number: 1914104  Size: FS
Master Electrical Component List
Exterior Lighting Systems Description and Operation
Control Module References
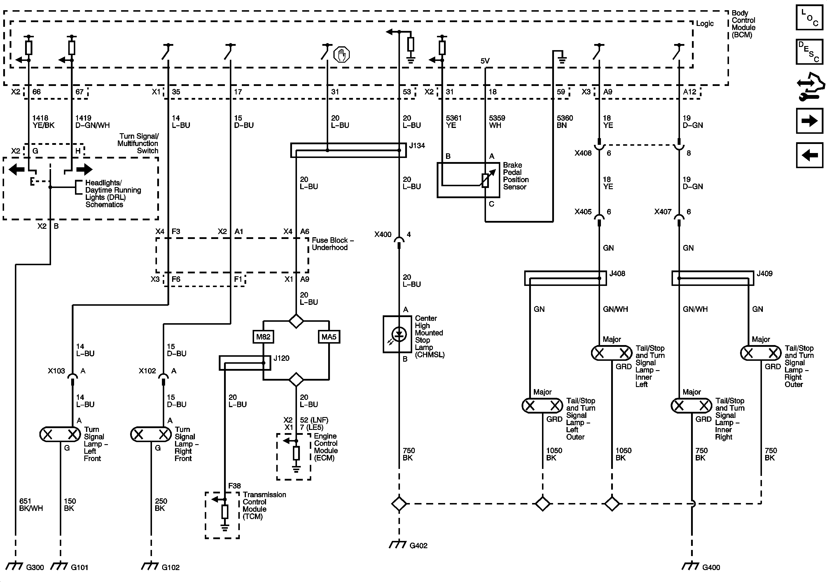
Stop Lamps and Turn Signals - Solstice
Backup Lamps
Figure 5:

Stop and Turn Signal Lamps (Solstice)


Object Number: 2000486  Size: FS
Master Electrical Component List
Exterior Lighting Systems Description and Operation
Control Module References
Stop Lamps and Turn Signals