GM Service Manual Online
For 1990-2009 cars only
Makes
🢒
Pontiac
🢒
2008
🢒
Solstice
🢒
Body Systems
🢒
Horns
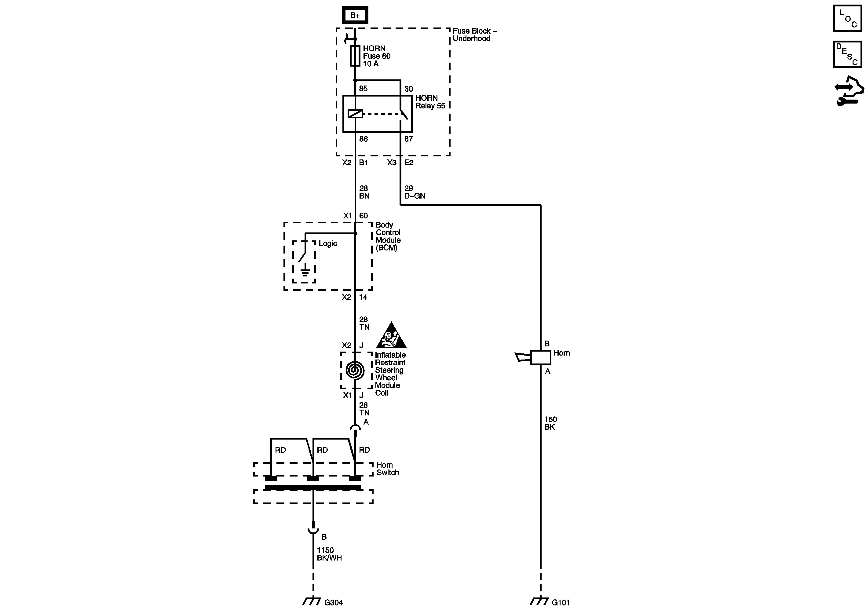
🢒 Horn Schematics
Master Electrical Component List
Horns System Description and Operation
Control Module References